LEMON Manuals: Even more car manuals for everyone: 1960-2025
Home >> Kia >> 2023 >> Telluride EX X-Line >> Repair and Diagnosis >> Engine Performance >> System >> Engine Control System Diagnosis (12 Of 13) >> DTC P2127-00: Accelerator Position Sensor 2 Signal Circuit Low Input >> Wiring Inspection >> Circuit Inspection
April 5, 2026: LEMON Manuals is launched! Read the announcement.

Circuit Inspection

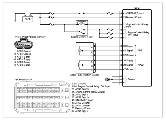
G15726201Courtesy of KIA MOTORS AMERICA, INC.
Inspection Condition (+) Probe (-) Probe Specification
Connector Terminal Connector Terminal
  1. Disconnect the electrical connector(s) from the concerned component.
  2. Ignition "ON".
APS2 connector 5 (power) Chassis ground - Approx. 5V
  1. Ignition "OFF".
  2. Disconnect the electrical connector(s) from the concerned component.
APS2 connector 1 (ground) Chassis ground - Approx. below 1Ω
  1. Ignition "OFF".
  2. Disconnect the electrical connector(s) from the concerned component and ECM.
APS2 connector 6 (signal) ECM connector 28 (signal) Approx. below 1Ω
APS2 connector 6 (signal) Chassis ground - ∞ (infinity)Ω
APS2 connector 6 (signal) APS2 connector 5 (power) ∞ (infinity)Ω

Good 

No Good