LEMON Manuals: Even more car manuals for everyone: 1960-2025
Home >> Lexus >> 2003 >> ES 300 >> Repair and Diagnosis >> Body & Frame >> Mirrors >> Power Mirror Control System >> Inspection
April 5, 2026: LEMON Manuals is launched! Read the announcement.

Power Mirror Control System: Inspection

  1. INSPECT OUTER MIRROR SWITCH ASSY 
    1. Inspect the mirror switch continuity.
      1. Left side for left/right adjustment switch:

        Inspect the left side mirror switch continuity.

        Standard: 

        TERMINAL SPECIFIED CONDITION CHART

        Terminal No. Switch position Specified condition
        - OFF No continuity
        3 - 4
        7 - 8
        UP Continuity
        3 - 8
        4 - 7
        DOWN Continuity
        4 - 9
        7 - 8
        LEFT Continuity
        4 - 7
        8 - 9
        RIGHT Continuity

        If the continuity is not as specified, replace the switch.

        Fig 1: Identifying Outer Mirror Switch Assy Connector Terminal
        G03373134Courtesy of © TOYOTA, LICENSE AGREEMENT TMS1002
      2. Right side for left/right adjustment switch:

        Inspect the right side mirror switch continuity.

        Standard: 

        TERMINAL SPECIFIED CONDITION CHART

        Terminal No. Switch position Specified condition
        - OFF No continuity
        2 - 4
        1 - 7 - 8
        UP Continuity
        4 - 7
        1 - 2 - 8
        DOWN Continuity
        1 - 7 - 8
        4 - 10
        LEFT Continuity
        4 - 7
        1 - 8 - 10
        RIGHT Continuity

        If the continuity is not as specified, replace the switch.

  2. INSPECT OUTER REAR VIEW MIRROR ASSY LH 
    1. Inspect the mirror motor operation.

      Standard: 

      TERMINAL SPECIFIED CONDITION CHART

      Battery connection Mirror position
      Positive (+) - 3
      Negative (-) - 7
      Turn upward
      Positive (+) - 7
      Negative (-) - 3
      Turn downward
      Positive (+) - 6
      Negative (-) - 7
      Turn left
      Positive (+) - 7
      Negative (-) - 6
      Turn right
      Fig 2: Identifying Outer Rear View Mirror Assy LH Terminal
      G03373135Courtesy of © TOYOTA, LICENSE AGREEMENT TMS1002
    2. Check the electro chromic outer mirror operation.
      1. Connect the positive lead from the dry cell battery to terminal 1 and the negative lead to terminal 2, then check that the mirror surface changes to "dark".
      2. Check that the mirror turns to "bright" after disconnecting the battery.
    3. Check the mirror heater operation.
      1. Check the resistance between terminals 4 and 5 of the connector.

        Resistance: 3.4 - 4.5 Ω 

      2. Check that the mirror is heated up when connecting the battery positive (+) to terminal 4 and the battery negative (-) to terminal 5 of the connector.
        Fig 3: Identifying Mirror Bright And Dark
        G03373136Courtesy of © TOYOTA, LICENSE AGREEMENT TMS1002
  3. INSPECT OUTER REAR VIEW MIRROR ASSY RH 
    1. Inspect the mirror motor operation.

      Standard: 

      BATTERY CONNECTION SPECIFICATION CHART

      Battery connection Mirror position
      Positive (+) - 3
      Negative (-) - 7
      Turn upward
      Positive (+) - 7
      Negative (-) - 3
      Turn downward
      Positive (+) - 6
      Negative (-) - 7
      Turn left
      Positive (+) - 7
      Negative (-) - 6
      Turn right
      Fig 4: Identifying Outer Rear View Mirror Assy RH Terminal
      G03373137Courtesy of © TOYOTA, LICENSE AGREEMENT TMS1002
    2. Check the electro chromic outer mirror operation.
      1. Connect the positive lead from the dry cell battery to terminal 1 and the negative lead to terminal 2, then check that the mirror surface changes to "dark".
      2. Check that the mirror turns to "bright" after disconnecting the battery.
    3. Check the mirror heater operation.
      1. Check the resistance between terminals 4 and 5 of the connector.

        Resistance: 3.4 - 4.5 Ω 

      2. Check that the mirror is heated up when connecting the battery positive (+) to terminal 4 and the battery negative (-) to terminal 5 of the connector.
        Fig 5: Identifying Mirror Bright And Dark
        G03373138Courtesy of © TOYOTA, LICENSE AGREEMENT TMS1002
  4. INSPECT OUTER REAR VIEW MIRROR ASSY LH 
    1. Inspect the mirror motor operation.

      Standard: 

      BATTERY CONNECTION SPECIFICATION CHART

      Battery connection Mirror position
      Positive (+) - 5
      Negative (-) - 6
      Turn upward
      Positive (+) - 6
      Negative (-) - 5
      Turn downward
      Positive (+) -11
      Negative (-) - 6
      Turn left
      Positive (+) - 6
      Negative (-) -11
      Turn right
      Fig 6: Identifying Outer Rear View Mirror Assy LH Terminal
      G03373139Courtesy of © TOYOTA, LICENSE AGREEMENT TMS1002
    2. Check the electro chromic outer mirror operation.
      1. Connect the positive lead from the dry cell battery to terminal 4 and the negative lead to terminal 10, then check that the mirror surface changes to "dark".
      2. Check that the mirror turns to "bright" after disconnecting the battery.
    3. Check the mirror heater operation.
      1. Check the resistance between terminals 3 and 9 of the connector.

        Resistance: 3.4 - 4.5 Ω 

      2. Check that the mirror is heated up when connecting the battery positive (+) to terminal 3 and the battery negative (-) to terminal 9 of the connector.
        Fig 7: Identifying Mirror Bright And Dark
        G03373140Courtesy of © TOYOTA, LICENSE AGREEMENT TMS1002
  5. INSPECT OUTER REAR VIEW MIRROR ASSY RH 
    1. Inspect the mirror motor operation.

      Standard: 

      BATTERY CONNECTION SPECIFICATION CHART

      Battery connection Mirror position
      Positive (+) - 5
      Negative (-) - 6
      Turn upward
      Positive (+) - 6
      Negative (-) - 5
      Turn downward
      Positive (+) -11
      Negative (-) - 6
      Turn left
      Positive (+) - 6
      Negative (-) - 11
      Turn right
      Fig 8: Identifying Outer Rear View Mirror Assy RH Connector Terminal
      G03373141Courtesy of © TOYOTA, LICENSE AGREEMENT TMS1002
    2. Check the electro chromic outer mirror operation.
      1. Connect the positive lead from the dry cell battery to terminal 4 and the negative lead to terminal 10, then check that the mirror surface changes to "dark".
      2. Check that the mirror turns to "bright" after disconnecting the battery.
    3. Check the mirror heater operation.
      1. Check the resistance between terminals 3 and 9 of the connector.

        Resistance: 3.4 - 4.5 Ω 

      2. Check that the mirror is heated up when connecting the battery positive (+) to terminal 3 and the battery negative (-) to terminal 9 of the connector.
        Fig 9: Identifying Mirror Bright And Dark
        G03373142Courtesy of © TOYOTA, LICENSE AGREEMENT TMS1002
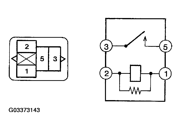
  6. INSPECT ACC RELAY 
    1. Inspect the ACC relay (marking: ACC) continuity.

      Standard: 

      TERMINAL SPECIFIED CONDITION CHART

      Terminal No. Condition Specified condition
      1 <=> 2 Constant Continuity
      3 <=> 5 Constant No continuity
      3 <=> 5 Apply B+ between terminals 1 and 2 Continuity

      If the continuity is not as specified, replace the relay.

      Fig 10: Inspecting ACC Relay Continuity
      G03373143Courtesy of © TOYOTA, LICENSE AGREEMENT TMS1002