LEMON Manuals: Even more car manuals for everyone: 1960-2025
Home >> Lexus >> 2003 >> ES 300 >> Repair and Diagnosis >> External Pages >> Different car >> Section 259 (Intake Air Control System) >> System Diagram
April 5, 2026: LEMON Manuals is launched! Read the announcement.

System Diagram

WARNING: This page is about a different car, the 2004 Toyota Camry Solara. However, it is still accessible from the selected car via links, so may be relevant.

HINT:

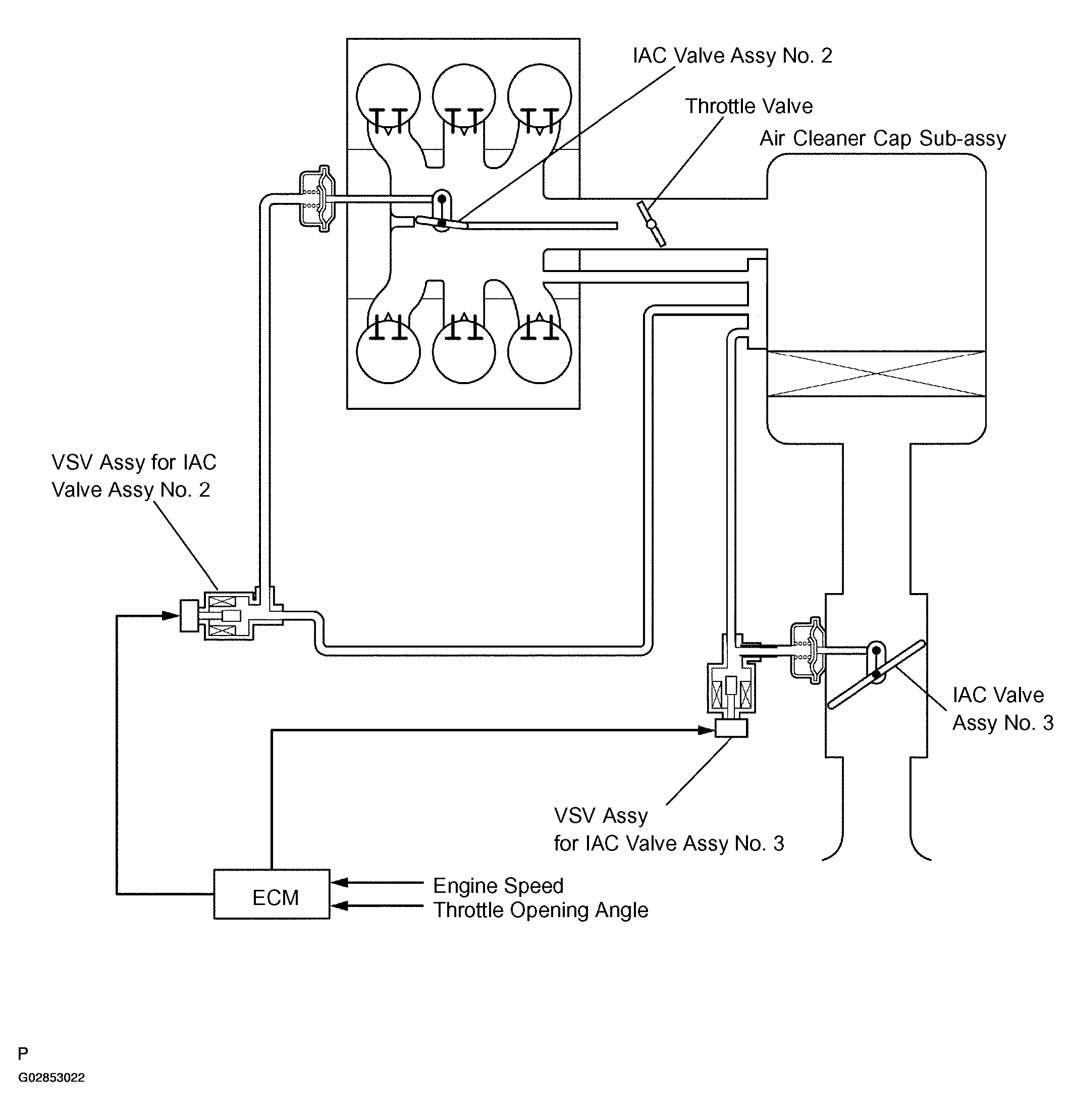
Intake air amount is determined by the ECM based on signals from various sensors.

Fig 1: Intake System Diagram
G02853022Courtesy of © TOYOTA, LICENSE AGREEMENT TMS1002
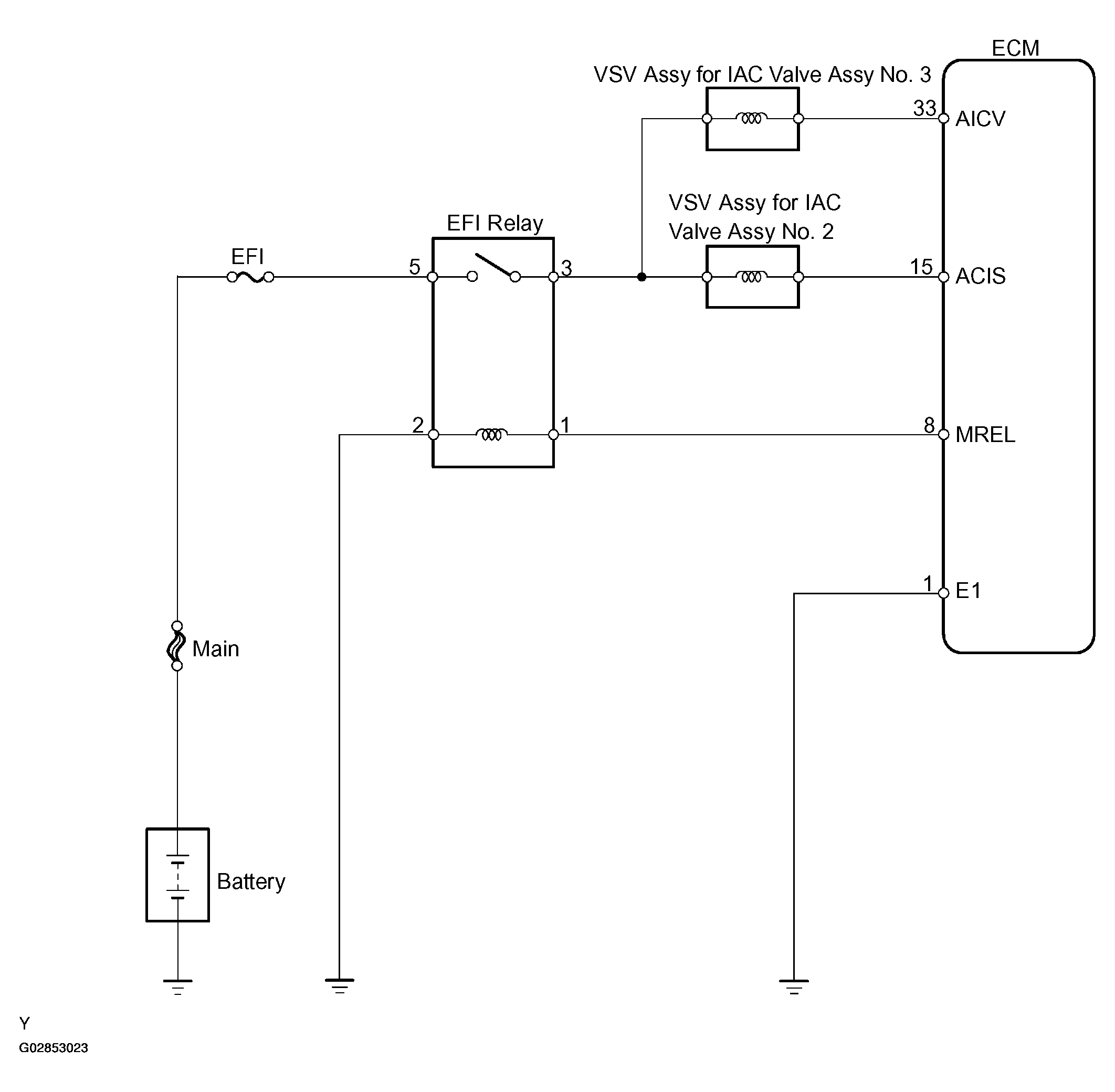
Fig 2: Wiring Diagram - Intake Air Control System
G02853023Courtesy of © TOYOTA, LICENSE AGREEMENT TMS1002