LEMON Manuals: Even more car manuals for everyone: 1960-2025
Home >> Lexus >> 2004 >> SC 430 >> Repair and Diagnosis >> External Pages >> Different car >> Section 55 (Power Mirrors) >> Component Tests >> Outside Rear View Mirror Position Sensor Circuit (With Memory) >> Circuit Description
April 5, 2026: LEMON Manuals is launched! Read the announcement.

Circuit Description

WARNING: This page is about a different car, the 2002 Lexus ES 300. However, it is still accessible from the selected car via links, so may be relevant.

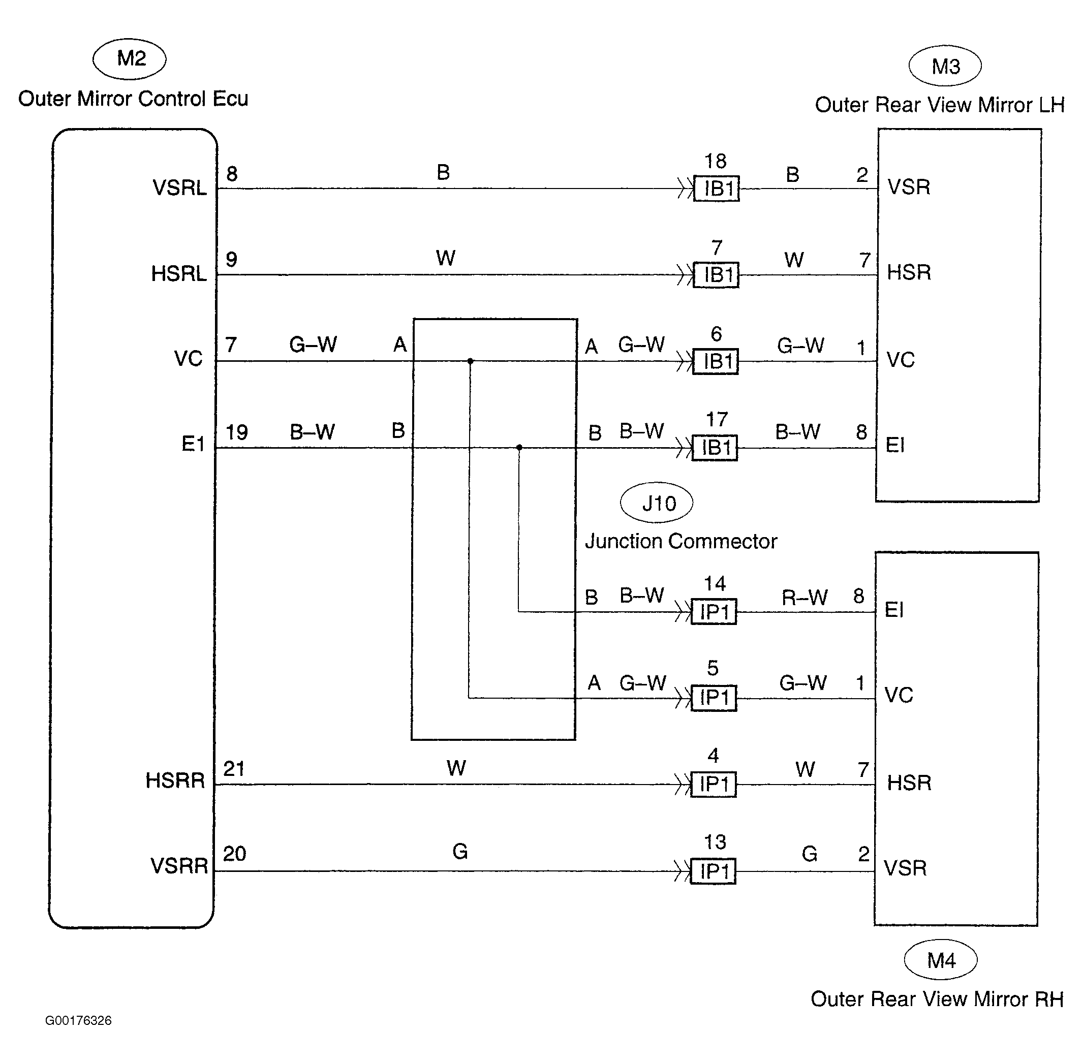
When the seat memory switch M1 and M2 is pressed, the memory seat ECU transmits the memorized mirror facing direction multiply to mirror ECU, then the mirror ECU drives the mirror motor. See Fig 1.

Fig 1: Identifying Mirror Position Sensor Circuit (With Memory)
G00176326Courtesy of © TOYOTA, LICENSE AGREEMENT TMS1002