LEMON Manuals: Even more car manuals for everyone: 1960-2025
Home >> Lexus >> 2005 >> ES 330 >> Repair and Diagnosis >> Engine Performance >> System >> SFI System - Diagnostics >> O2S Test Result >> Wiring Diagram
April 5, 2026: LEMON Manuals is launched! Read the announcement.

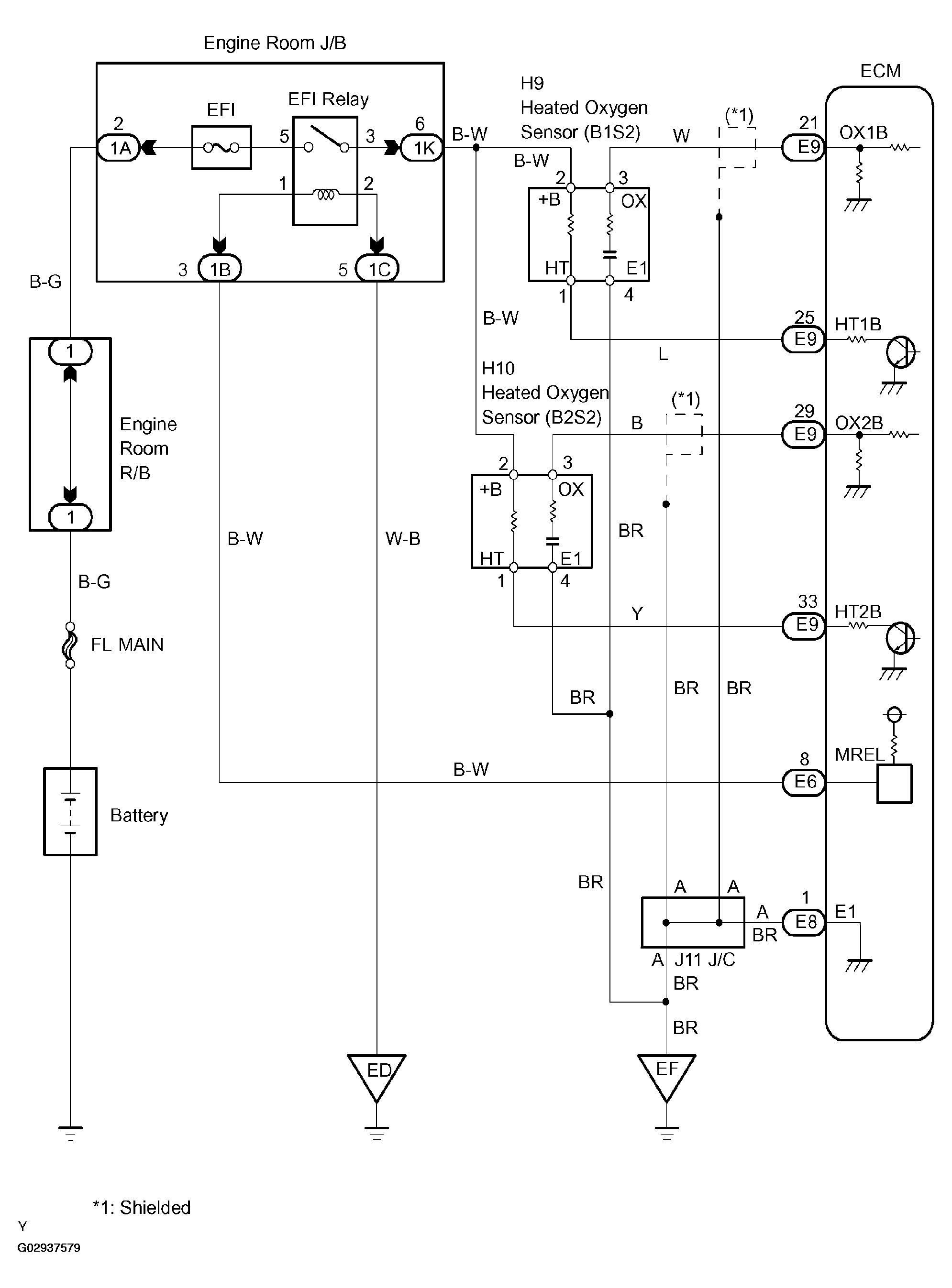
O2S Test Result: Wiring Diagram

Fig 1: Wiring Diagram - Heated Oxygen Sensor
G02937579Courtesy of © TOYOTA, LICENSE AGREEMENT TMS1002