LEMON Manuals: Even more car manuals for everyone: 1960-2025
Home >> Lexus >> 2005 >> LX 470 >> Repair and Diagnosis (Single Page) >> Accessories & Equipment >> Infotainment >> LEXUS Navigation System - Diagnostics >> Circuit Inspection >> Power Source Circuit (Multi-Display Assembly) >> Wiring Diagram
April 5, 2026: LEMON Manuals is launched! Read the announcement.

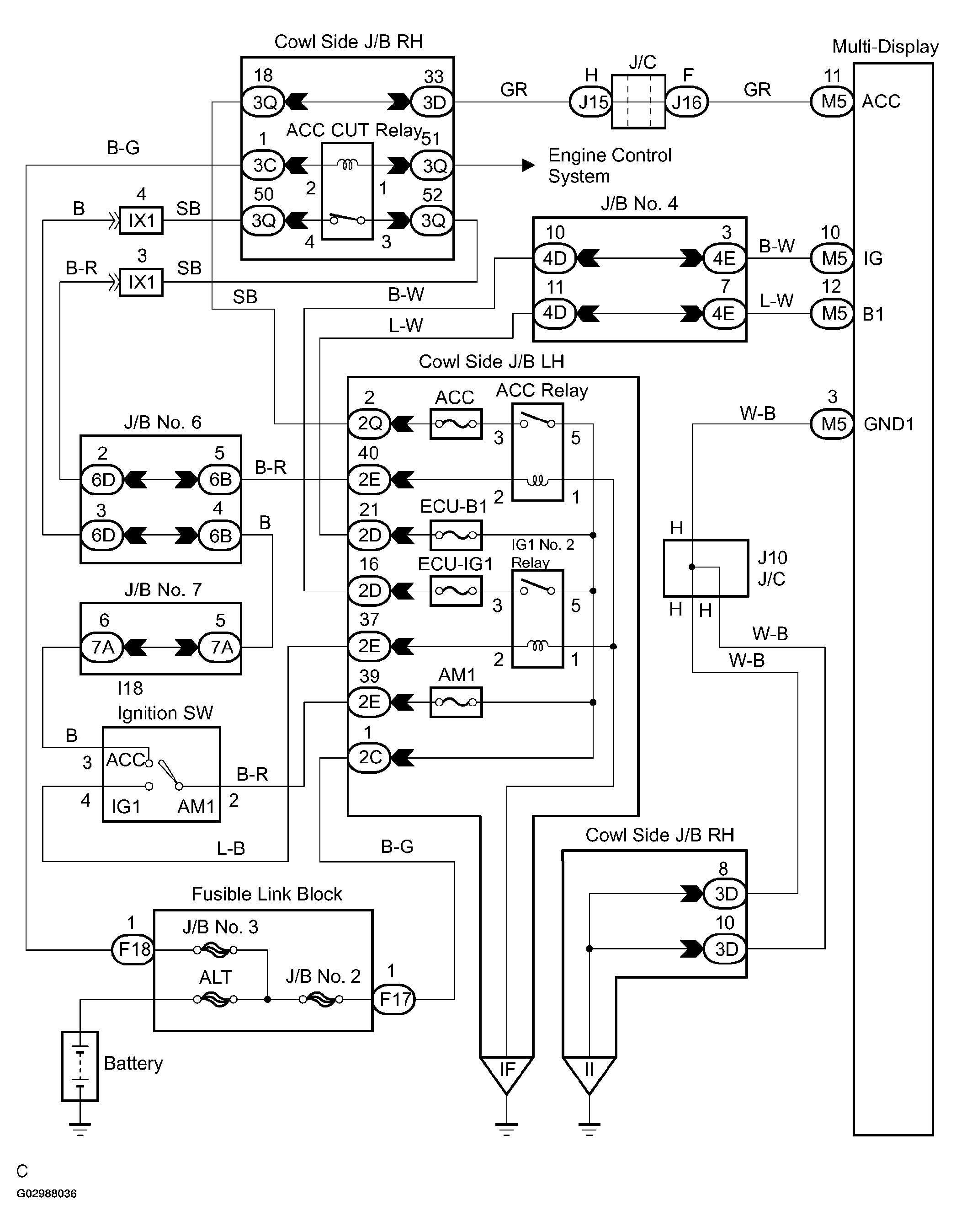
Power Source Circuit (Multi-Display Assembly): Wiring Diagram

Fig 1: Power Source Circuit (Multi-Display Assembly) - Wiring Diagram
G02988036Courtesy of © TOYOTA, LICENSE AGREEMENT TMS1002