LEMON Manuals: Even more car manuals for everyone: 1960-2025
Home >> Lexus >> 2005 >> RX 330 AWD >> Repair and Diagnosis (Single Page) >> Accessories & Equipment >> Infotainment >> LEXUS Navigation System - Diagnostics >> Display Signal Circuit (Navigation Ecu - Multi-Display Controller Sub-ASSY) >> Wiring Diagram
April 5, 2026: LEMON Manuals is launched! Read the announcement.

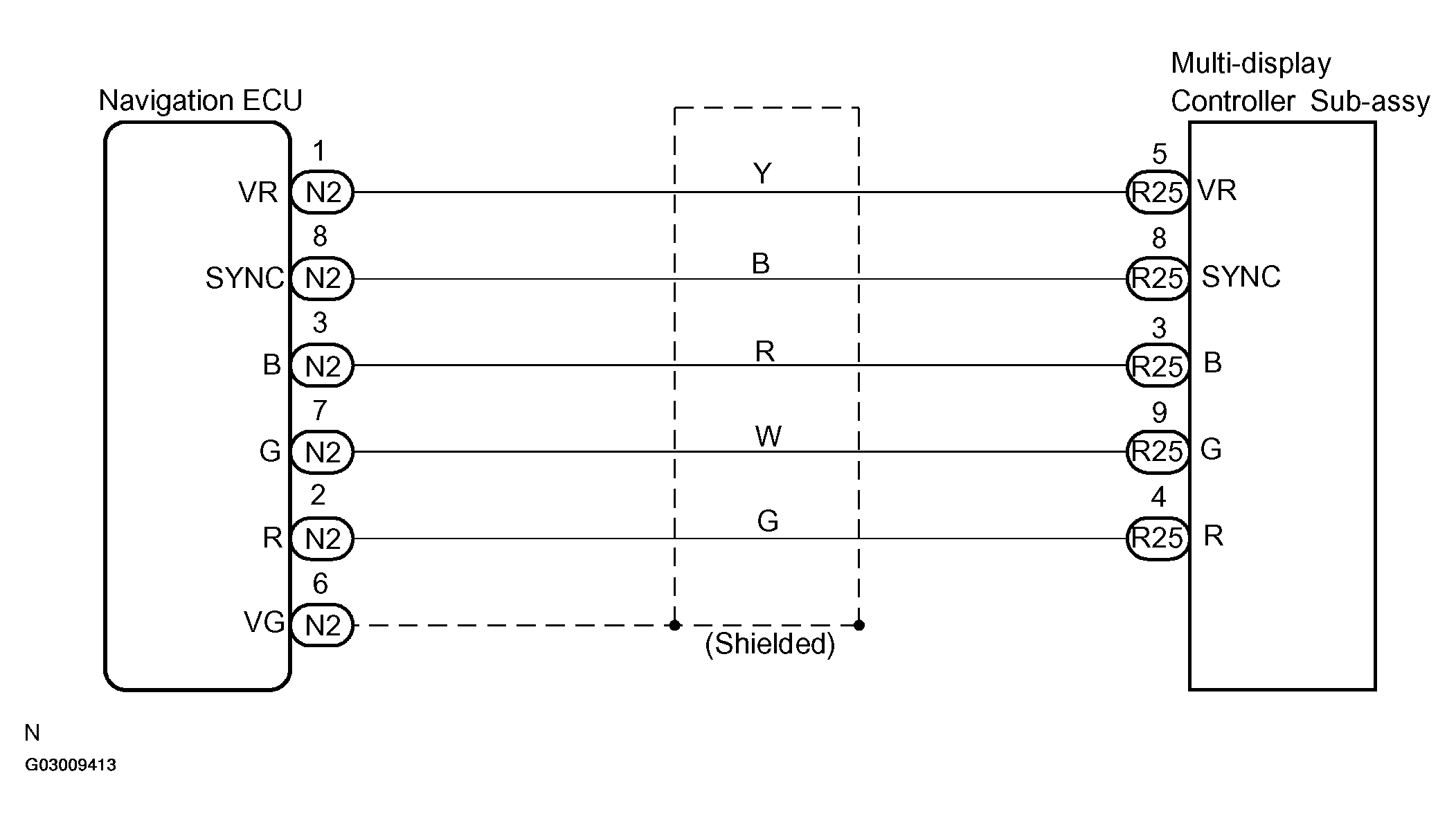
Display Signal Circuit (Navigation Ecu - Multi-Display Controller Sub-ASSY): Wiring Diagram

Fig 1: Display Signal Circuit (Navigation ECU - Multi-Display Controller Sub-Assy) - Wiring Diagram
G03009413Courtesy of © TOYOTA, LICENSE AGREEMENT TMS1002