LEMON Manuals: Even more car manuals for everyone: 1960-2025
Home >> Lexus >> 2006 >> GS 300 RWD >> Repair and Diagnosis >> Brakes >> Brakes Control Systems >> Brake Control >> Electronically Controlled Brake System >> DTC U0073/94 Control Module Communication Bus OFF; DTC U0100/65 Lost Communication with ECM / PCM; DTC U0123/62 Lost Communication with Yaw Rate Sensor Module; DTC U0124/95 Lost Communication with Lateral Acceleration Sensor Module; DTC U0126/63 Lost Communication with Steering Angle Sensor Module; DTC U0130/68 Lost Communication with Steering Effort Control Module; DTC U0131/67 Lost Communication with Power Steering Control Module >> Wiring Diagram
April 5, 2026: LEMON Manuals is launched! Read the announcement.

DTC U0073/94 Control Module Communication Bus OFF; DTC U0100/65 Lost Communication with ECM / PCM; DTC U0123/62 Lost Communication with Yaw Rate Sensor Module; DTC U0124/95 Lost Communication with Lateral Acceleration Sensor Module; DTC U0126/63 Lost Communication with Steering Angle Sensor Module; DTC U0130/68 Lost Communication with Steering Effort Control Module; DTC U0131/67 Lost Communication with Power Steering Control Module: Wiring Diagram

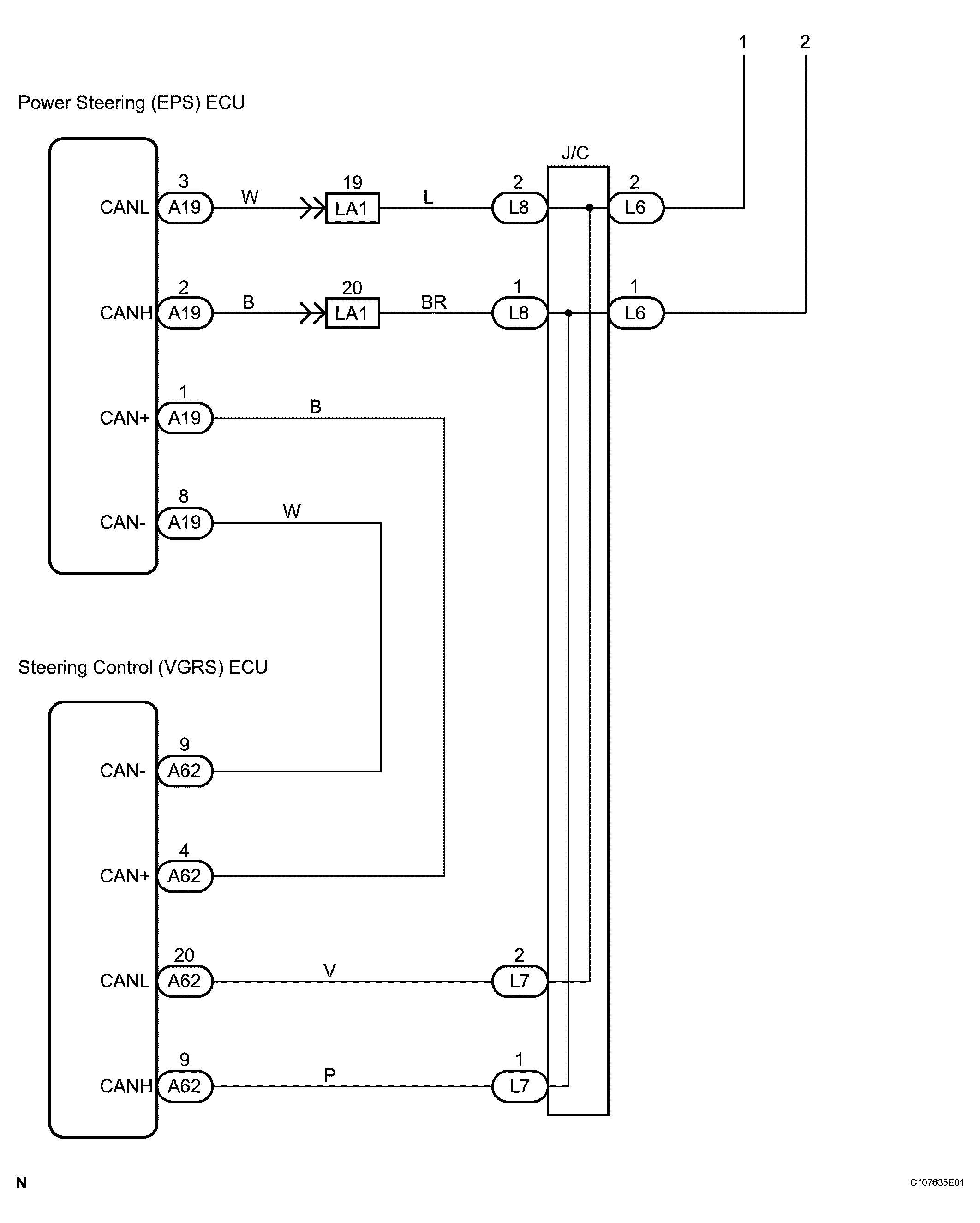
Fig 1: Identifying Wiring Diagram (1 Of 2)
G04025178Courtesy of © TOYOTA, LICENSE AGREEMENT TMS1002
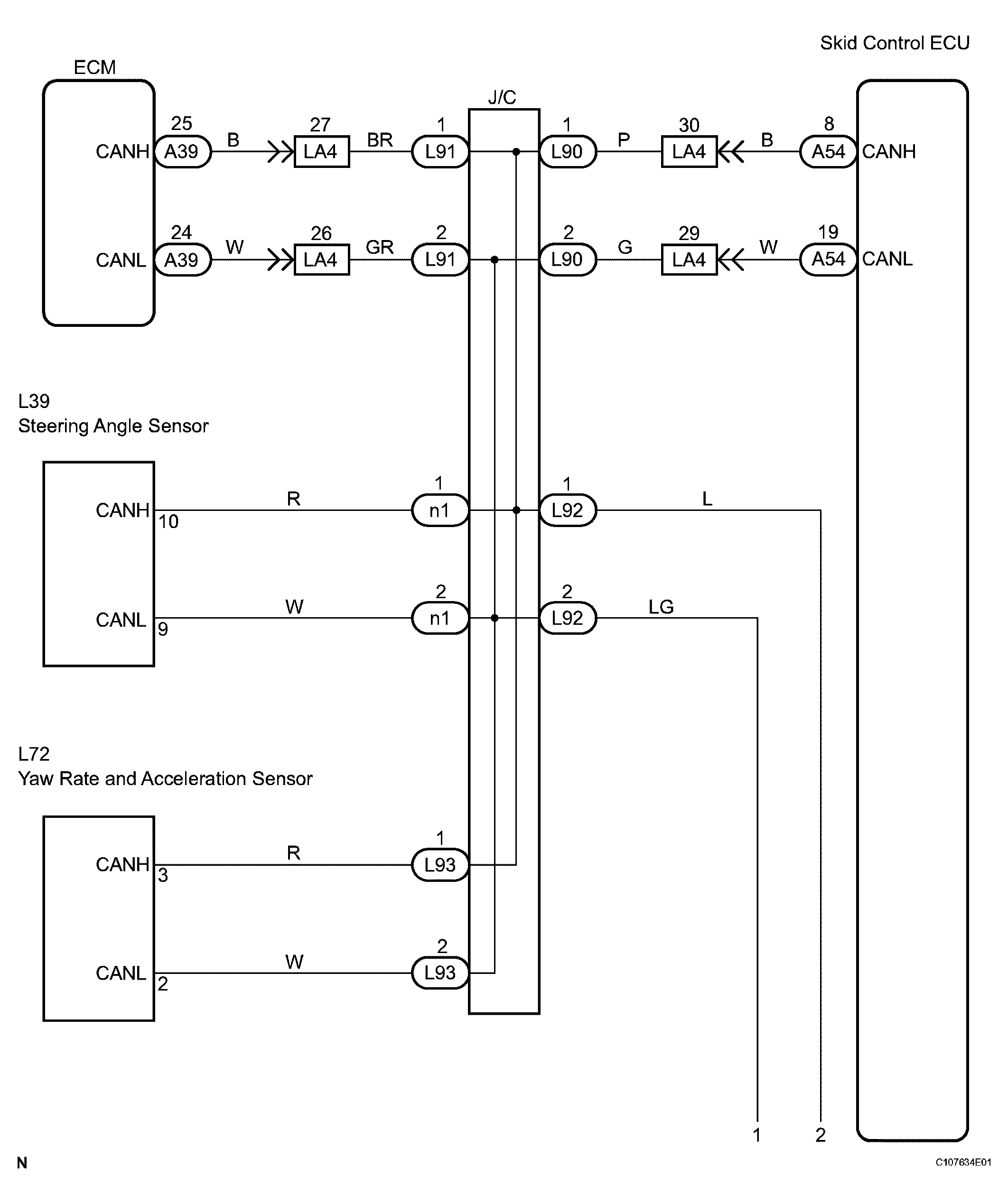
Fig 2: Identifying Wiring Diagram (2 Of 2)
G04025179Courtesy of © TOYOTA, LICENSE AGREEMENT TMS1002
  1. CHECK HARNESS AND CONNECTOR (MOMENTARY INTERRUPTION) 
    1. Using the intelligent tester, check for any momentary interruption in the wire harness and connector corresponding to a DTC (See CHECK FOR INTERMITTENT PROBLEMS  ).

      ABS / VSC: 

      ITEM (DISPLAY) MEASUREMENT ITEM / RANGE (DISPLAY) AND NORMAL CONDITION CHART

      Item (Display) Measurement Item/Range (Display) Normal Condition
      EFI COM OPN EFI communication open detection / ERROR or NORMAL ERROR: Momentary interruption NORMAL: Normal
      STEERING OPN Steering sensor open detection / ERROR or NORMAL ERROR: Momentary interruption NORMAL: Normal
      YAW RATE OPN Yaw rate sensor open detection / ERROR or NORMAL ERROR: Momentary interruption NORMAL: Normal

      OK: 

      There are no momentary interruptions. 

      HINT:

      Perform the above inspection before removing the sensor and connector.

    NG : Go to step   3 

    OK : Go to Next Step 

  2. RECONFIRM DTC 
    1. Record the output DTCs (for ABS, VSC, ECB and CAN communication) (See DIAGNOSIS SYSTEM  for ABS, VSC and ECB, or DIAGNOSIS SYSTEM ).

      HINT:

      If the CAN communication system DTC and the relevant sensor DTCs are output simultaneously, troubleshoot the relevant sensor DTCs (for ABS, VSC and ECB) after the CAN communication system returns to normal.

      Result 

      DISPLAY (DTC OUTPUT) AND PROCEED TO REFERENCE CHART

      Display (DTC Output) Proceed To
      DTC is not output or cannot be read A
      DTC is output B (See DIAGNOSTIC TROUBLE CODE CHART  for ABS, VSC and ECB, or DIAGNOSIS SYSTEM )

    B : REPAIR CIRCUIT INDICATED BY OUTPUT CODE 

    A : REPAIR CAN COMMUNICATION SYSTEM 

  3. REPAIR OR REPLACE HARNESS OR CONNECTOR 
    1. Repair or replace the harness or connector.
    2. Check for any momentary interruption between the skid control ECU and each sensor or ECM.
    3. Check that there is no momentary interruption.

    NEXT: GO TO NEXT STEP 

  4. RECONFIRM DTC 
    1. Clear the DTC (See DIAGNOSIS SYSTEM  ).
    2. Start the engine.
    3. Drive the vehicle and turn the steering wheel to the right and left at a speed of 9 mph (15 km/h) or more.
    4. Check that no CAN communication system DTC is output.
    5. If ABS, VSC and ECB DTCs are output, record them.

      Result 

      DISPLAY (DTC OUTPUT) AND PROCEED TO REFERENCE CHART

      Display (DTC Output) Proceed To
      DTC for the CAN communication system is output A (See DIAGNOSIS SYSTEM )
      No DTC is output (ABS, VSC and ECB DTCs are output) B (See DIAGNOSTIC TROUBLE CODE CHART  )
      No DTC is output (No ABS, VSC and ECB DTCs are output) C

      HINT:

      The CAN communication system must be normal when repairing the sensor DTCs (for ABS, VSC and ECB).

    B : REPAIR CIRCUIT INDICATED BY OUTPUT CODE 

    C : END 

    A : REPAIR CAN COMMUNICATION SYSTEM