LEMON Manuals: Even more car manuals for everyone: 1960-2025
Home >> Lexus >> 2006 >> GS 430 >> Repair and Diagnosis (Single Page) >> Suspension >> Wheels & Tire System >> Tire & Wheel >> Tire Pressure Warning System >> DTC C2121/21 No Signal from Transmitter ID1 in Main Mode; DTC C2122/22 No Signal from Transmitter ID2 in Main Mode; DTC C2123/23 No Signal from Transmitter ID3 in Main Mode; DTC C2124/24 No Signal from Transmitter ID4 in Main Mode; DTC C2131/31 No Signal from Transmitter ID1 in 2nd Mode; DTC C2132/32 No Signal from Transmitter ID2 in 2nd Mode; DTC C2133/33 No Signal from Transmitter ID3 in 2nd Mode; DTC C2134/34 No Signal from Transmitter ID4 in 2nd Mode; DTC C2181/81 Transmitter ID1 not Received (Test Mode DTC); DTC C2182/82 Transmitter ID2 not Received (Test Mode DTC); DTC C2183/83 Transmitter ID3 not Received (Test Mode DTC); DTC C2184/84 Transmitter ID4 not Received (Test Mode DTC) >> Wiring Diagram
April 5, 2026: LEMON Manuals is launched! Read the announcement.

DTC C2121/21 No Signal from Transmitter ID1 in Main Mode; DTC C2122/22 No Signal from Transmitter ID2 in Main Mode; DTC C2123/23 No Signal from Transmitter ID3 in Main Mode; DTC C2124/24 No Signal from Transmitter ID4 in Main Mode; DTC C2131/31 No Signal from Transmitter ID1 in 2nd Mode; DTC C2132/32 No Signal from Transmitter ID2 in 2nd Mode; DTC C2133/33 No Signal from Transmitter ID3 in 2nd Mode; DTC C2134/34 No Signal from Transmitter ID4 in 2nd Mode; DTC C2181/81 Transmitter ID1 not Received (Test Mode DTC); DTC C2182/82 Transmitter ID2 not Received (Test Mode DTC); DTC C2183/83 Transmitter ID3 not Received (Test Mode DTC); DTC C2184/84 Transmitter ID4 not Received (Test Mode DTC): Wiring Diagram

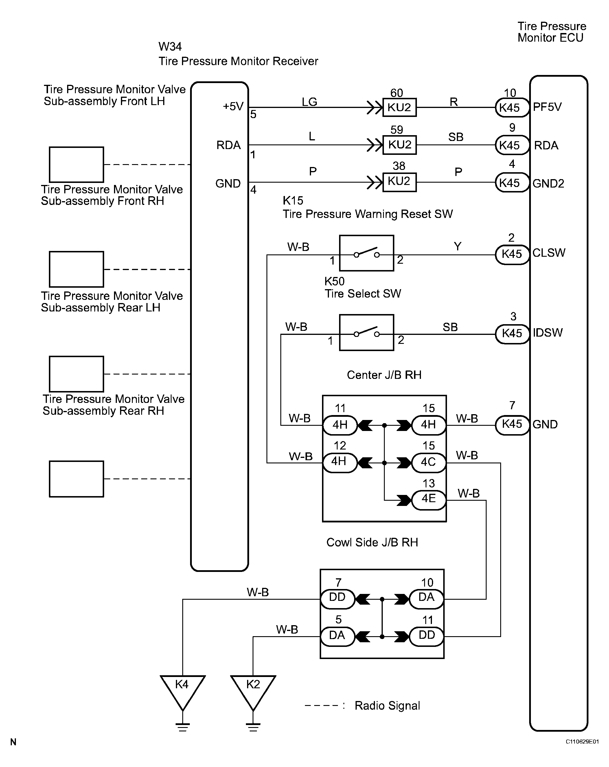
Fig 1: Tire Pressure Monitor Valve Sub-Assembly - Wiring Diagram
G04029501Courtesy of © TOYOTA, LICENSE AGREEMENT TMS1002
NOTE: It is necessary to register an ID code after replacing the tire pressure monitor valve sub-assembly and/or the tire pressure monitor ECU (See REGISTRATION  ).

HINT:

Set the tire pressure to the specified value.

  1. CHECK TIRE PRESSURE WARNING LIGHT 
    1. Turn the engine switch on (IG).
    2. Check the tire pressure warning light.

      Result 

      RESULT REFERENCE

      Proceed to Condition
      Does not blink 
      B Comes on and goes off repeatedly at 0.5 second intervals

    B : Go to step   4 

    A : GO TO NEXT STEP 

  2. CLEAR DTC 

    NEXT 

  3. CHECK DTC 
    1. Check for DTC.

      OK: 

      DTC is not output. 

    NG : Go to step 4 

    OK : REFER TO  PROBLEM SYMPTOMS TABLE  

  4. CHECK DTC 
    1. Is DTC C2121/21, C2122/22, C2123/23 and C2124/24 output?

    NO : Go to step   12 

    YES : GO TO NEXT STEP 

  5. CHECK DTC 
    1. Are DTCs C2121/21, C2122/22, C2123 and C2124 all output?

    NO : Go to step   19 

    YES : GO TO NEXT STEP 

  6. CHECK TIRE PRESSURE WARNING SWITCH MAIN POSITION 

    OK: 

    Tire pressure warning switch is set to "MAIN". 

    HINT:

    If the tire pressure warning switch is not set to "MAIN", set the tire pressure to the specified value and set the tire pressure warning switch to the "MAIN". Afterwards, perform forced transmission of transmitter ID by rapidly reducing the all tire pressure and go to step  1.

    NG : Go to step   1 

    OK : GO TO NEXT STEP 

  7. INSPECT TIRE PRESSURE MONITOR ECU 
    1. Connect the tire pressure monitor ECU K45 connector.
    2. Measure the voltage according to the value(s) in the table below.

      Standard voltage 

      CONNECTOR TERMINALS VOLTAGE SPECIFICATIONS

      Tester Connection Condition Specified Condition
      K45-10 (RF5V) - K45-4 (GND2) Engine Switch on (IG) 4.5 to 5.5 V
      Fig 2: Identifying Tire Pressure Monitor ECU Connector Terminals
      G04029502Courtesy of © TOYOTA, LICENSE AGREEMENT TMS1002

    OK : Go to step   10 

    NG : Go to Next Step 

  8. CHECK HARNESS AND CONNECTOR (TIRE PRESSURE MONITOR ECU - TIRE SELECT SWITCH)) 
    1. Disconnect the tire pressure monitor ECU K45 connector and tire select switch K50 connector.
      Fig 3: Identifying Tire Pressure Monitor ECU Connector
      G04029520Courtesy of © TOYOTA, LICENSE AGREEMENT TMS1002
    2. Measure the resistance according to the value(s) in the table below.

      Standard resistance 

      CONNECTOR TERMINALS RESISTANCE SPECIFICATIONS

      Tester Connection Specified Condition
      K45-3 (IDSW) - K50-2 Below 1 Ω
      K45-3 (IDSW) - Body ground 10 kΩ or higher
      Fig 4: Identifying Tire Select Switch Connector Terminals
      G04029494Courtesy of © TOYOTA, LICENSE AGREEMENT TMS1002

    NG : REPAIR OR REPLACE HARNESS OR CONNECTOR 

    OK : GO TO NEXT STEP 

  9. INSPECT TIRE SELECT SWITCH 
    1. Disconnect tire select switch K50 connector.
    2. Measure the resistance according to the value(s) in the table below.

      Standard resistance 

      CONNECTOR TERMINALS RESISTANCE SPECIFICATIONS

      Switch Position Tester Connection Specified Condition
      MAIN 2 (INT) - 1 (E) 10 kΩ or higher
      2nd 2 (INT) - 1 (E) Below 1 Ω
      Fig 5: Identifying Connector Terminals
      G04029505Courtesy of © TOYOTA, LICENSE AGREEMENT TMS1002

    NG : REPLACE TIRE SELECT SWITCH 

    OK : REPLACE TIRE PRESSURE MONITOR ECU 

  10. CHECK HARNESS AND CONNECTOR (TIRE MONITOR RECEIVER ASSEMBLY - TIRE MONITOR ECU) 
    1. Disconnect the tire pressure monitor receiver assembly W34 connector and tire pressure monitor ECU K45 connector.
      Fig 6: Identifying Tire Pressure Monitor ECU K45 Connector
      G04029506Courtesy of © TOYOTA, LICENSE AGREEMENT TMS1002
    2. Measure the resistance according to the value(s) in the table below.

      Standard resistance 

      CONNECTOR TERMINALS RESISTANCE SPECIFICATIONS

      Tester Connection Specified Condition
      K45-9 (RDA) - W34-1 (RDA) Below 1Ω
      K45-10 (RF5V) - W34-5 (+5V) Below 1Ω
      K45-4 (GND2) - W34-4 (GND) Below 1Ω
      K45-9 (RDA) - Body ground 10 kΩ or higher
      K45-10 (RF5V) - Body ground 10 kΩ or higher
      K45-4 (GND2) - Body ground 10 kΩ or higher
      Fig 7: Identifying Tire Pressure Monitor Receiver Assembly W34 Connector
      G04029507Courtesy of © TOYOTA, LICENSE AGREEMENT TMS1002

    NG : REPAIR OR REPLACE HARNESS OR CONNECTOR 

    OK : GO TO NEXT STEP 

  11. INSPECT TIRE PRESSURE MONITOR ECU 
    1. Connect the tire pressure monitor ECU K45 connector.
    2. Measure the voltage according to the value(s) in the table below.

      Standard voltage 

      CONNECTOR TERMINALS VOLTAGE SPECIFICATIONS

      Tester Connection Condition Specified Condition
      K45-10 (RF5V) - K45-4 (GND2) Engine Switch on (IG) 4.5 to 5.5 V
      Fig 8: Identifying Tire Pressure Monitor ECU Connector Terminals
      G04029508Courtesy of © TOYOTA, LICENSE AGREEMENT TMS1002

    NG : CHECK POWER SOURCE CIRCUIT 

    OK : REPLACE TIRE PRESSURE MONITOR RECEIVER ASSEMBLY 

  12. CHECK DTC 
    1. Are DTCs C2131/31, C2132/32, C2133/33 and C2134/34 all output?

    NO : Go to step   19 

    YES : GO TO NEXT STEP 

  13. CHECK TIRE SELECT SWITCH 2ND POSITION 

    OK: 

    Tire select switch is set to "2nd". 

    HINT:

    If the tire select switch is not set "2nd", set the tire pressure to the specified value and set the tire pressure warning switch to the "2nd". Afterward, perform forced transmission of transmitter ID by rapidly reducing the 4 tires pressure and go to step  1.

    NG : Go to step   1 

    OK : GO TO NEXT STEP 

  14. INSPECT TIRE PRESSURE MONITOR ECU 
    1. Connect the tire pressure monitor ECU K45 connector.
    2. Measure the voltage according to the value(s) in the table below.

      Standard voltage 

      CONNECTOR TERMINALS VOLTAGE SPECIFICATIONS

      Tester Connection Condition Specified Condition
      K45-10 (RF5V) - K45-4 (GND2) Engine Switch on (IG) 4.5 to 5.5 V
      Fig 9: Identifying Tire Pressure Monitor ECU Connector Terminals
      G04029509Courtesy of © TOYOTA, LICENSE AGREEMENT TMS1002

    OK : Go to step   17 

    NG : Go to Next Step 

  15. CHECK HARNESS AND CONNECTOR (TIRE PRESSURE MONITOR ECU - TIRE SELECT SWITCH) 
    1. Disconnect the tire pressure monitor ECU K45 connector and tire select switch K50 connector.
      Fig 10: Identifying Tire Pressure Monitor ECU Connector
      G04029520Courtesy of © TOYOTA, LICENSE AGREEMENT TMS1002
    2. Measure the resistance according to the value(s) in the table below.

      Standard resistance 

      CONNECTOR TERMINALS RESISTANCE SPECIFICATIONS

      Tester Connection Specified Condition
      K45-3 (IDSW) - K50-2 Below 1Ω
      K45-3 (IDSW) - Body ground 10 kΩ or higher
      Fig 11: Identifying Tire Select Switch Connector Terminals
      G04029494Courtesy of © TOYOTA, LICENSE AGREEMENT TMS1002

    NG : REPAIR OR REPLACE HARNESS OR CONNECTOR 

    OK : GO TO NEXT STEP 

  16. INSPECT TIRE SELECT SWITCH 
    1. Disconnect tire select switch K50 connector.
    2. Measure the resistance according to the value(s) in the table below.

      Standard resistance 

      CONNECTOR TERMINALS RESISTANCE SPECIFICATIONS

      Switch Position Tester Connection Specified Condition
      MAIN 2 (INT) -1 (E) 10 kΩ or higher
      2nd 2 (INT) -1 (E) Below 1Ω
      Fig 12: Identifying Connector Terminals
      G04029512Courtesy of © TOYOTA, LICENSE AGREEMENT TMS1002

    NG : REPLACE TIRE SELECT SWITCH 

    OK : REPLACE TIRE PRESSURE MONITOR ECU 

  17. CHECK HARNESS AND CONNECTOR (TIRE MONITOR RECEIVER ASSEMBLY - TIRE MONITOR ECU) 
    1. Disconnect the tire pressure monitor receiver assembly W34 connector and tire pressure monitor ECU K45 connector.
      Fig 13: Identifying Tire Pressure Monitor ECU K45 Connector
      G04029513Courtesy of © TOYOTA, LICENSE AGREEMENT TMS1002
    2. Measure the resistance according to the value(s) in the table below.
      CONNECTOR TERMINALS RESISTANCE SPECIFICATIONS

      Tester Connection Specified Condition
      K45-9 (RDA) - W34-1 (RDA) Below 1Ω
      K45-10 (RF5V) - W34-5 (+5V) Below 1Ω
      K45-4 (GND2) - W34-4 (GND) Below 1Ω
      K45-9 (RDA) - Body ground 10 kΩ or higher
      K45-10 (RF5V) - Body ground 10 kΩ or higher
      K45-4 (GND2) - Body ground 10 kΩ or higher
      Fig 14: Identifying Tire Pressure Monitor Receiver Assembly W34 Connector
      G04029514Courtesy of © TOYOTA, LICENSE AGREEMENT TMS1002

    NG : REPAIR OR REPLACE HARNESS OR CONNECTOR 

    OK : GO TO NEXT STEP 

  18. INSPECT TIRE PRESSURE MONITOR ECU 
    1. Connect the tire pressure monitor ECU K45 connector.
    2. Measure the voltage according to the value(s) in the table below.

      Standard voltage 

      CONNECTOR TERMINALS VOLTAGE SPECIFICATIONS

      Tester Connection Condition Specified Condition
      K45-10 (RF5V) - K45-4 (GND2) Engine Switch on (IG) 4.5 to 5.5 V
      Fig 15: Identifying Tire Pressure Monitor ECU Connector Terminals
      G04029515Courtesy of © TOYOTA, LICENSE AGREEMENT TMS1002

    NG : CHECK POWER SOURCE CIRCUIT 

    OK : REPLACE TIRE PRESSURE MONITOR RECEIVER ASSEMBLY 

  19. SET TIRE PRESSURE TO NORMAL VALUE 
    1. Set the tire pressure of 4 wheels to the specified value.
      TIRE SIZE SPECIFICATIONS

      Tire Size Specified Value
      225/50R17 94W 230 kPa (2.3 kgf/cm2 , 33 psi)
      P225/50R17 93V
      245/40R18 93Y
      P245/40R18 93V

    NEXT 

  20. IDENTIFY TRANSMITTER CORRESPONDING TO DTC 

    NEXT 

  21. INTERCHANGE TIRES 

    HINT:

    When "A" (left front) is identified at step  20:

    1. Interchange tire "A" with normal tire "B".
      Fig 16: Identifying Interchange tire A with normal tire B
      G04029516Courtesy of © TOYOTA, LICENSE AGREEMENT TMS1002

    NEXT 

  22. SET TIRE PRESSURE TO NORMAL VALUE 
    1. Set the tire pressure of 4 wheels to the specified value.
      TIRE SIZE SPECIFICATIONS

      Tire Size Specified Value
      225/50R17 94W 230 kPa (2.3 kgf/cm2 , 33 psi)
      P225/50R17 93V
      245/40R18 93Y
      P245/40R18 93V

    NEXT 

  23. PERFORM FORCED TRANSMISSION OF TRANSMITTER ID 
    1. Remove the valve core of tire "A", rapidly reduce the tire pressure, and perform forced transmission of the transmitter ID of the tire pressure monitor valve subassembly.
      Fig 17: Identifying Valve Core Of Tire A
      G04029517Courtesy of © TOYOTA, LICENSE AGREEMENT TMS1002

    NEXT 

  24. CHECK DTC AGAIN 
    1. Check for DTC.

      OK: 

      DTC is not output. 

      HINT:

      • If a DTC is output, replace the identified tire pressure monitor valve sub-assembly.
      • Before installing a new tire pressure monitor valve sub-assembly, read and write down its transmitter ID.
      • Register the transmitter ID after replacement, and then set the tire pressure to the specified value.

    NG : REPLACE TIRE PRESSURE MONITOR VALVE SUB-ASSEMBLY 

    OK : REPLACE TIRE PRESSURE MONITOR RECEIVER ASSEMBLY