LEMON Manuals: Even more car manuals for everyone: 1960-2025
Home >> Lexus >> 2006 >> IS 250 AWD >> Repair and Diagnosis (Single Page) >> Engine Performance >> Remove, Overhaul & Install >> Engine Control System (4GR-FSE) - DTC P0171 - P0560 >> DTC P0190: Fuel Rail Pressure Sensor Circuit; DTC P0192: Fuel Rail Pressure Sensor Circuit Low Input; DTC P0193: Fuel Rail Pressure Sensor Circuit High Input >> Wiring Diagram
April 5, 2026: LEMON Manuals is launched! Read the announcement.

DTC P0190: Fuel Rail Pressure Sensor Circuit; DTC P0192: Fuel Rail Pressure Sensor Circuit Low Input; DTC P0193: Fuel Rail Pressure Sensor Circuit High Input: Wiring Diagram

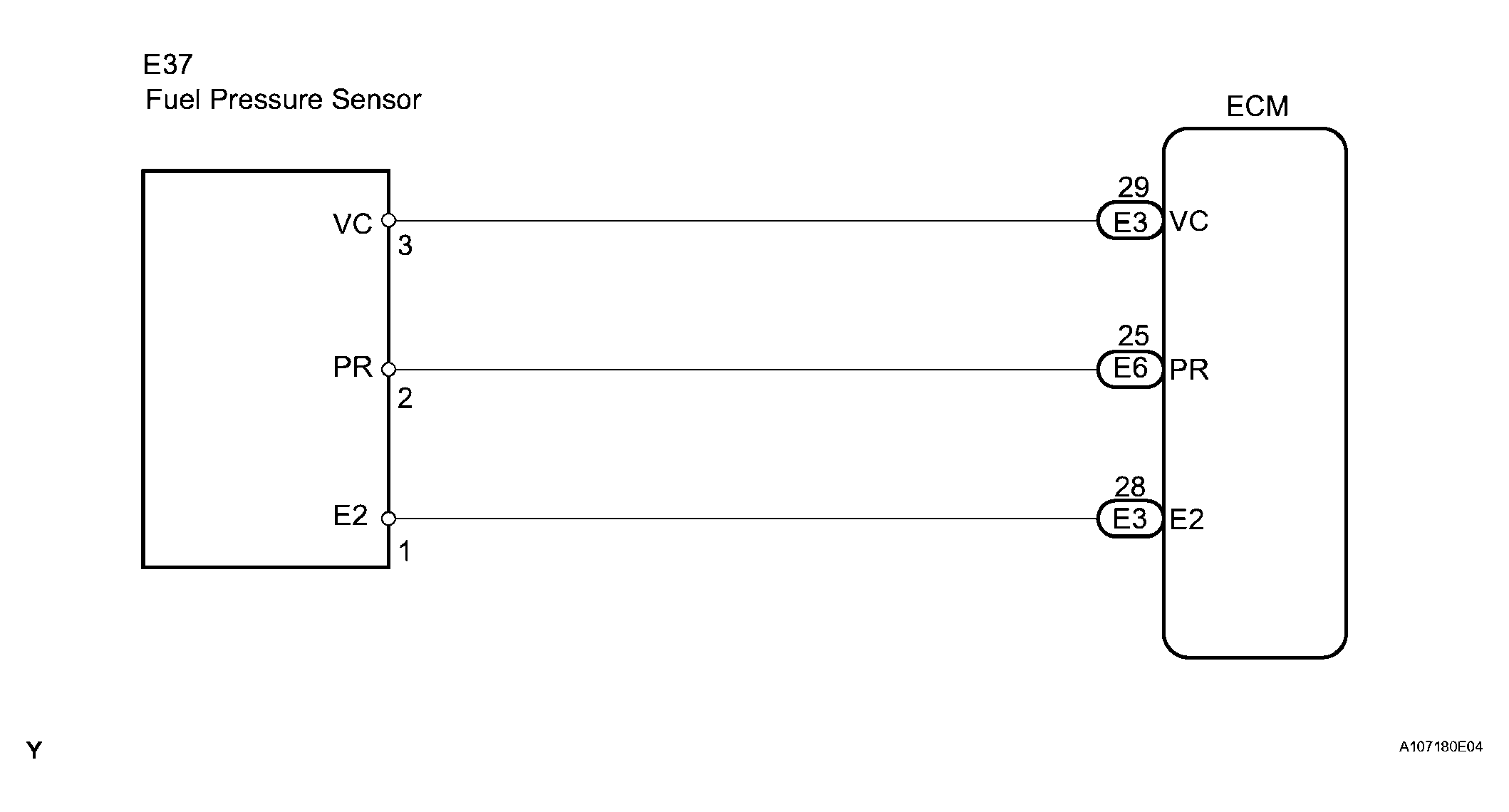
Fig 1: Wiring Diagram - Fuel Rail Pressure Sensor Circuit
G04043598Courtesy of © TOYOTA, LICENSE AGREEMENT TMS1002

HINT:

  1. READ VALUE OF INTELLIGENT TESTER (FUEL PRESSURE) 
    1. Connect the intelligent tester to the DLC3.
    2. Start the engine.
    3. Turn the intelligent tester on.
    4. Enter the following menus: DIAGNOSIS / ENHANCED OBD II / DATA LIST / PRIMARY / FUEL PRESS.
    5. Read the values.

    Pressure: 

    4 to 13 MPa (40.8 to 132.6 kgf/cm 2  , 580 to 1, 885 psi). 

    Result 

    RESULT CHART

    Fuel Pressure (MPa) Proceed to
    19.6 or more A
    0.0 B
    OK (4 to 13 MPa (40.8 to 132.6 kgf/cm2 , 580 to 1, 885 psi)) (1) C
    HINT:
    (1) The value must be changed when the engine is running or stopped.

    B : Go to step  3

    C : CHECK FOR INTERMITTENT PROBLEMS 

    A : Go To Next Step 

  2. INSPECT FUEL PRESSURE SENSOR (VC VOLTAGE) 
    1. Disconnect the E37 fuel pressure sensor connector.
    2. Turn the engine switch on (IG).
    3. Measure the voltage according to the value(s) in the table below.

    Standard voltage 

    TESTER CONNECTION SPECIFIED CONDITION CHART

    Tester Connection Specified Condition
    VC (E37-3) - E2 (E37-1) 4.5 to 5.5 V

    NG : Go to step  4

    Fig 2: Inspecting Fuel Pressure Sensor (VC Voltage)
    G04043599Courtesy of © TOYOTA, LICENSE AGREEMENT TMS1002

    OK : Go To Next Step 

  3. INSPECT ECM (PR VOLTAGE) 
    1. Start the engine.
    2. Measure the voltage according to the value(s) in the table below.

    Standard voltage 

    TESTER CONNECTION SPECIFIED CONDITION CHART

    Tester Connection Condition Specified Condition
    PR (E6-25) - E2 (E3-28) 25°C (77°F) 1.8 to 2.3 V

    HINT:

    The fuel pressure in the delivery pipe is 4 to 13 MPa (40.8 to 132.6 kgf/cm2 , 580 to 1, 885 psi).

    NG : Go to step  5

    Fig 3: Inspecting ECM (PR Voltage)
    G04043600Courtesy of © TOYOTA, LICENSE AGREEMENT TMS1002

    OK : REPLACE ECM 

  4. CHECK HARNESS AND CONNECTOR (ECM - FUEL PRESSURE SENSOR) 
    1. Disconnect the E3 and E6 ECM connectors.
    2. Disconnect the E37 fuel pressure sensor connector.
    3. Measure the resistance according to the value(s) in the table below.

      Standard resistance (Check for open) 

      TESTER CONNECTION SPECIFIED CONDITION CHART

      Tester Connection Specified Condition
      VC (E3-29) - VC (E37-3) Below 1 Ω
      PR (E6-25) - PR (E37-2) Below 1 Ω
      E2 (E3-28) - E2 (E37-1) Below 1 Ω

      Standard resistance (Check for short) 

      TESTER CONNECTION SPECIFIED CONDITION CHART

      Tester Connection Specified Condition
      VC (E3-29) or VC (E37-3) - Body ground 10 kΩ or higher
      PR (E6-25) or PR (E37-2) - Body ground 10 kΩ or higher
    4. Reconnect the ECM connector.
    5. Reconnect the fuel pressure sensor connector.

    NG : REPAIR OR REPLACE HARNESS OR CONNECTOR 

    Fig 4: Identifying E3 And E6 ECM Connectors
    G04043601Courtesy of © TOYOTA, LICENSE AGREEMENT TMS1002

    OK : REPLACE ECM 

  5. CHECK HARNESS AND CONNECTOR (ECM - FUEL PRESSURE SENSOR) 
    1. Disconnect the E37 fuel pressure sensor connector.
    2. Disconnect the E6 ECM connector.
    3. Measure the resistance according to the value(s) in the table below.

      Standard resistance (Check for short) 

      TESTER CONNECTION SPECIFIED CONDITION CHART

      Tester Connection Specified Condition
      PR (E6-25) or PR (E37-2) - Body ground 10 kΩ or higher
    4. Reconnect the ECM connector.
    5. Reconnect the fuel pressure sensor connector.

    NG : REPAIR OR REPLACE HARNESS OR CONNECTOR 

    Fig 5: Checking ECM - Fuel Pressure Sensor
    G04043602Courtesy of © TOYOTA, LICENSE AGREEMENT TMS1002

    OK : REPLACE FUEL PRESSURE SENSOR