LEMON Manuals: Even more car manuals for everyone: 1960-2025
Home >> Lexus >> 2006 >> IS 250 AWD >> Repair and Diagnosis (Single Page) >> Engine Performance >> System >> Engine Control System (4GR-FSE) - SFI System Diagnostic And Troubleshooting Introduction, Parts Location, System Diagram, Terminals Of ECM, Diagnostic Trouble Code Chart >> SFI System >> System Diagram
April 5, 2026: LEMON Manuals is launched! Read the announcement.

System Diagram

Fig 1: SFI System Diagram (1 Of 5)
G04043443Courtesy of © TOYOTA, LICENSE AGREEMENT TMS1002
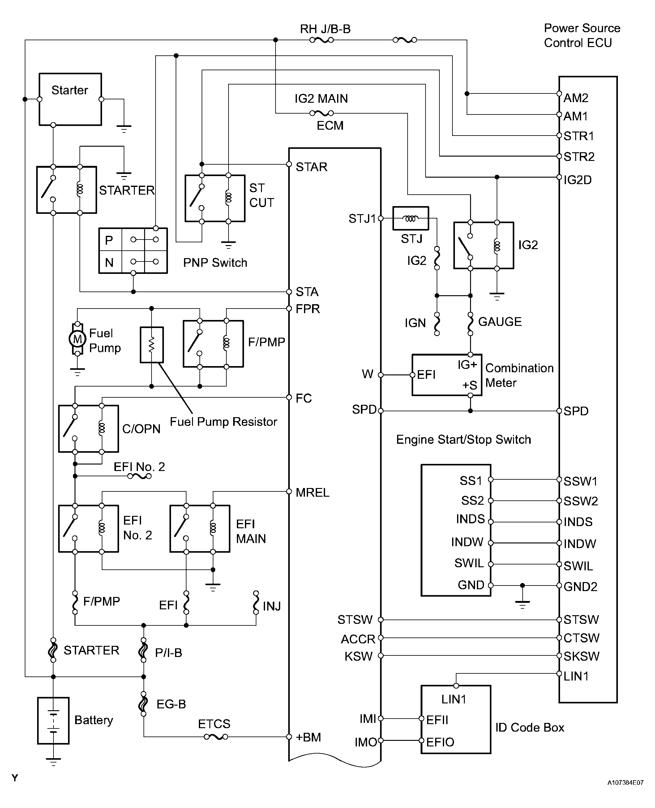
Fig 2: SFI System Diagram (2 Of 5)
G04043444Courtesy of © TOYOTA, LICENSE AGREEMENT TMS1002
Fig 3: SFI System Diagram (3 Of 5)
G04043445Courtesy of © TOYOTA, LICENSE AGREEMENT TMS1002
Fig 4: SFI System Diagram (4 Of 5)
G04043446Courtesy of © TOYOTA, LICENSE AGREEMENT TMS1002
Fig 5: SFI System Diagram (5 Of 5)
G04043447Courtesy of © TOYOTA, LICENSE AGREEMENT TMS1002