LEMON Manuals: Even more car manuals for everyone: 1960-2025
Home >> Lexus >> 2006 >> LS 430 >> Repair and Diagnosis >> Body & Frame >> Windows >> Windshield/Window Glass/Mirror >> Power Mirror Control System >> System Diagram
April 5, 2026: LEMON Manuals is launched! Read the announcement.

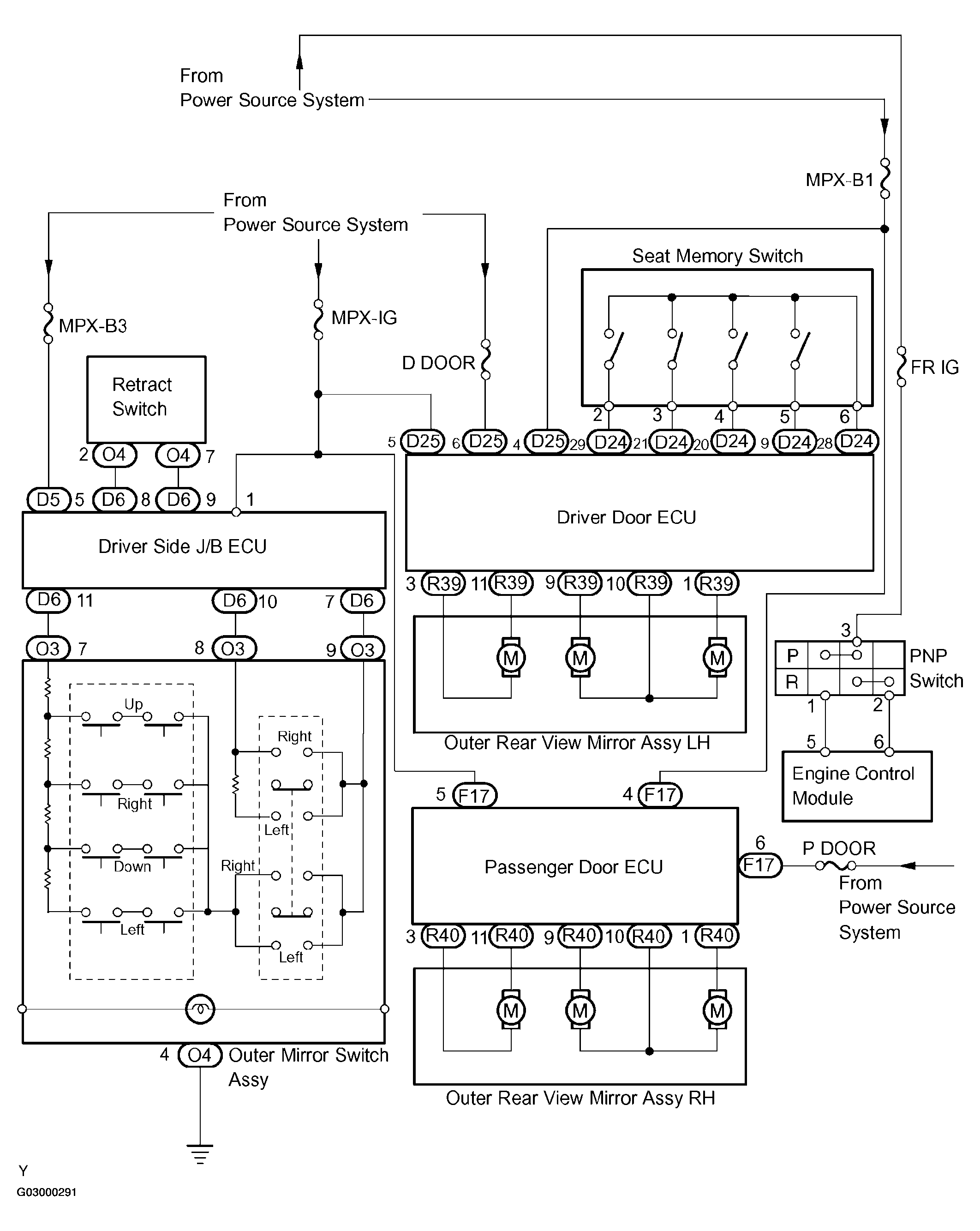
System Diagram

Fig 1: Power Mirror Control System Diagram
G03000291Courtesy of © TOYOTA, LICENSE AGREEMENT TMS1002