LEMON Manuals: Even more car manuals for everyone: 1960-2025
Home >> Lexus >> 2007 >> GS 450h >> Repair and Diagnosis (Single Page) >> Body & Frame >> Windows >> Windshield/WINDOWGLASS >> Power Window Control System >> Front Passenger Side Power Window does not Operate with Front Passenger Side Power Window Switch >> Wiring Diagram
April 5, 2026: LEMON Manuals is launched! Read the announcement.

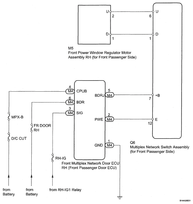
Front Passenger Side Power Window does not Operate with Front Passenger Side Power Window Switch: Wiring Diagram

Fig 1: Front Passenger Side Power Window Does Not Operate With Front Passenger Side Power Window Switch - Wiring Diagram
G05314982Courtesy of © TOYOTA, LICENSE AGREEMENT TMS1002