LEMON Manuals: Even more car manuals for everyone: 1960-2025
Home >> Lexus >> 2007 >> GX 470 >> Repair and Diagnosis >> Electrical >> Body Electrical >> OEM System Circuits >> Audio System without LEXUS Navigation System >> Notes
April 5, 2026: LEMON Manuals is launched! Read the announcement.

Audio System without LEXUS Navigation System: Notes

Fig 1: Audio System Without LEXUS Navigation System Wiring Diagram (1 Of 8)
G08917697Courtesy of © TOYOTA, LICENSE AGREEMENT TMS1002
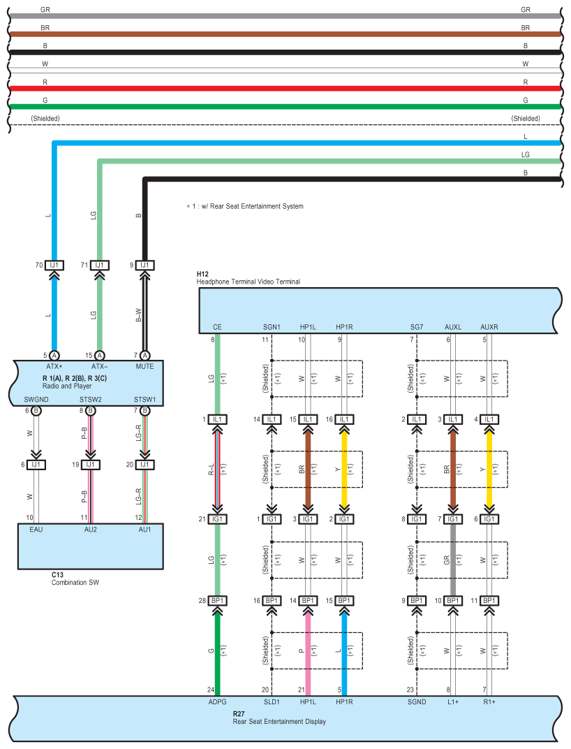
Fig 2: Audio System Without LEXUS Navigation System Wiring Diagram (2 Of 8)
G08917698Courtesy of © TOYOTA, LICENSE AGREEMENT TMS1002
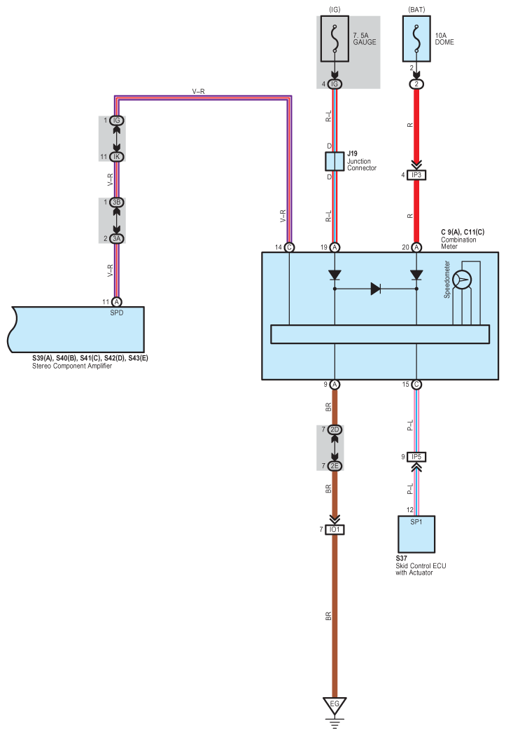
Fig 3: Audio System Without LEXUS Navigation System Wiring Diagram (3 Of 8)
G08917699Courtesy of © TOYOTA, LICENSE AGREEMENT TMS1002
Fig 4: Audio System Without LEXUS Navigation System Wiring Diagram (4 Of 8)
G08917700Courtesy of © TOYOTA, LICENSE AGREEMENT TMS1002
Fig 5: Audio System Without LEXUS Navigation System Wiring Diagram (5 Of 8)
G08917701Courtesy of © TOYOTA, LICENSE AGREEMENT TMS1002
Fig 6: Audio System Without LEXUS Navigation System Wiring Diagram (6 Of 8)
G08917702Courtesy of © TOYOTA, LICENSE AGREEMENT TMS1002
Fig 7: Audio System Without LEXUS Navigation System Wiring Diagram (7 Of 8)
G08917703Courtesy of © TOYOTA, LICENSE AGREEMENT TMS1002
Fig 8: Audio System Without LEXUS Navigation System Wiring Diagram (8 Of 8)
G08917704Courtesy of © TOYOTA, LICENSE AGREEMENT TMS1002