LEMON Manuals: Even more car manuals for everyone: 1960-2025
Home >> Lexus >> 2007 >> GX 470 >> Repair and Diagnosis >> Electrical >> Body Electrical >> OEM System Circuits >> Center Differential Lock >> Notes
April 5, 2026: LEMON Manuals is launched! Read the announcement.

Center Differential Lock: Notes

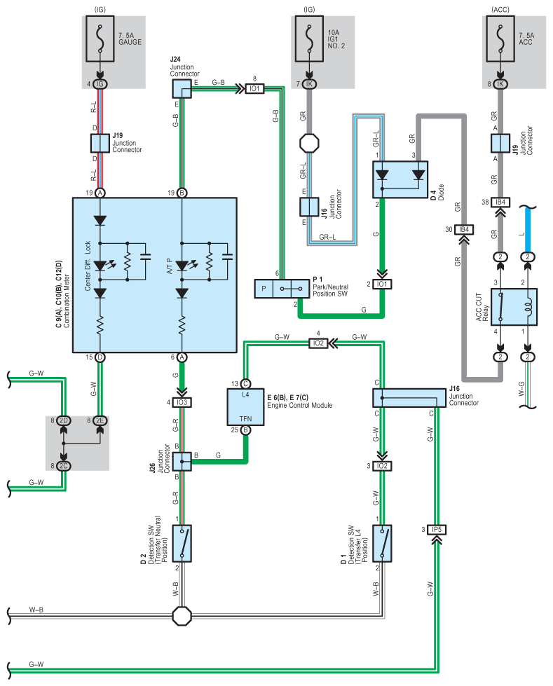
Fig 1: Center Differential Lock System Wiring Diagram (1 Of 2)
G08917644Courtesy of © TOYOTA, LICENSE AGREEMENT TMS1002
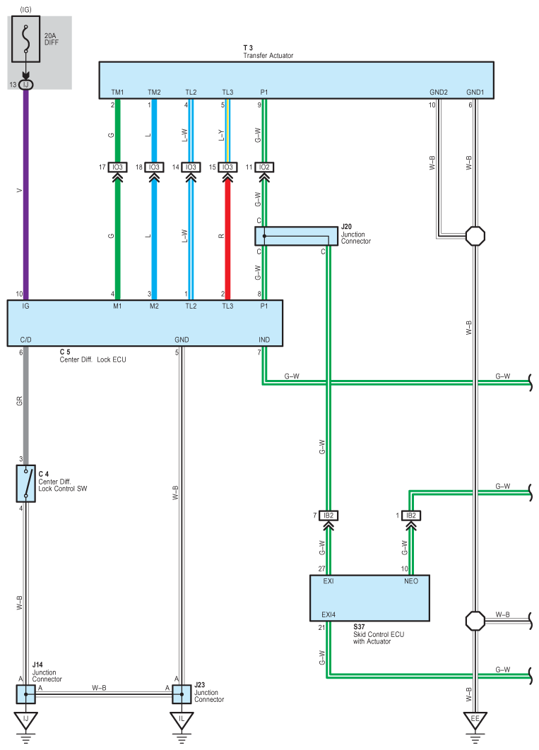
Fig 2: Center Differential Lock System Wiring Diagram (2 Of 2)
G08917645Courtesy of © TOYOTA, LICENSE AGREEMENT TMS1002