LEMON Manuals: Even more car manuals for everyone: 1960-2025
Home >> Lexus >> 2007 >> GX 470 >> Repair and Diagnosis >> Electrical >> Body Electrical >> OEM System Circuits >> LEXUS Link System (Mayday System) >> Notes
April 5, 2026: LEMON Manuals is launched! Read the announcement.

LEXUS Link System (Mayday System): Notes

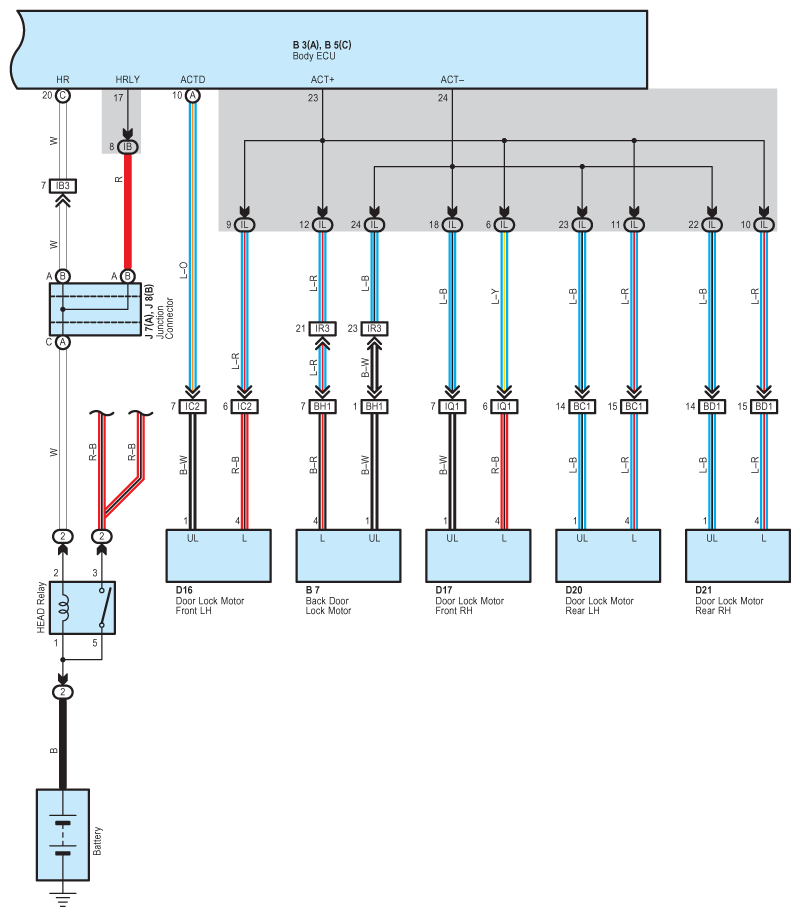
Fig 1: LEXUS Link System (Mayday System) System Wiring Diagram (1 Of 4)
G08917678Courtesy of © TOYOTA, LICENSE AGREEMENT TMS1002
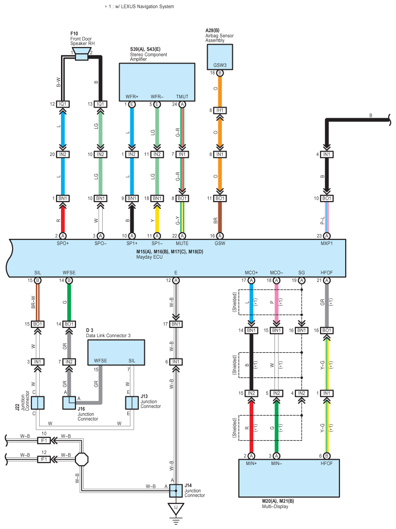
Fig 2: LEXUS Link System (Mayday System) System Wiring Diagram (2 Of 4)
G08917679Courtesy of © TOYOTA, LICENSE AGREEMENT TMS1002
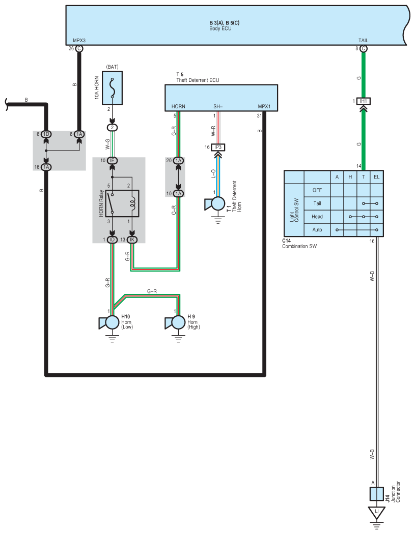
Fig 3: LEXUS Link System (Mayday System) System Wiring Diagram (3 Of 4)
G08917680Courtesy of © TOYOTA, LICENSE AGREEMENT TMS1002
Fig 4: LEXUS Link System (Mayday System) System Wiring Diagram (4 Of 4)
G08917681Courtesy of © TOYOTA, LICENSE AGREEMENT TMS1002