LEMON Manuals: Even more car manuals for everyone: 1960-2025
Home >> Lexus >> 2007 >> GX 470 >> Repair and Diagnosis >> Electrical >> Body Electrical >> OEM System Circuits >> Multiplex Communication System - BEAN >> Notes
April 5, 2026: LEMON Manuals is launched! Read the announcement.

Multiplex Communication System - BEAN: Notes

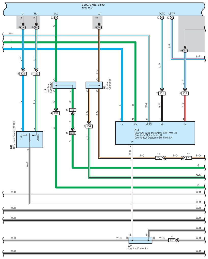
Fig 1: Multiplex Communication System - BEAN System Wiring Diagram (1 Of 21)
G08917540Courtesy of © TOYOTA, LICENSE AGREEMENT TMS1002
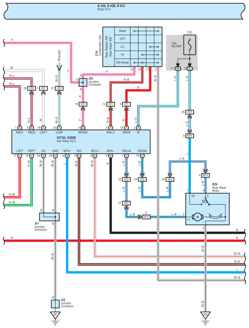
Fig 2: Multiplex Communication System - BEAN System Wiring Diagram (2 Of 21)
G08917541Courtesy of © TOYOTA, LICENSE AGREEMENT TMS1002
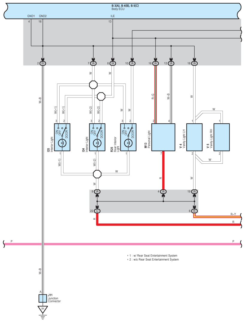
Fig 3: Multiplex Communication System - BEAN System Wiring Diagram (3 Of 21)
G08917542Courtesy of © TOYOTA, LICENSE AGREEMENT TMS1002
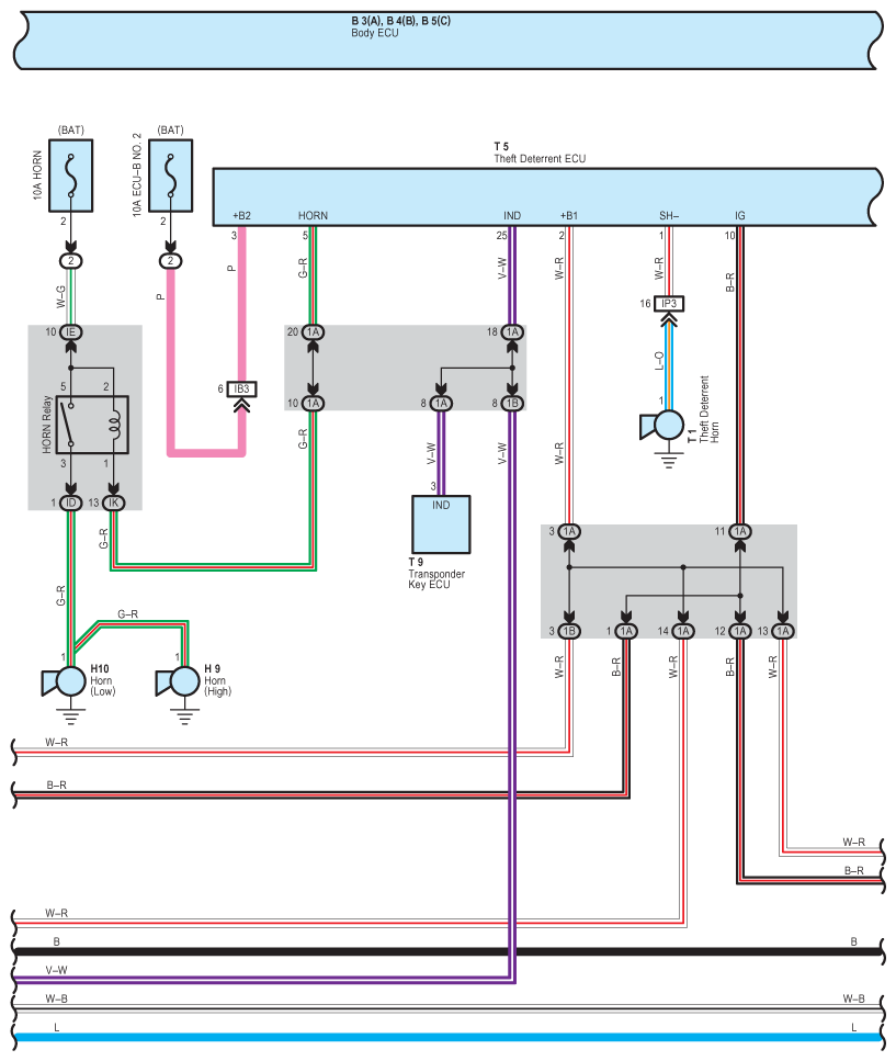
Fig 4: Multiplex Communication System - BEAN System Wiring Diagram (4 Of 21)
G08917543Courtesy of © TOYOTA, LICENSE AGREEMENT TMS1002
Fig 5: Multiplex Communication System - BEAN System Wiring Diagram (5 Of 21)
G08917544Courtesy of © TOYOTA, LICENSE AGREEMENT TMS1002
Fig 6: Multiplex Communication System - BEAN System Wiring Diagram (6 Of 21)
G08917545Courtesy of © TOYOTA, LICENSE AGREEMENT TMS1002
Fig 7: Multiplex Communication System - BEAN System Wiring Diagram (7 Of 21)
G08917546Courtesy of © TOYOTA, LICENSE AGREEMENT TMS1002
Fig 8: Multiplex Communication System - BEAN System Wiring Diagram (8 Of 21)
G08917547Courtesy of © TOYOTA, LICENSE AGREEMENT TMS1002
Fig 9: Multiplex Communication System - BEAN System Wiring Diagram (9 Of 21)
G08917548Courtesy of © TOYOTA, LICENSE AGREEMENT TMS1002
Fig 10: Multiplex Communication System - BEAN System Wiring Diagram (10 Of 21)
G08917549Courtesy of © TOYOTA, LICENSE AGREEMENT TMS1002
Fig 11: Multiplex Communication System - BEAN System Wiring Diagram (11 Of 21)
G08917550Courtesy of © TOYOTA, LICENSE AGREEMENT TMS1002
Fig 12: Multiplex Communication System - BEAN System Wiring Diagram (12 Of 21)
G08917551Courtesy of © TOYOTA, LICENSE AGREEMENT TMS1002
Fig 13: Multiplex Communication System - BEAN System Wiring Diagram (13 Of 21)
G08917552Courtesy of © TOYOTA, LICENSE AGREEMENT TMS1002
Fig 14: Multiplex Communication System - BEAN System Wiring Diagram (14 Of 21)
G08917553Courtesy of © TOYOTA, LICENSE AGREEMENT TMS1002
Fig 15: Multiplex Communication System - BEAN System Wiring Diagram (15 Of 21)
G08917554Courtesy of © TOYOTA, LICENSE AGREEMENT TMS1002
Fig 16: Multiplex Communication System - BEAN System Wiring Diagram (16 Of 21)
G08917555Courtesy of © TOYOTA, LICENSE AGREEMENT TMS1002
Fig 17: Multiplex Communication System - BEAN System Wiring Diagram (17 Of 21)
G08917556Courtesy of © TOYOTA, LICENSE AGREEMENT TMS1002
Fig 18: Multiplex Communication System - BEAN System Wiring Diagram (18 Of 21)
G08917557Courtesy of © TOYOTA, LICENSE AGREEMENT TMS1002
Fig 19: Multiplex Communication System - BEAN System Wiring Diagram (19 Of 21)
G08917558Courtesy of © TOYOTA, LICENSE AGREEMENT TMS1002
Fig 20: Multiplex Communication System - BEAN System Wiring Diagram (20 Of 21)
G08917559Courtesy of © TOYOTA, LICENSE AGREEMENT TMS1002
Fig 21: Multiplex Communication System - BEAN System Wiring Diagram (21 Of 21)
G08917560Courtesy of © TOYOTA, LICENSE AGREEMENT TMS1002