LEMON Manuals: Even more car manuals for everyone: 1960-2025
Home >> Lexus >> 2007 >> LS 460L >> Repair and Diagnosis (Single Page) >> External Pages >> Different car >> Section 629 (Power Control System) >> Power Distribution System >> Ecu Diagnosis >> IPDM E/R (Intelligent Power Distribution Module Engine Room) >> Wiring Diagram
April 5, 2026: LEMON Manuals is launched! Read the announcement.

IPDM E/R (Intelligent Power Distribution Module Engine Room): Wiring Diagram

WARNING: This page is about a different car, the 2009 Nissan Maxima. However, it is still accessible from the selected car via links, so may be relevant.
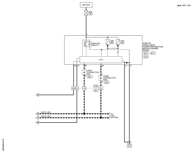
Fig 1: Power Distribution System - Wiring Diagram (1 Of 2)
G05879050Courtesy of NISSAN MOTOR CO., U.S.A.
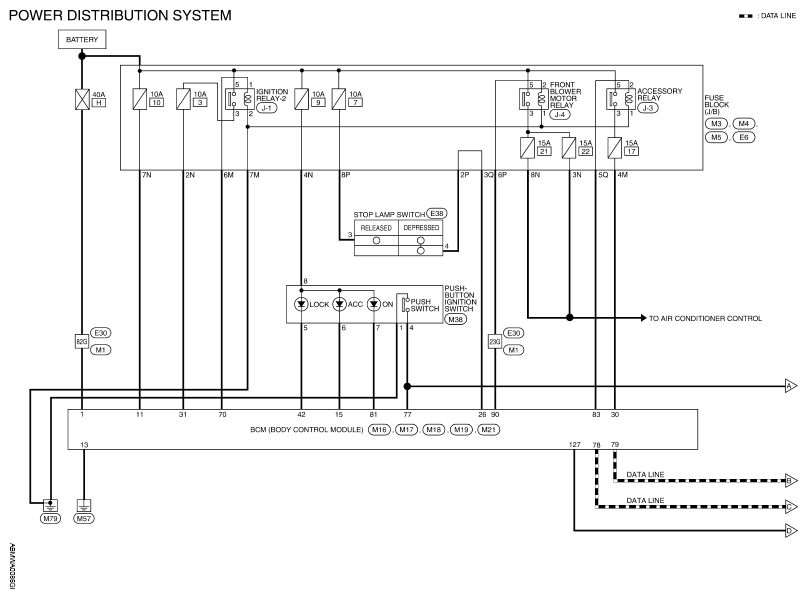
Fig 2: Power Distribution System - Wiring Diagram (2 Of 2)
G05874328Courtesy of NISSAN MOTOR CO., U.S.A.
Fig 3: Identifying Power Distribution System Connectors (1 Of 5)
G05879052Courtesy of NISSAN MOTOR CO., U.S.A.
Fig 4: Identifying Power Distribution System Connectors (2 Of 5)
G05879053Courtesy of NISSAN MOTOR CO., U.S.A.
Fig 5: Identifying Power Distribution System Connectors (3 Of 5)
G05879054Courtesy of NISSAN MOTOR CO., U.S.A.
Fig 6: Identifying Power Distribution System Connectors (4 Of 5)
G05879055Courtesy of NISSAN MOTOR CO., U.S.A.
Fig 7: Identifying Power Distribution System Connectors (5 Of 5)
G05879056Courtesy of NISSAN MOTOR CO., U.S.A.