LEMON Manuals: Even more car manuals for everyone: 1960-2025
Home >> Lexus >> 2007 >> LS 460L >> Repair and Diagnosis (Single Page) >> External Pages >> Different car >> Section 746 (Engine Control System - System And Component Testing) >> Mil And Data Link Connector >> Wiring Diagram
April 5, 2026: LEMON Manuals is launched! Read the announcement.

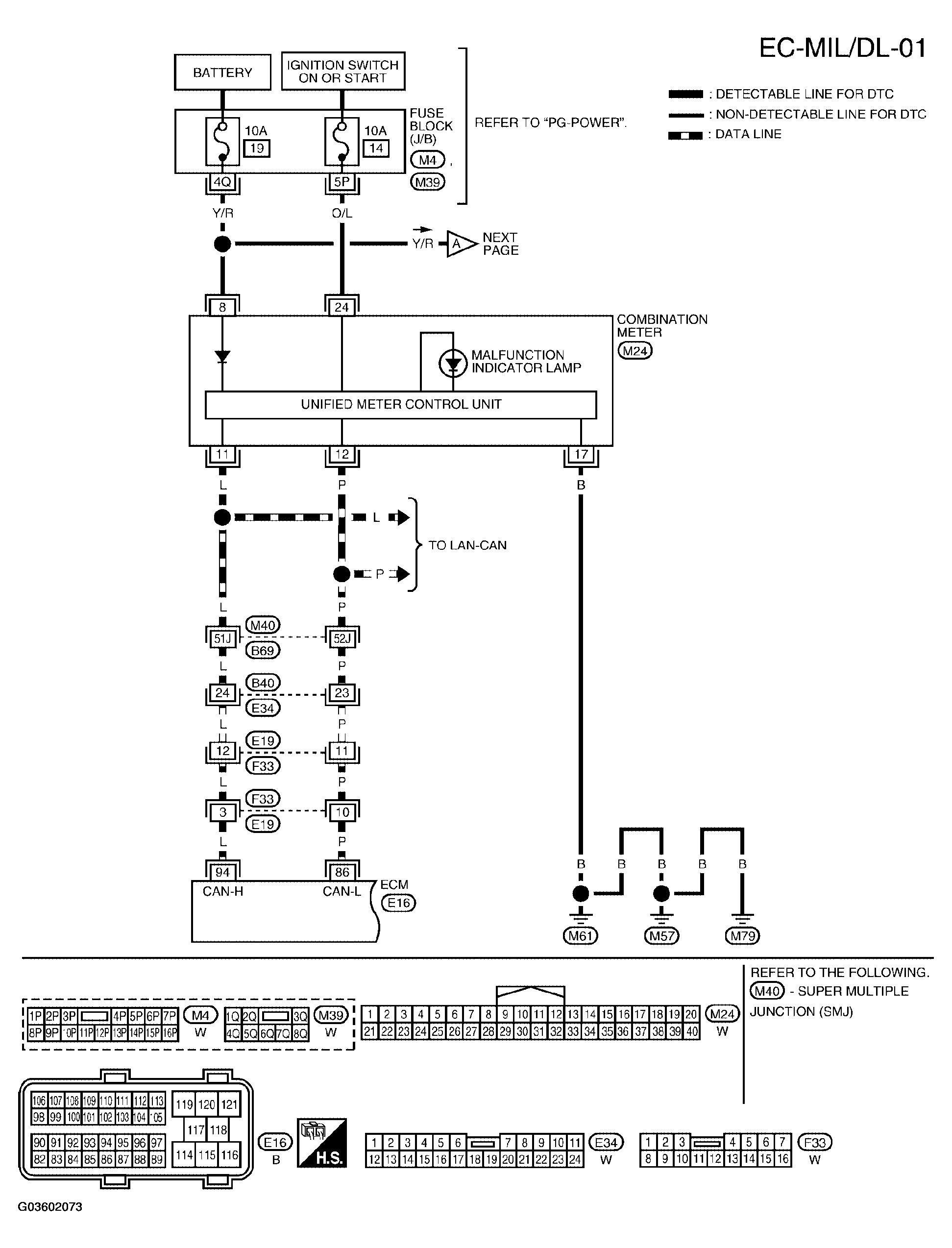
Mil And Data Link Connector: Wiring Diagram

WARNING: This page is about a different car, the 2005 Nissan Titan. However, it is still accessible from the selected car via links, so may be relevant.
Fig 1: Wiring Diagram - EC-MIL/DL-01
G03602073Courtesy of NISSAN MOTOR CO., U.S.A.
Fig 2: Wiring Diagram - EC-MIL/DL-02
G03602074Courtesy of NISSAN MOTOR CO., U.S.A.