LEMON Manuals: Even more car manuals for everyone: 1960-2025
Home >> Lexus >> 2007 >> LS 460L >> Repair and Diagnosis >> External Pages >> Different car >> Section 71 (Front Final Drive) >> Front Final Drive Assembly >> Removal And Installation >> Notes
April 5, 2026: LEMON Manuals is launched! Read the announcement.

Removal And Installation: Notes

WARNING: This page is about a different car, the 2004 Nissan Titan. However, it is still accessible from the selected car via links, so may be relevant.
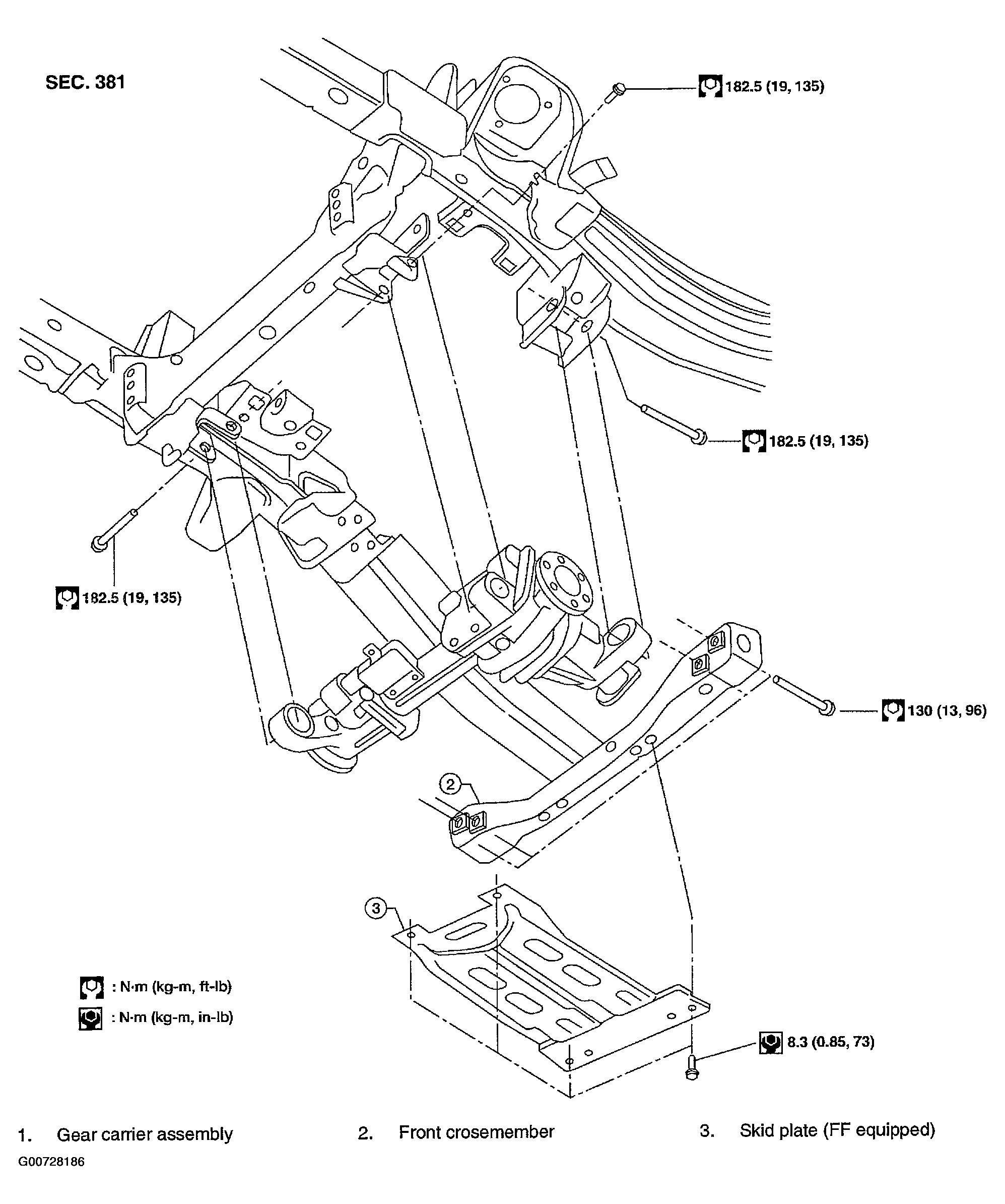
Fig 1: Removing & Installing Front Final Drive Assembly With Torque Specifications
G00728186Courtesy of NISSAN MOTOR CO., U.S.A.