LEMON Manuals: Even more car manuals for everyone: 1960-2025
Home >> Lexus >> 2008 >> GX 470 >> Repair and Diagnosis >> Electrical >> Body Electrical >> OEM System Circuits >> Audio System with LEXUS Navigation System >> Notes
April 5, 2026: LEMON Manuals is launched! Read the announcement.

Audio System with LEXUS Navigation System: Notes

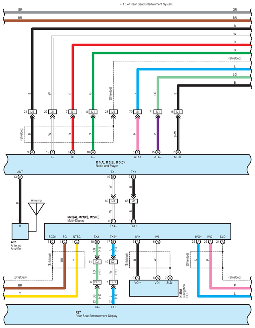
Fig 1: Audio System With Lexus Navigation System - Circuit Diagram (1 Of 9)
G07613492Courtesy of © TOYOTA, LICENSE AGREEMENT TMS1002
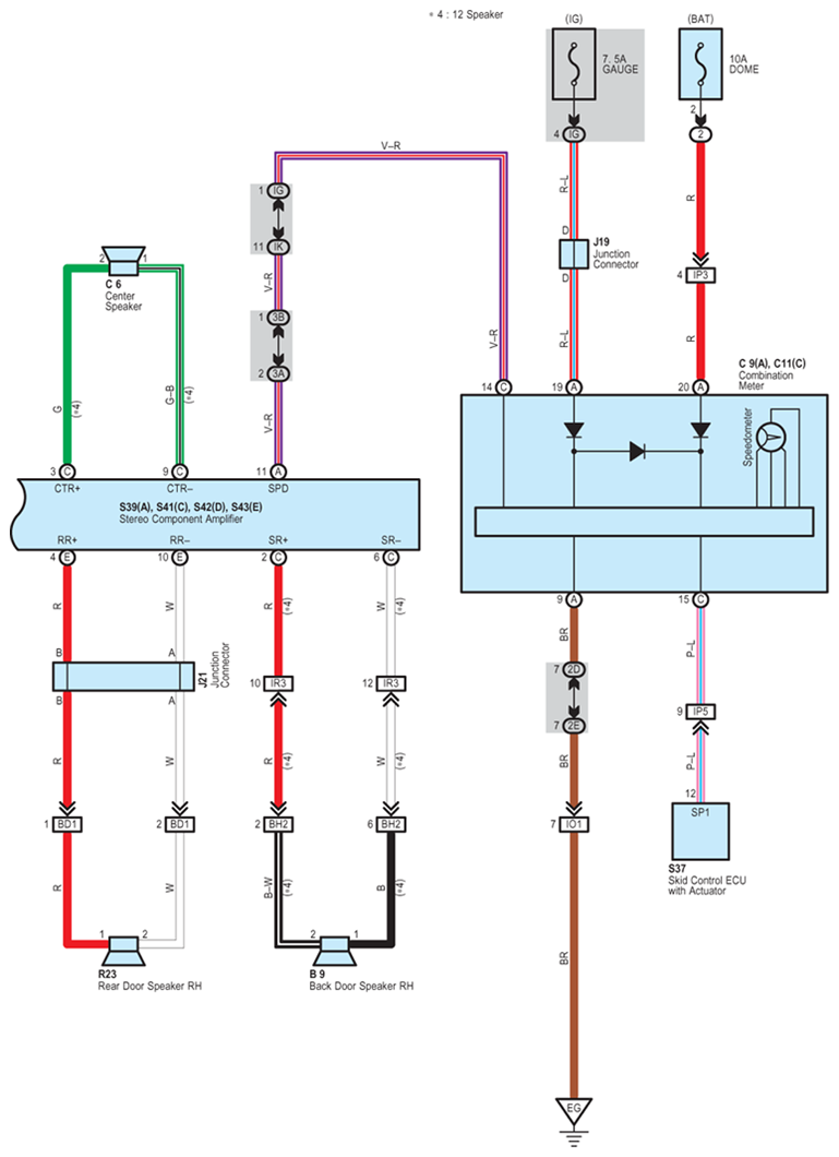
Fig 2: Audio System With Lexus Navigation System - Circuit Diagram (2 Of 9)
G07613493Courtesy of © TOYOTA, LICENSE AGREEMENT TMS1002
Fig 3: Audio System With Lexus Navigation System - Circuit Diagram (3 Of 9)
G07613494Courtesy of © TOYOTA, LICENSE AGREEMENT TMS1002
Fig 4: Audio System With Lexus Navigation System - Circuit Diagram (4 Of 9)
G07613495Courtesy of © TOYOTA, LICENSE AGREEMENT TMS1002
Fig 5: Audio System With Lexus Navigation System - Circuit Diagram (5 Of 9)
G07613496Courtesy of © TOYOTA, LICENSE AGREEMENT TMS1002
Fig 6: Audio System With Lexus Navigation System - Circuit Diagram (6 Of 9)
G07613497Courtesy of © TOYOTA, LICENSE AGREEMENT TMS1002
Fig 7: Audio System With Lexus Navigation System - Circuit Diagram (7 Of 9)
G07613498Courtesy of © TOYOTA, LICENSE AGREEMENT TMS1002
Fig 8: Audio System With Lexus Navigation System - Circuit Diagram (8 Of 9)
G07613499Courtesy of © TOYOTA, LICENSE AGREEMENT TMS1002
Fig 9: Audio System With Lexus Navigation System - Circuit Diagram (9 Of 9)
G07613500Courtesy of © TOYOTA, LICENSE AGREEMENT TMS1002