LEMON Manuals: Even more car manuals for everyone: 1960-2025
Home >> Lexus >> 2008 >> IS 250 RWD, Automatic >> Repair and Diagnosis >> External Pages >> Different car >> Section 21 (Brake Control / Dynamic Control Systems) >> Vehicle Stability Control System >> DTC C1249/49 Open in Stop Light Switch Circuit >> Wiring Diagram
April 5, 2026: LEMON Manuals is launched! Read the announcement.

DTC C1249/49 Open in Stop Light Switch Circuit: Wiring Diagram

WARNING: This page is about a different car, the 2008 Lexus IS F. However, it is still accessible from the selected car via links, so may be relevant.
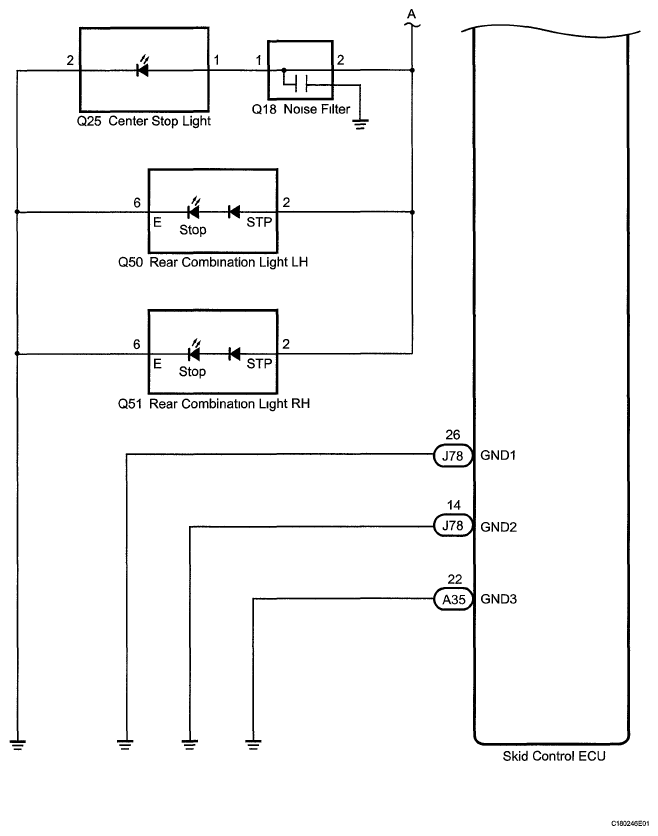
Fig 1: Stop Light Switch Wiring Diagram (1 Of 2)
G05752620Courtesy of © TOYOTA, LICENSE AGREEMENT TMS1002
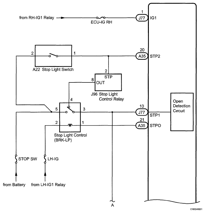
Fig 2: Stop Light Switch Wiring Diagram (2 Of 2)
G05752621Courtesy of © TOYOTA, LICENSE AGREEMENT TMS1002