LEMON Manuals: Even more car manuals for everyone: 1960-2025
Home >> Lexus >> 2008 >> IS 350 >> Repair and Diagnosis >> Body & Frame >> Windows >> Windshield/WINDOWGLASS >> Window Defogger System >> Rear Window Defogger System does not Operate >> Wiring Diagram
April 5, 2026: LEMON Manuals is launched! Read the announcement.

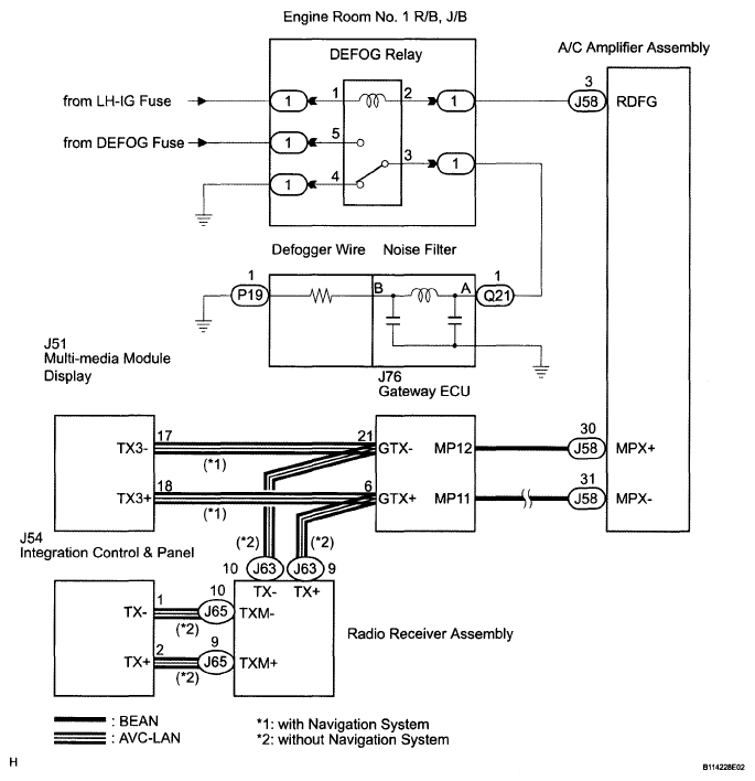
Rear Window Defogger System does not Operate: Wiring Diagram

Fig 1: Rear Window Defogger System Does Not Operate - Wiring Diagram
G05832916Courtesy of © TOYOTA, LICENSE AGREEMENT TMS1002