LEMON Manuals: Even more car manuals for everyone: 1960-2025
Home >> Lexus >> 2008 >> LS 460L >> Repair and Diagnosis >> Electrical >> Body Electrical >> OEM System Circuits >> Audio System with SDARS >> Notes
April 5, 2026: LEMON Manuals is launched! Read the announcement.

Audio System with SDARS: Notes

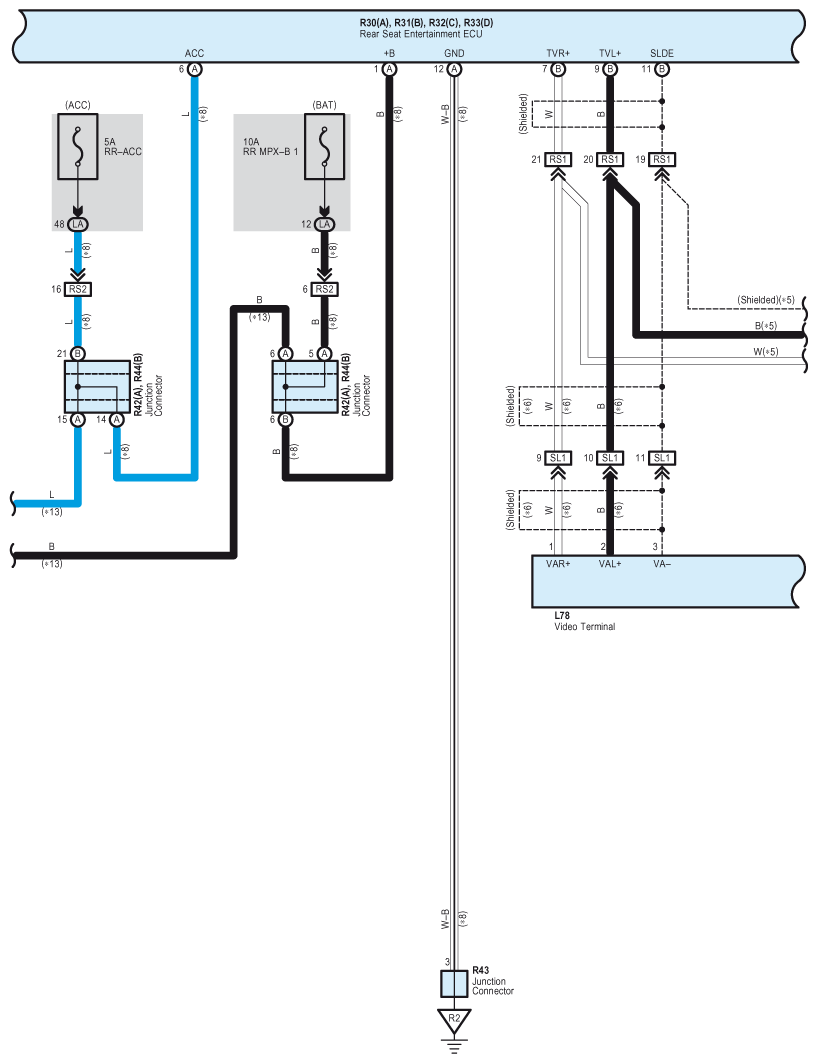
Fig 1: Audio System With SDARS - Circuit Diagram (1 Of 17)
G07598491Courtesy of © TOYOTA, LICENSE AGREEMENT TMS1002
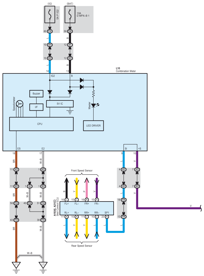
Fig 2: Audio System With SDARS - Circuit Diagram (2 Of 17)
G07598492Courtesy of © TOYOTA, LICENSE AGREEMENT TMS1002
Fig 3: Audio System With SDARS - Circuit Diagram (3 Of 17)
G07598493Courtesy of © TOYOTA, LICENSE AGREEMENT TMS1002
Fig 4: Audio System With SDARS - Circuit Diagram (4 Of 17)
G07598494Courtesy of © TOYOTA, LICENSE AGREEMENT TMS1002
Fig 5: Audio System With SDARS - Circuit Diagram (5 Of 17)
G07598495Courtesy of © TOYOTA, LICENSE AGREEMENT TMS1002
Fig 6: Audio System With SDARS - Circuit Diagram (6 Of 17)
G07598496Courtesy of © TOYOTA, LICENSE AGREEMENT TMS1002
Fig 7: Audio System With SDARS - Circuit Diagram (7 Of 17)
G07598497Courtesy of © TOYOTA, LICENSE AGREEMENT TMS1002
Fig 8: Audio System With SDARS - Circuit Diagram (8 Of 17)
G07598498Courtesy of © TOYOTA, LICENSE AGREEMENT TMS1002
Fig 9: Audio System With SDARS - Circuit Diagram (9 Of 17)
G07598499Courtesy of © TOYOTA, LICENSE AGREEMENT TMS1002
Fig 10: Audio System With SDARS - Circuit Diagram (10 Of 17)
G07598500Courtesy of © TOYOTA, LICENSE AGREEMENT TMS1002
Fig 11: Audio System With SDARS - Circuit Diagram (11 Of 17)
G07598501Courtesy of © TOYOTA, LICENSE AGREEMENT TMS1002
Fig 12: Audio System With SDARS - Circuit Diagram (12 Of 17)
G07598502Courtesy of © TOYOTA, LICENSE AGREEMENT TMS1002
Fig 13: Audio System With SDARS - Circuit Diagram (13 Of 17)
G07598503Courtesy of © TOYOTA, LICENSE AGREEMENT TMS1002
Fig 14: Audio System With SDARS - Circuit Diagram (14 Of 17)
G07598504Courtesy of © TOYOTA, LICENSE AGREEMENT TMS1002
Fig 15: Audio System With SDARS - Circuit Diagram (15 Of 17)
G07598505Courtesy of © TOYOTA, LICENSE AGREEMENT TMS1002
Fig 16: Audio System With SDARS - Circuit Diagram (16 Of 17)
G07598506Courtesy of © TOYOTA, LICENSE AGREEMENT TMS1002
Fig 17: Audio System With SDARS - Circuit Diagram (17 Of 17)
G07598507Courtesy of © TOYOTA, LICENSE AGREEMENT TMS1002