LEMON Manuals: Even more car manuals for everyone: 1960-2025
Home >> Lexus >> 2008 >> LS 460L >> Repair and Diagnosis >> Electrical >> Body Electrical >> OEM System Circuits >> Brake Hold System >> Notes
April 5, 2026: LEMON Manuals is launched! Read the announcement.

Brake Hold System: Notes

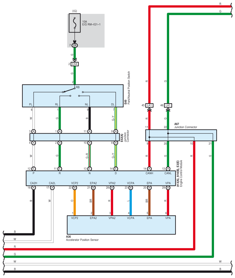
Fig 1: Brake Hold System - Circuit Diagram (1 Of 10)
G07598316Courtesy of © TOYOTA, LICENSE AGREEMENT TMS1002
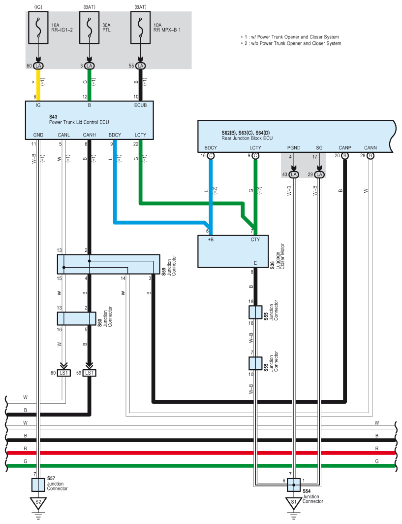
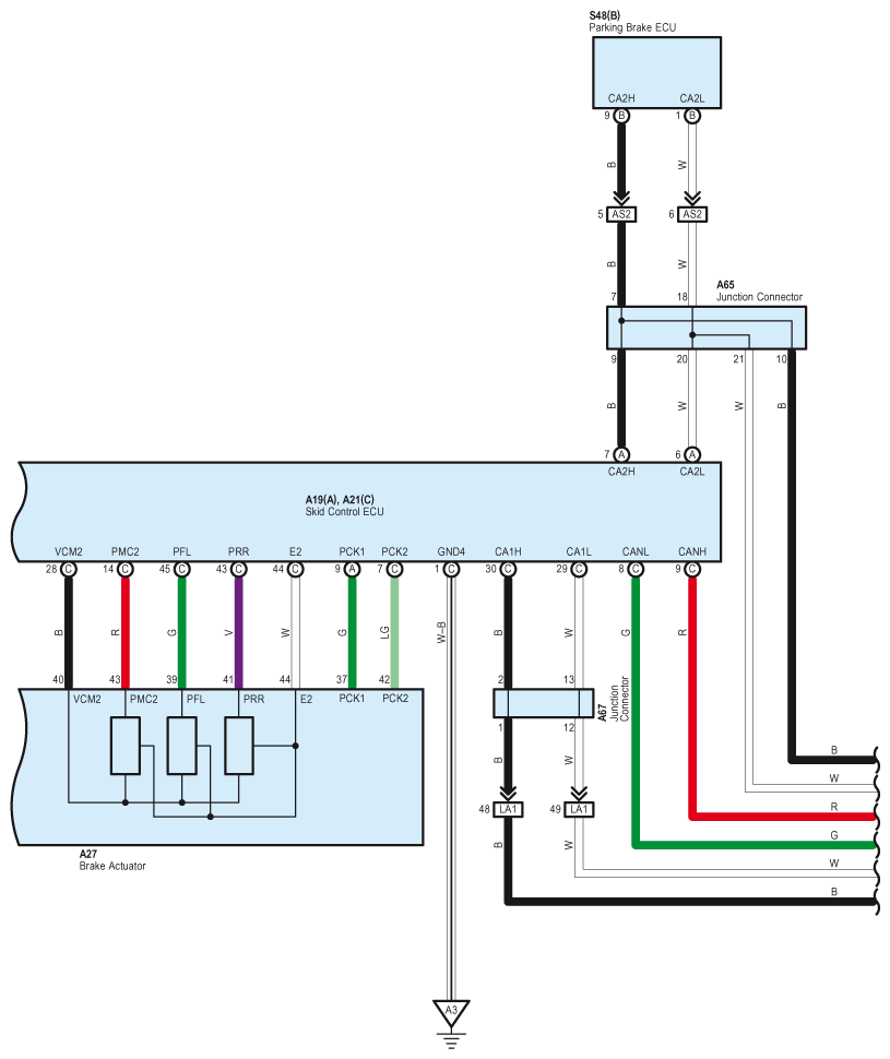
Fig 2: Brake Hold System - Circuit Diagram (2 Of 10)
G07598317Courtesy of © TOYOTA, LICENSE AGREEMENT TMS1002
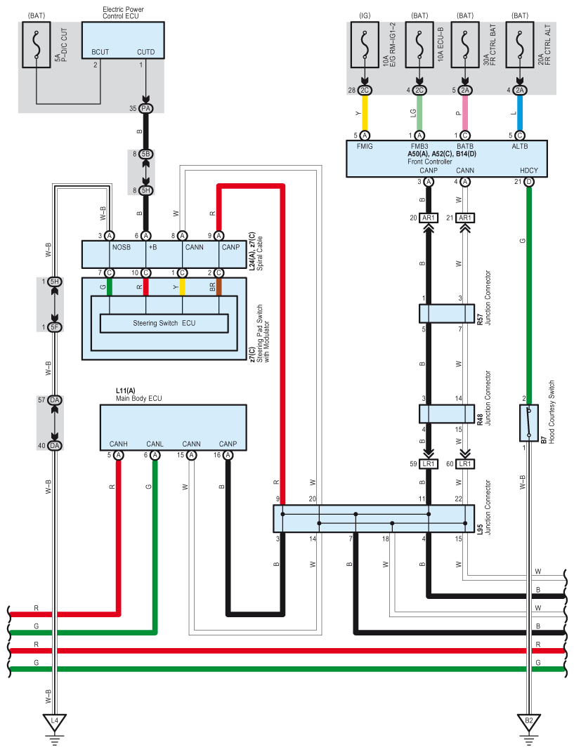
Fig 3: Brake Hold System - Circuit Diagram (3 Of 10)
G07598318Courtesy of © TOYOTA, LICENSE AGREEMENT TMS1002
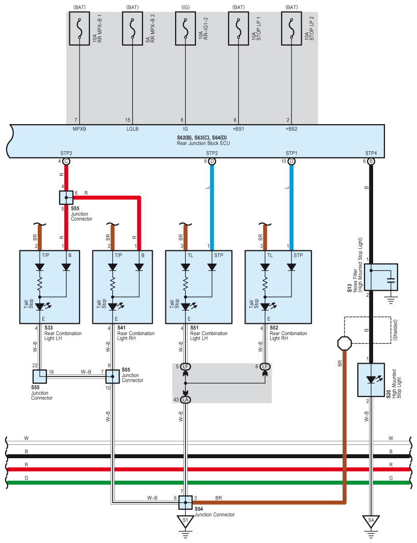
Fig 4: Brake Hold System - Circuit Diagram (4 Of 10)
G07598319Courtesy of © TOYOTA, LICENSE AGREEMENT TMS1002
Fig 5: Brake Hold System - Circuit Diagram (5 Of 10)
G07598320Courtesy of © TOYOTA, LICENSE AGREEMENT TMS1002
Fig 6: Brake Hold System - Circuit Diagram (6 Of 10)
G07598321Courtesy of © TOYOTA, LICENSE AGREEMENT TMS1002
Fig 7: Brake Hold System - Circuit Diagram (7 Of 10)
G07598322Courtesy of © TOYOTA, LICENSE AGREEMENT TMS1002
Fig 8: Brake Hold System - Circuit Diagram (8 Of 10)
G07598323Courtesy of © TOYOTA, LICENSE AGREEMENT TMS1002
Fig 9: Brake Hold System - Circuit Diagram (9 Of 10)
G07598324Courtesy of © TOYOTA, LICENSE AGREEMENT TMS1002
Fig 10: Brake Hold System - Circuit Diagram (10 Of 10)
G07598325Courtesy of © TOYOTA, LICENSE AGREEMENT TMS1002