LEMON Manuals: Even more car manuals for everyone: 1960-2025
Home >> Lexus >> 2008 >> LS 460L >> Repair and Diagnosis >> Electrical >> Body Electrical >> OEM System Circuits >> Engine Control >> Notes
April 5, 2026: LEMON Manuals is launched! Read the announcement.

Engine Control: Notes

Fig 1: Engine Control - Circuit Diagram (1 Of 25)
G07598119Courtesy of © TOYOTA, LICENSE AGREEMENT TMS1002
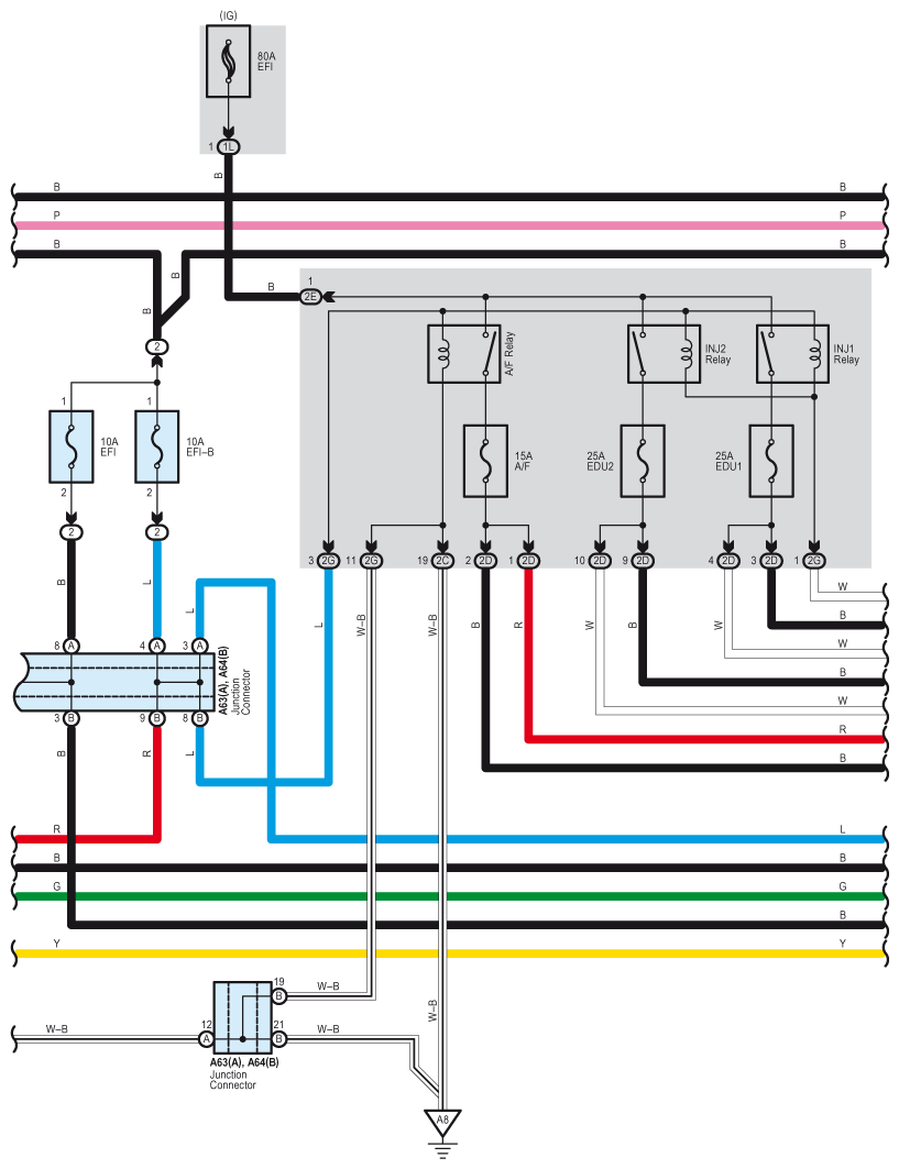
Fig 2: Engine Control - Circuit Diagram (2 Of 25)
G07598120Courtesy of © TOYOTA, LICENSE AGREEMENT TMS1002
Fig 3: Engine Control - Circuit Diagram (3 Of 25)
G07598121Courtesy of © TOYOTA, LICENSE AGREEMENT TMS1002
Fig 4: Engine Control - Circuit Diagram (4 Of 25)
G07598122Courtesy of © TOYOTA, LICENSE AGREEMENT TMS1002
Fig 5: Engine Control - Circuit Diagram (5 Of 25)
G07598123Courtesy of © TOYOTA, LICENSE AGREEMENT TMS1002
Fig 6: Engine Control - Circuit Diagram (6 Of 25)
G07598124Courtesy of © TOYOTA, LICENSE AGREEMENT TMS1002
Fig 7: Engine Control - Circuit Diagram (7 Of 25)
G07598125Courtesy of © TOYOTA, LICENSE AGREEMENT TMS1002
Fig 8: Engine Control - Circuit Diagram (8 Of 25)
G07598126Courtesy of © TOYOTA, LICENSE AGREEMENT TMS1002
Fig 9: Engine Control - Circuit Diagram (9 Of 25)
G07598127Courtesy of © TOYOTA, LICENSE AGREEMENT TMS1002
Fig 10: Engine Control - Circuit Diagram (10 Of 25)
G07598128Courtesy of © TOYOTA, LICENSE AGREEMENT TMS1002
Fig 11: Engine Control - Circuit Diagram (11 Of 25)
G07598129Courtesy of © TOYOTA, LICENSE AGREEMENT TMS1002
Fig 12: Engine Control - Circuit Diagram (12 Of 25)
G07598130Courtesy of © TOYOTA, LICENSE AGREEMENT TMS1002
Fig 13: Engine Control - Circuit Diagram (13 Of 25)
G07598131Courtesy of © TOYOTA, LICENSE AGREEMENT TMS1002
Fig 14: Engine Control - Circuit Diagram (14 Of 25)
G07598132Courtesy of © TOYOTA, LICENSE AGREEMENT TMS1002
Fig 15: Engine Control - Circuit Diagram (15 Of 25)
G07598133Courtesy of © TOYOTA, LICENSE AGREEMENT TMS1002
Fig 16: Engine Control - Circuit Diagram (16 Of 25)
G07598134Courtesy of © TOYOTA, LICENSE AGREEMENT TMS1002
Fig 17: Engine Control - Circuit Diagram (17 Of 25)
G07598135Courtesy of © TOYOTA, LICENSE AGREEMENT TMS1002
Fig 18: Engine Control - Circuit Diagram (18 Of 25)
G07598136Courtesy of © TOYOTA, LICENSE AGREEMENT TMS1002
Fig 19: Engine Control - Circuit Diagram (19 Of 25)
G07598137Courtesy of © TOYOTA, LICENSE AGREEMENT TMS1002
Fig 20: Engine Control - Circuit Diagram (20 Of 25)
G07598138Courtesy of © TOYOTA, LICENSE AGREEMENT TMS1002
Fig 21: Engine Control - Circuit Diagram (21 Of 25)
G07598139Courtesy of © TOYOTA, LICENSE AGREEMENT TMS1002
Fig 22: Engine Control - Circuit Diagram (22 Of 25)
G07598140Courtesy of © TOYOTA, LICENSE AGREEMENT TMS1002
Fig 23: Engine Control - Circuit Diagram (23 Of 25)
G07598141Courtesy of © TOYOTA, LICENSE AGREEMENT TMS1002
Fig 24: Engine Control - Circuit Diagram (24 Of 25)
G07598142Courtesy of © TOYOTA, LICENSE AGREEMENT TMS1002
Fig 25: Engine Control - Circuit Diagram (25 Of 25)
G07598143Courtesy of © TOYOTA, LICENSE AGREEMENT TMS1002