LEMON Manuals: Even more car manuals for everyone: 1960-2025
Home >> Lexus >> 2008 >> SC 430 >> Repair and Diagnosis (Single Page) >> External Pages >> Different car >> Section 17 (Engine Control System) >> SFI System >> DTC P0134 Oxygen Sensor Circuit No Activity Detected (Bank 1 Sensor 1); DTC P0154 Oxygen Sensor Circuit No Activity Detected (Bank 2 Sensor 1) >> Wiring Diagram
April 5, 2026: LEMON Manuals is launched! Read the announcement.

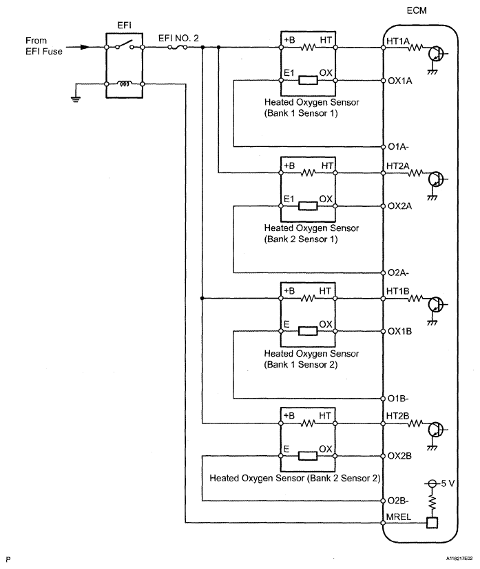
DTC P0134 Oxygen Sensor Circuit No Activity Detected (Bank 1 Sensor 1); DTC P0154 Oxygen Sensor Circuit No Activity Detected (Bank 2 Sensor 1): Wiring Diagram

WARNING: This page is about a different car, the 2007 Lexus SC 430. However, it is still accessible from the selected car via links, so may be relevant.
Fig 1: Heated Oxygen Sensor - Wiring Diagram
G05291366Courtesy of © TOYOTA, LICENSE AGREEMENT TMS1002