LEMON Manuals: Even more car manuals for everyone: 1960-2025
Home >> Lexus >> 2009 >> GS 460 >> Repair and Diagnosis (Single Page) >> Accessories & Equipment >> Anti-Theft Systems >> Smart Access System (Keyless Entry) (Diagnostics & Symptom Tests) >> Smart Access System With Push-Button Start >> Key Luggage Compartment Lock-In Prevention Function Does Not Operate >> Wiring Diagram
April 5, 2026: LEMON Manuals is launched! Read the announcement.

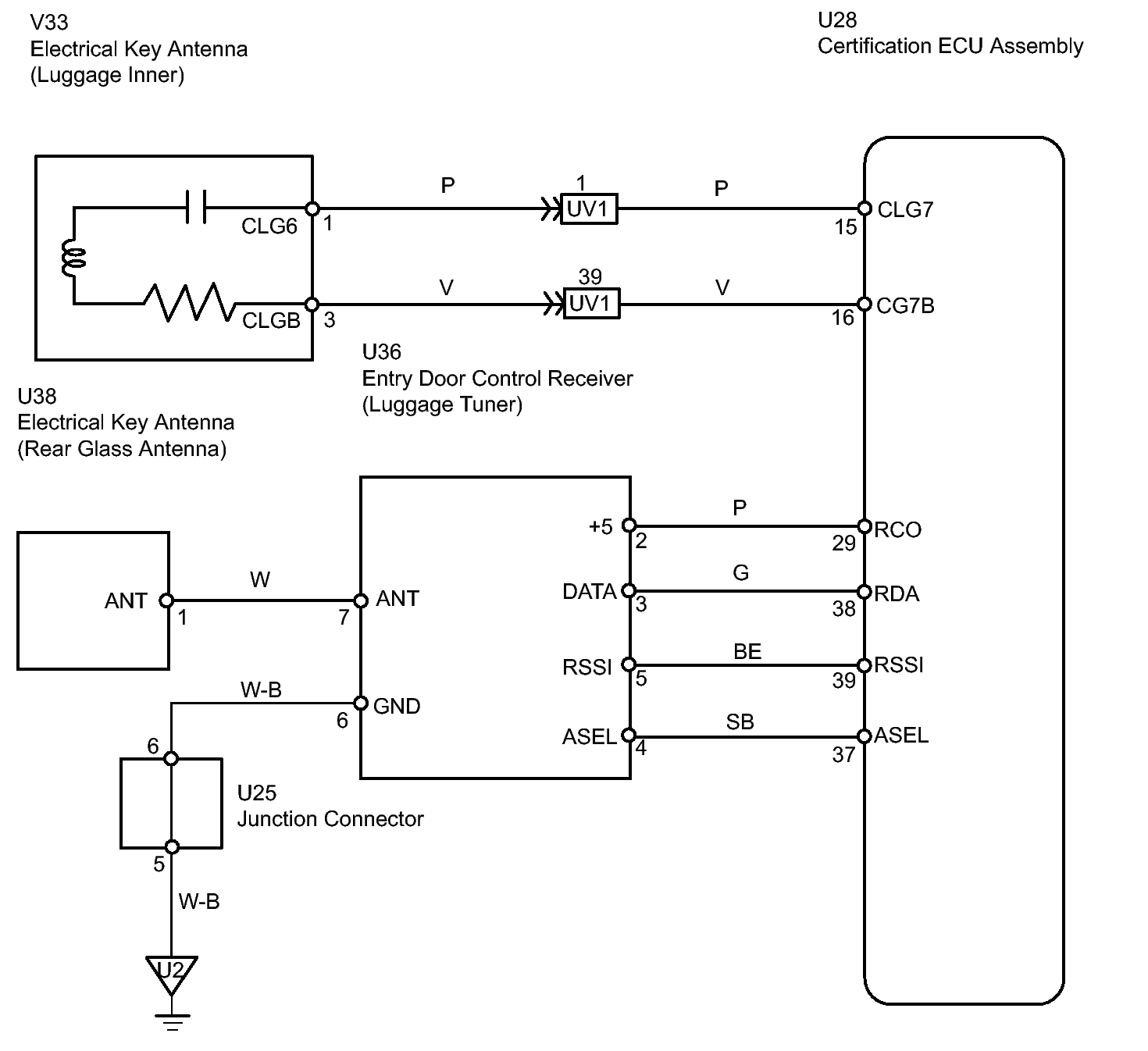
Key Luggage Compartment Lock-In Prevention Function Does Not Operate: Wiring Diagram

Fig 1: Certification ECU Assembly & Luggage Entry Door Control Receiver - Wiring Diagram
GTY103255Courtesy of © TOYOTA, LICENSE AGREEMENT TMS1002