LEMON Manuals: Even more car manuals for everyone: 1960-2025
Home >> Lexus >> 2009 >> GS 460 >> Repair and Diagnosis >> Electrical >> Body Electrical >> OEM System Circuits >> Climate Control Seat >> Notes
April 5, 2026: LEMON Manuals is launched! Read the announcement.

Climate Control Seat: Notes

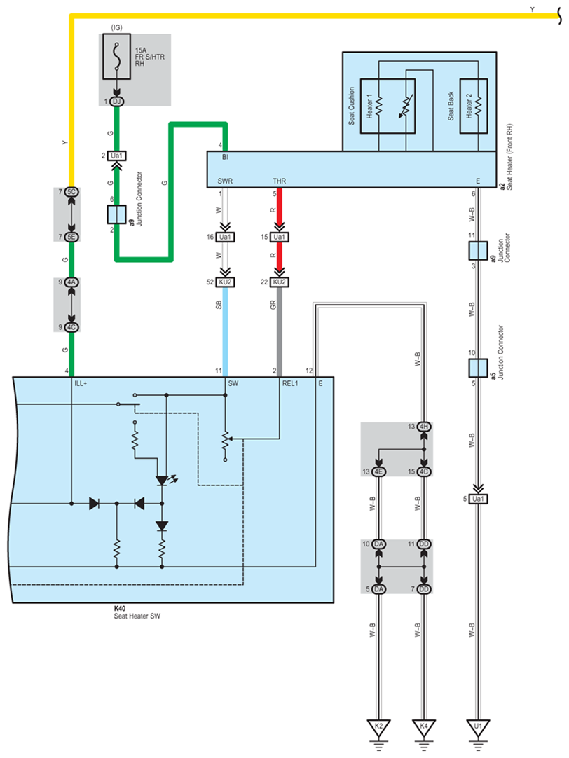
Fig 1: Climate Control Seat - Circuit Diagram (1 Of 5)
G07595767Courtesy of © TOYOTA, LICENSE AGREEMENT TMS1002
Fig 2: Climate Control Seat - Circuit Diagram (2 Of 5)
G07595768Courtesy of © TOYOTA, LICENSE AGREEMENT TMS1002
Fig 3: Climate Control Seat - Circuit Diagram (3 Of 5)
G07595769Courtesy of © TOYOTA, LICENSE AGREEMENT TMS1002
Fig 4: Climate Control Seat - Circuit Diagram (4 Of 5)
G07595770Courtesy of © TOYOTA, LICENSE AGREEMENT TMS1002
Fig 5: Climate Control Seat - Circuit Diagram (5 Of 5)
G07595771Courtesy of © TOYOTA, LICENSE AGREEMENT TMS1002