LEMON Manuals: Even more car manuals for everyone: 1960-2025
Home >> Lexus >> 2009 >> GS 460 >> Repair and Diagnosis >> Electrical >> Body Electrical >> OEM System Circuits >> Electronic Modulated Suspension >> Notes
April 5, 2026: LEMON Manuals is launched! Read the announcement.

Electronic Modulated Suspension: Notes

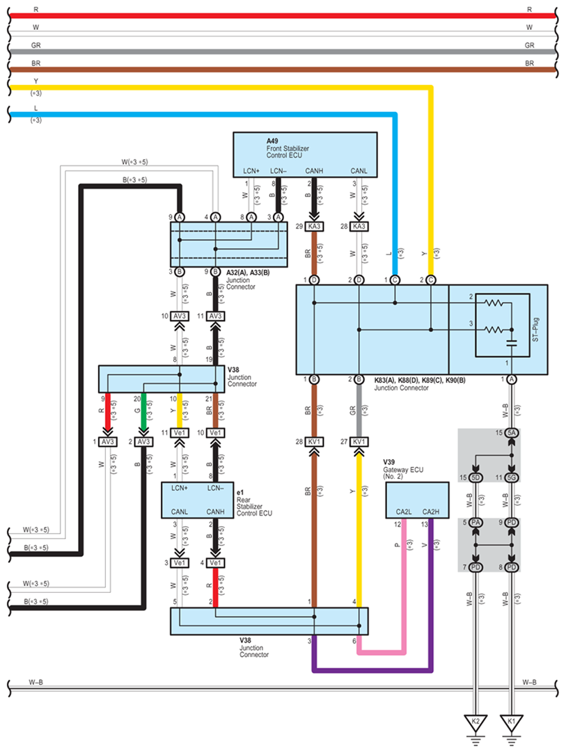
Fig 1: Electronic Modulated Suspension - Circuit Diagram (1 Of 8)
G07595712Courtesy of © TOYOTA, LICENSE AGREEMENT TMS1002
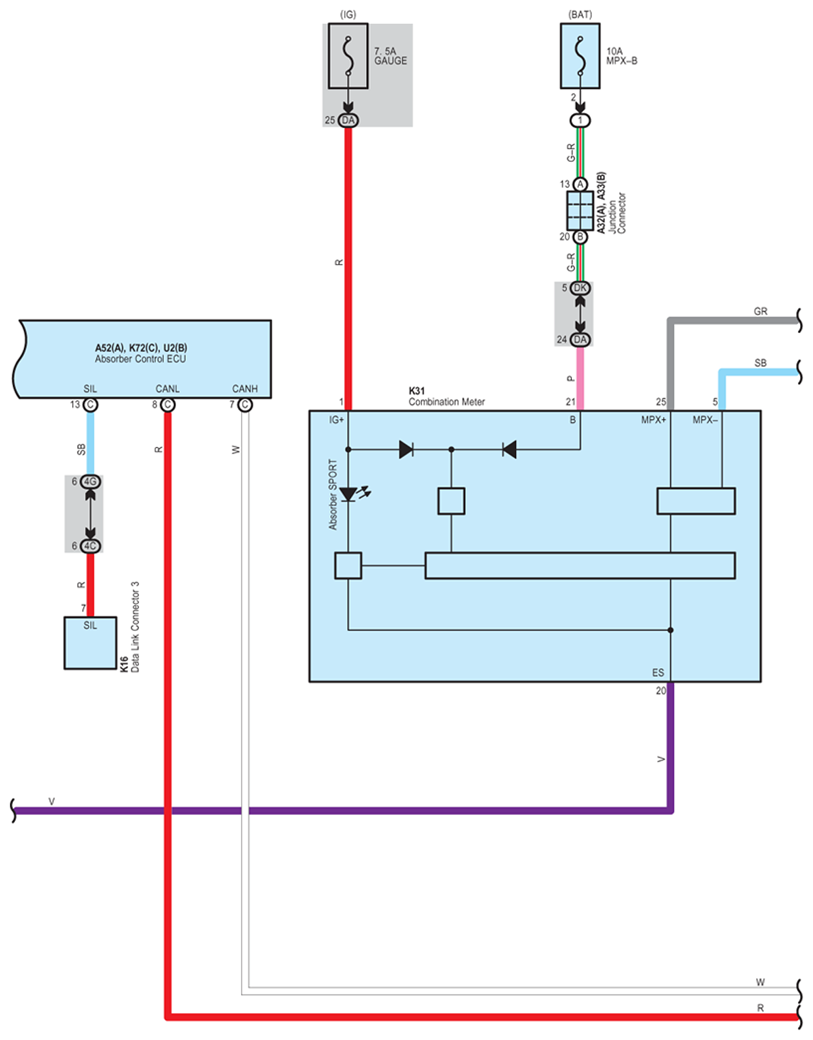
Fig 2: Electronic Modulated Suspension - Circuit Diagram (2 Of 8)
G07595713Courtesy of © TOYOTA, LICENSE AGREEMENT TMS1002
Fig 3: Electronic Modulated Suspension - Circuit Diagram (3 Of 8)
G07595714Courtesy of © TOYOTA, LICENSE AGREEMENT TMS1002
Fig 4: Electronic Modulated Suspension - Circuit Diagram (4 Of 8)
G07595715Courtesy of © TOYOTA, LICENSE AGREEMENT TMS1002
Fig 5: Electronic Modulated Suspension - Circuit Diagram (5 Of 8)
G07595716Courtesy of © TOYOTA, LICENSE AGREEMENT TMS1002
Fig 6: Electronic Modulated Suspension - Circuit Diagram (6 Of 8)
G07595717Courtesy of © TOYOTA, LICENSE AGREEMENT TMS1002
Fig 7: Electronic Modulated Suspension - Circuit Diagram (7 Of 8)
G07595718Courtesy of © TOYOTA, LICENSE AGREEMENT TMS1002
Fig 8: Electronic Modulated Suspension - Circuit Diagram (8 Of 8)
G07595719Courtesy of © TOYOTA, LICENSE AGREEMENT TMS1002