LEMON Manuals: Even more car manuals for everyone: 1960-2025
Home >> Lexus >> 2009 >> GS 460 >> Repair and Diagnosis >> Electrical >> Body Electrical >> OEM System Circuits >> Sliding Roof >> Notes
April 5, 2026: LEMON Manuals is launched! Read the announcement.

Sliding Roof: Notes

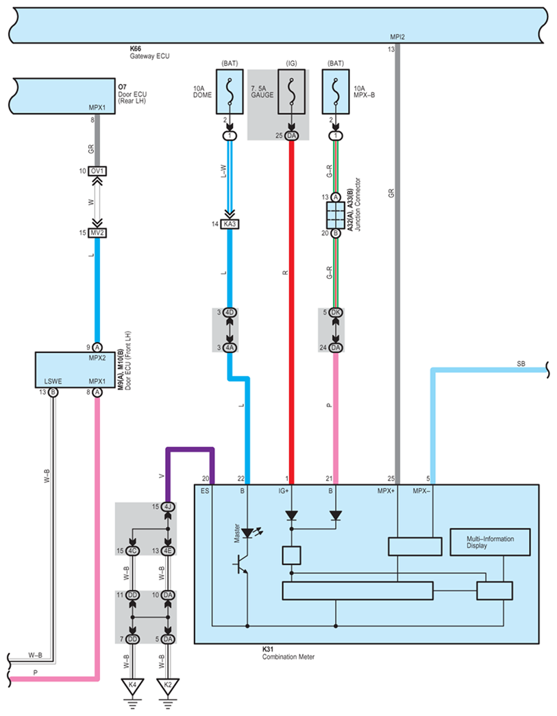
Fig 1: Sliding Roof - Circuit Diagram (1 Of 4)
G07595730Courtesy of © TOYOTA, LICENSE AGREEMENT TMS1002
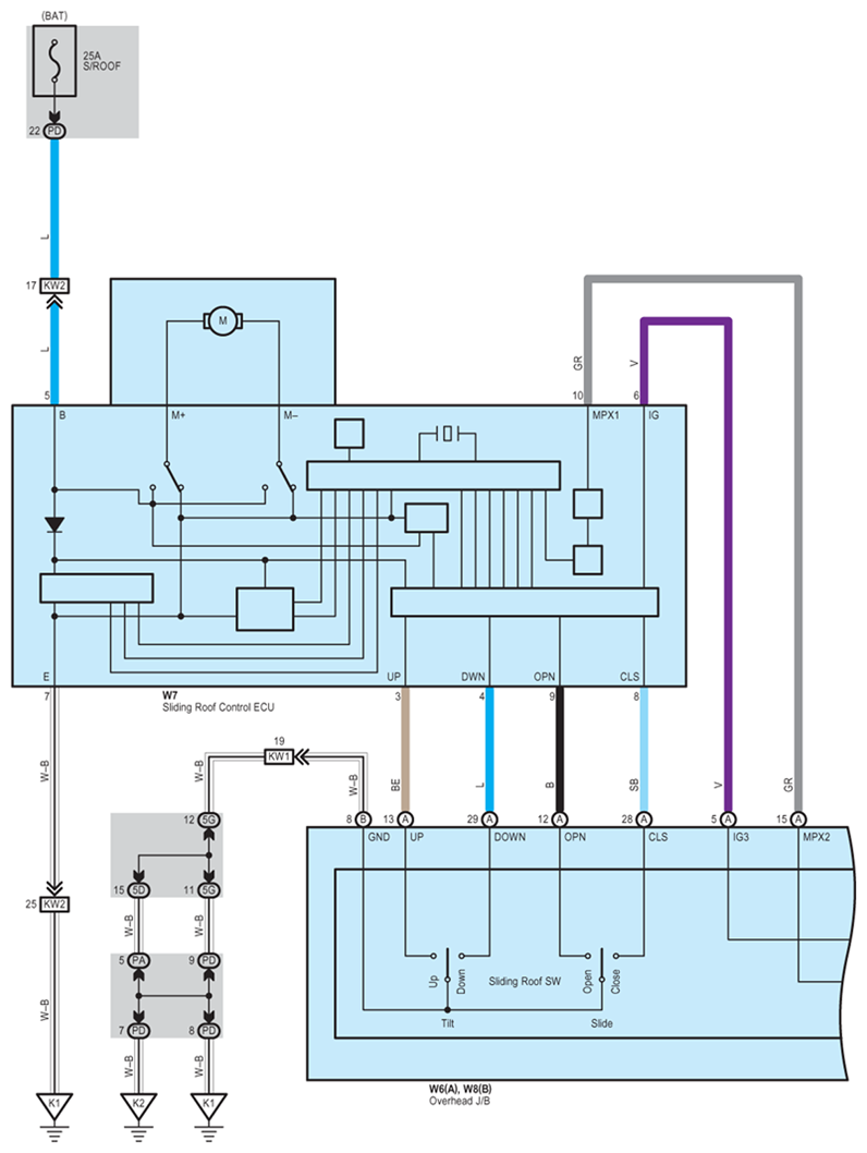
Fig 2: Sliding Roof - Circuit Diagram (2 Of 4)
G07595731Courtesy of © TOYOTA, LICENSE AGREEMENT TMS1002
Fig 3: Sliding Roof - Circuit Diagram (3 Of 4)
G07595732Courtesy of © TOYOTA, LICENSE AGREEMENT TMS1002
Fig 4: Sliding Roof - Circuit Diagram (4 Of 4)
G07595733Courtesy of © TOYOTA, LICENSE AGREEMENT TMS1002