LEMON Manuals: Even more car manuals for everyone: 1960-2025
Home >> Lexus >> 2009 >> GS 460 >> Repair and Diagnosis >> Electrical >> Body Electrical >> OEM System Circuits >> Wireless Door Lock Control >> Notes
April 5, 2026: LEMON Manuals is launched! Read the announcement.

Wireless Door Lock Control: Notes

Fig 1: Wireless Door Lock Control - Circuit Diagram (1 Of 9)
G07595550Courtesy of © TOYOTA, LICENSE AGREEMENT TMS1002
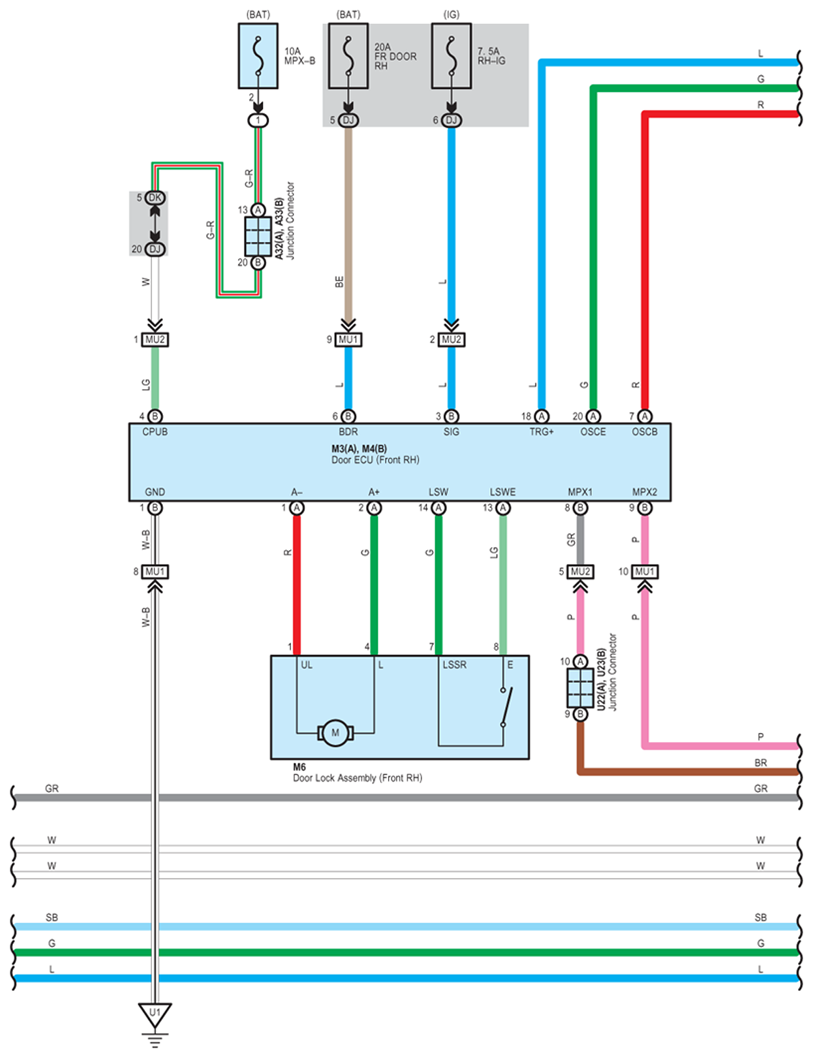
Fig 2: Wireless Door Lock Control - Circuit Diagram (2 Of 9)
G07595551Courtesy of © TOYOTA, LICENSE AGREEMENT TMS1002
Fig 3: Wireless Door Lock Control - Circuit Diagram (3 Of 9)
G07595552Courtesy of © TOYOTA, LICENSE AGREEMENT TMS1002
Fig 4: Wireless Door Lock Control - Circuit Diagram (4 Of 9)
G07595553Courtesy of © TOYOTA, LICENSE AGREEMENT TMS1002
Fig 5: Wireless Door Lock Control - Circuit Diagram (5 Of 9)
G07595554Courtesy of © TOYOTA, LICENSE AGREEMENT TMS1002
Fig 6: Wireless Door Lock Control - Circuit Diagram (6 Of 9)
G07595555Courtesy of © TOYOTA, LICENSE AGREEMENT TMS1002
Fig 7: Wireless Door Lock Control - Circuit Diagram (7 Of 9)
G07595556Courtesy of © TOYOTA, LICENSE AGREEMENT TMS1002
Fig 8: Wireless Door Lock Control - Circuit Diagram (8 Of 9)
G07595557Courtesy of © TOYOTA, LICENSE AGREEMENT TMS1002
Fig 9: Wireless Door Lock Control - Circuit Diagram (9 Of 9)
G07595558Courtesy of © TOYOTA, LICENSE AGREEMENT TMS1002