LEMON Manuals: Even more car manuals for everyone: 1960-2025
Home >> Lexus >> 2009 >> IS 250 AWD >> Repair and Diagnosis (Single Page) >> Engine Performance >> Testing & Diagnosis >> Engine Control System (DTCS P0420 - U0101 & Circuit Tests) >> SFI System >> DTC P2014: Intake Manifold Runner Position Sensor / Switch Circuit (Bank 1); DTC P2016: Intake Manifold Runner Position Sensor / Switch Circuit Low (Bank 1); DTC P2017: Intake Manifold Runner Position Sensor / Switch Circuit High (Bank 1) >> Wiring Diagram
April 5, 2026: LEMON Manuals is launched! Read the announcement.

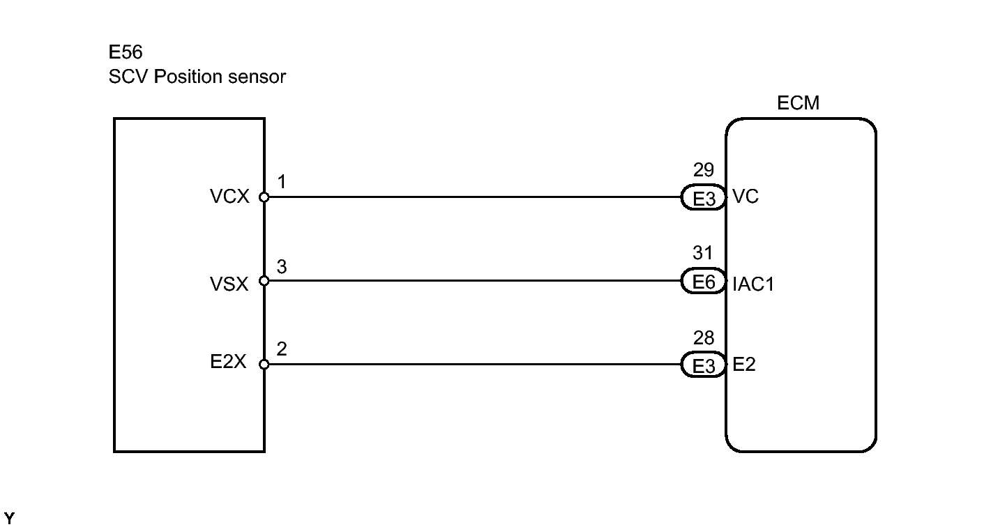
DTC P2014: Intake Manifold Runner Position Sensor / Switch Circuit (Bank 1); DTC P2016: Intake Manifold Runner Position Sensor / Switch Circuit Low (Bank 1); DTC P2017: Intake Manifold Runner Position Sensor / Switch Circuit High (Bank 1): Wiring Diagram

Fig 1: Swirl Control Valve Position Sensor - Wiring Diagram
GTY145462Courtesy of © TOYOTA, LICENSE AGREEMENT TMS1002