LEMON Manuals: Even more car manuals for everyone: 1960-2025
Home >> Lexus >> 2009 >> IS 350 >> Repair and Diagnosis >> Electrical >> Body Electrical >> OEM System Circuits >> Engine Control (2GR-FSE) >> Notes
April 5, 2026: LEMON Manuals is launched! Read the announcement.

Engine Control (2GR-FSE): Notes

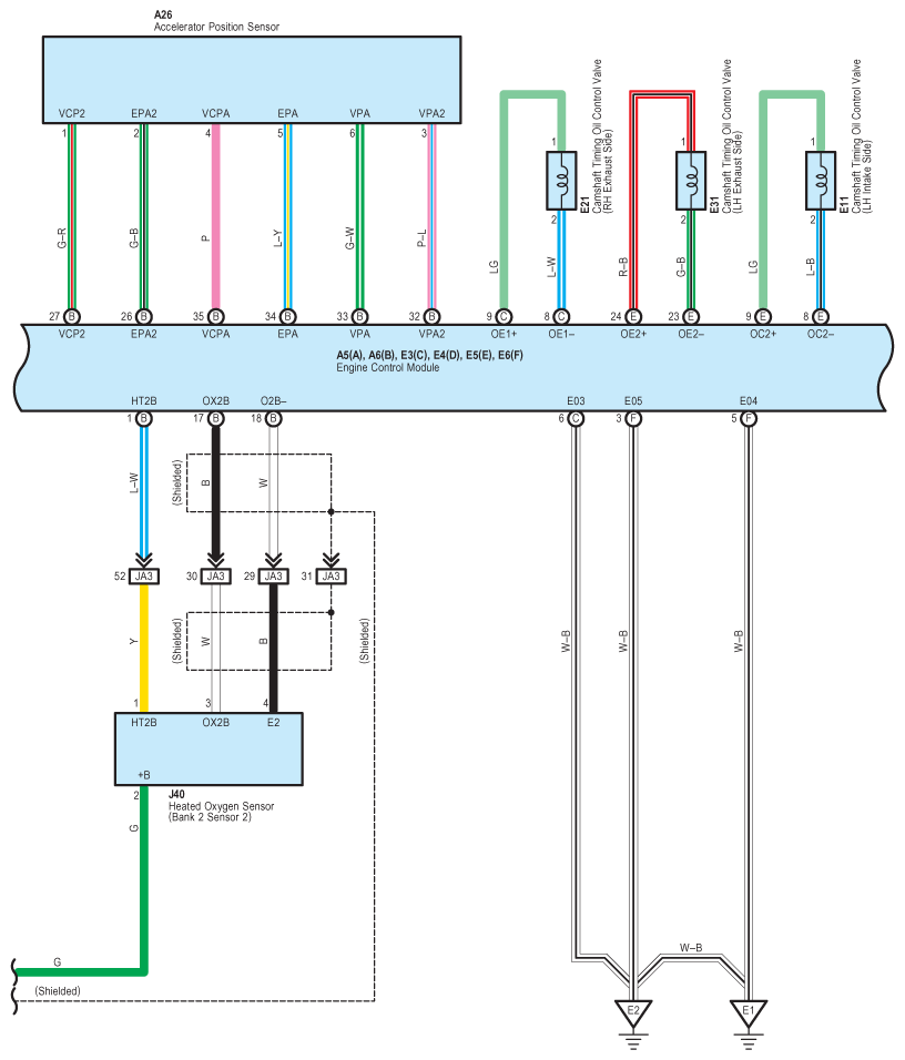
Fig 1: Engine Control (2GR-FSE) - Circuit Diagram (1 Of 16)
G07588772Courtesy of © TOYOTA, LICENSE AGREEMENT TMS1002
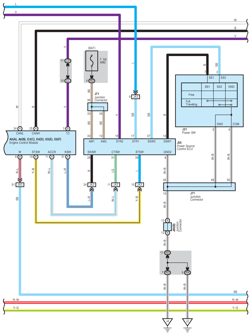
Fig 2: Engine Control (2GR-FSE) - Circuit Diagram (2 Of 16)
G07588773Courtesy of © TOYOTA, LICENSE AGREEMENT TMS1002
Fig 3: Engine Control (2GR-FSE) - Circuit Diagram (3 Of 16)
G07588774Courtesy of © TOYOTA, LICENSE AGREEMENT TMS1002
Fig 4: Engine Control (2GR-FSE) - Circuit Diagram (4 Of 16)
G07588775Courtesy of © TOYOTA, LICENSE AGREEMENT TMS1002
Fig 5: Engine Control (2GR-FSE) - Circuit Diagram (5 Of 16)
G07588776Courtesy of © TOYOTA, LICENSE AGREEMENT TMS1002
Fig 6: Engine Control (2GR-FSE) - Circuit Diagram (6 Of 16)
G07588777Courtesy of © TOYOTA, LICENSE AGREEMENT TMS1002
Fig 7: Engine Control (2GR-FSE) - Circuit Diagram (7 Of 16)
G07588778Courtesy of © TOYOTA, LICENSE AGREEMENT TMS1002
Fig 8: Engine Control (2GR-FSE) - Circuit Diagram (8 Of 16)
G07588779Courtesy of © TOYOTA, LICENSE AGREEMENT TMS1002
Fig 9: Engine Control (2GR-FSE) - Circuit Diagram (9 Of 16)
G07588780Courtesy of © TOYOTA, LICENSE AGREEMENT TMS1002
Fig 10: Engine Control (2GR-FSE) - Circuit Diagram (10 Of 16)
G07588781Courtesy of © TOYOTA, LICENSE AGREEMENT TMS1002
Fig 11: Engine Control (2GR-FSE) - Circuit Diagram (11 Of 16)
G07588782Courtesy of © TOYOTA, LICENSE AGREEMENT TMS1002
Fig 12: Engine Control (2GR-FSE) - Circuit Diagram (12 Of 16)
G07588783Courtesy of © TOYOTA, LICENSE AGREEMENT TMS1002
Fig 13: Engine Control (2GR-FSE) - Circuit Diagram (13 Of 16)
G07588784Courtesy of © TOYOTA, LICENSE AGREEMENT TMS1002
Fig 14: Engine Control (2GR-FSE) - Circuit Diagram (14 Of 16)
G07588785Courtesy of © TOYOTA, LICENSE AGREEMENT TMS1002
Fig 15: Engine Control (2GR-FSE) - Circuit Diagram (15 Of 16)
G07588786Courtesy of © TOYOTA, LICENSE AGREEMENT TMS1002
Fig 16: Engine Control (2GR-FSE) - Circuit Diagram (16 Of 16)
G07588787Courtesy of © TOYOTA, LICENSE AGREEMENT TMS1002