LEMON Manuals: Even more car manuals for everyone: 1960-2025
Home >> Lexus >> 2009 >> LS 460L AWD >> Repair and Diagnosis (Single Page) >> Electrical >> Body Electrical >> OEM System Circuits >> LEXUS Navigation System, Parking Assist (Rear View Monitor) and Multi-Display (w/o LEXUS Navigation System) >> Notes
April 5, 2026: LEMON Manuals is launched! Read the announcement.

LEXUS Navigation System, Parking Assist (Rear View Monitor) and Multi-Display (w/o LEXUS Navigation System): Notes

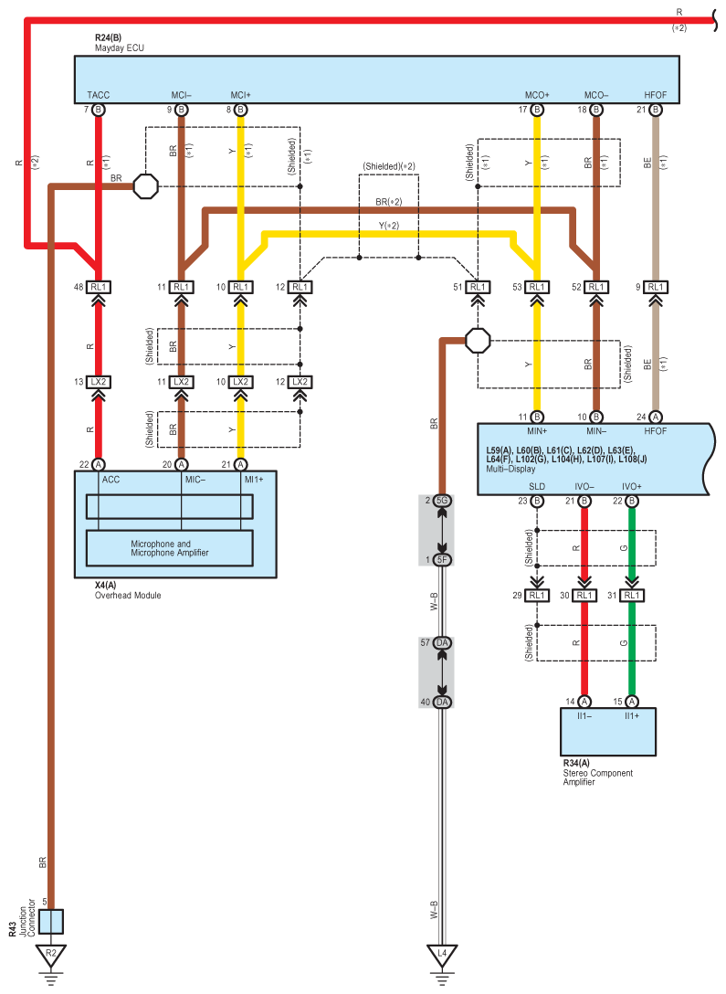
Fig 1: Lexus Navigation System, Parking Assist (Rear View Monitor) And Multi- Display (W/O Lexus Navigation System) - Circuit Diagram (1 Of 9)
G07589732Courtesy of © TOYOTA, LICENSE AGREEMENT TMS1002
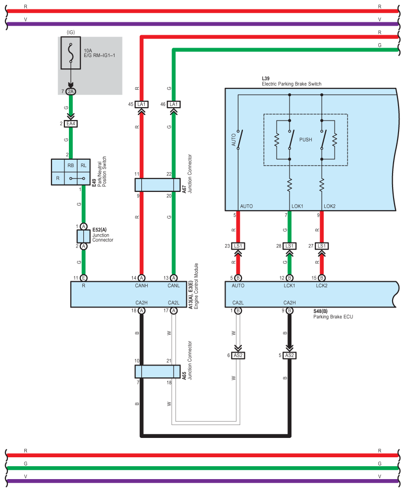
Fig 2: Lexus Navigation System, Parking Assist (Rear View Monitor) And Multi- Display (W/O Lexus Navigation System) - Circuit Diagram (2 Of 9)
G07589733Courtesy of © TOYOTA, LICENSE AGREEMENT TMS1002
Fig 3: Lexus Navigation System, Parking Assist (Rear View Monitor) And Multi- Display (W/O Lexus Navigation System) - Circuit Diagram (3 Of 9)
G07589734Courtesy of © TOYOTA, LICENSE AGREEMENT TMS1002
Fig 4: Lexus Navigation System, Parking Assist (Rear View Monitor) And Multi- Display (W/O Lexus Navigation System) - Circuit Diagram (4 Of 9)
G07589735Courtesy of © TOYOTA, LICENSE AGREEMENT TMS1002
Fig 5: Lexus Navigation System, Parking Assist (Rear View Monitor) And Multi- Display (W/O Lexus Navigation System) - Circuit Diagram (5 Of 9)
G07589736Courtesy of © TOYOTA, LICENSE AGREEMENT TMS1002
Fig 6: Lexus Navigation System, Parking Assist (Rear View Monitor) And Multi- Display (W/O Lexus Navigation System) - Circuit Diagram (6 Of 9)
G07589737Courtesy of © TOYOTA, LICENSE AGREEMENT TMS1002
Fig 7: Lexus Navigation System, Parking Assist (Rear View Monitor) And Multi- Display (W/O Lexus Navigation System) - Circuit Diagram (7 Of 9)
G07589738Courtesy of © TOYOTA, LICENSE AGREEMENT TMS1002
Fig 8: Lexus Navigation System, Parking Assist (Rear View Monitor) And Multi- Display (W/O Lexus Navigation System) - Circuit Diagram (8 Of 9)
G07589739Courtesy of © TOYOTA, LICENSE AGREEMENT TMS1002
Fig 9: Lexus Navigation System, Parking Assist (Rear View Monitor) And Multi- Display (W/O Lexus Navigation System) - Circuit Diagram (9 Of 9)
G07589740Courtesy of © TOYOTA, LICENSE AGREEMENT TMS1002