LEMON Manuals: Even more car manuals for everyone: 1960-2025
Home >> Lexus >> 2009 >> LS 600hL >> Repair and Diagnosis >> Electrical >> Body Electrical >> OEM System Circuits >> Dynamic Radar Cruise Control >> Notes
April 5, 2026: LEMON Manuals is launched! Read the announcement.

Dynamic Radar Cruise Control: Notes

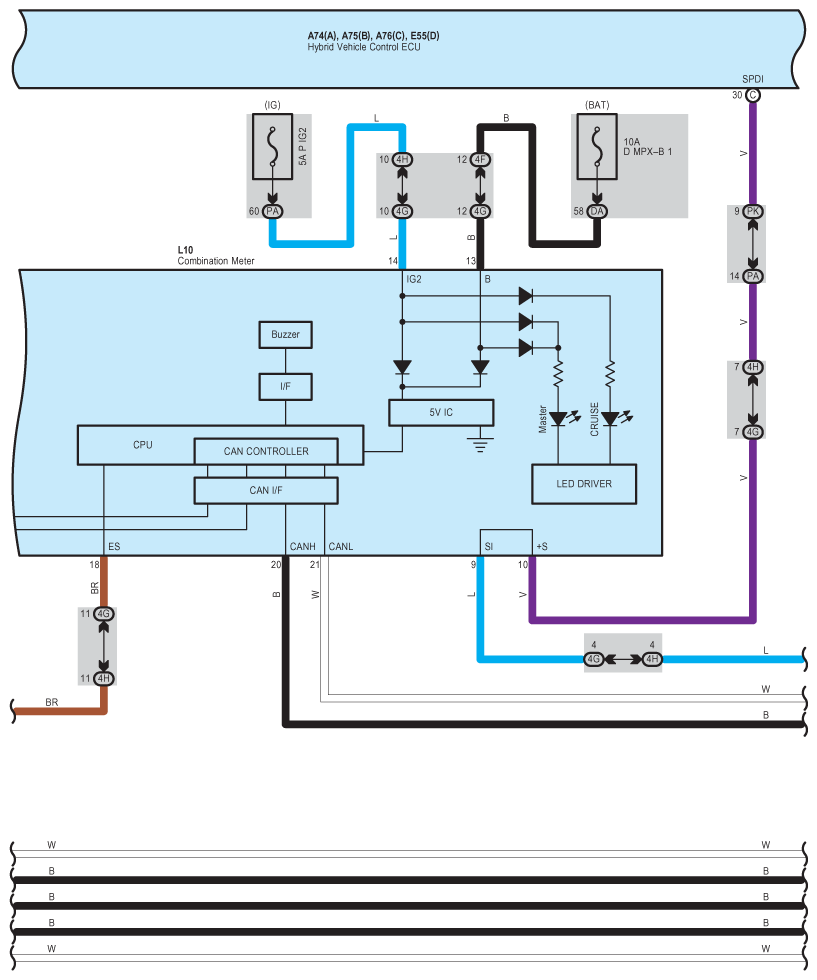
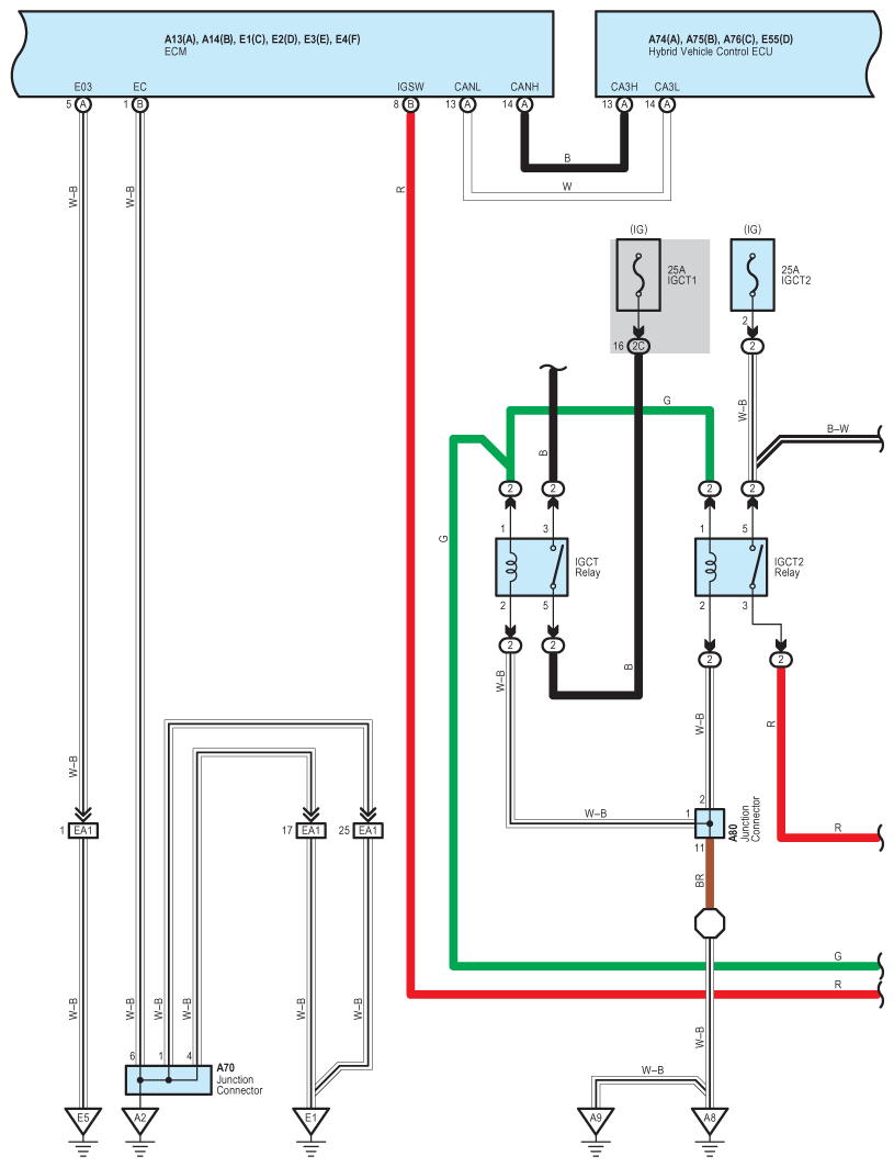
Fig 1: Dynamic Radar Cruise Control - Circuit Diagram (1 Of 22)
G07607074Courtesy of © TOYOTA, LICENSE AGREEMENT TMS1002
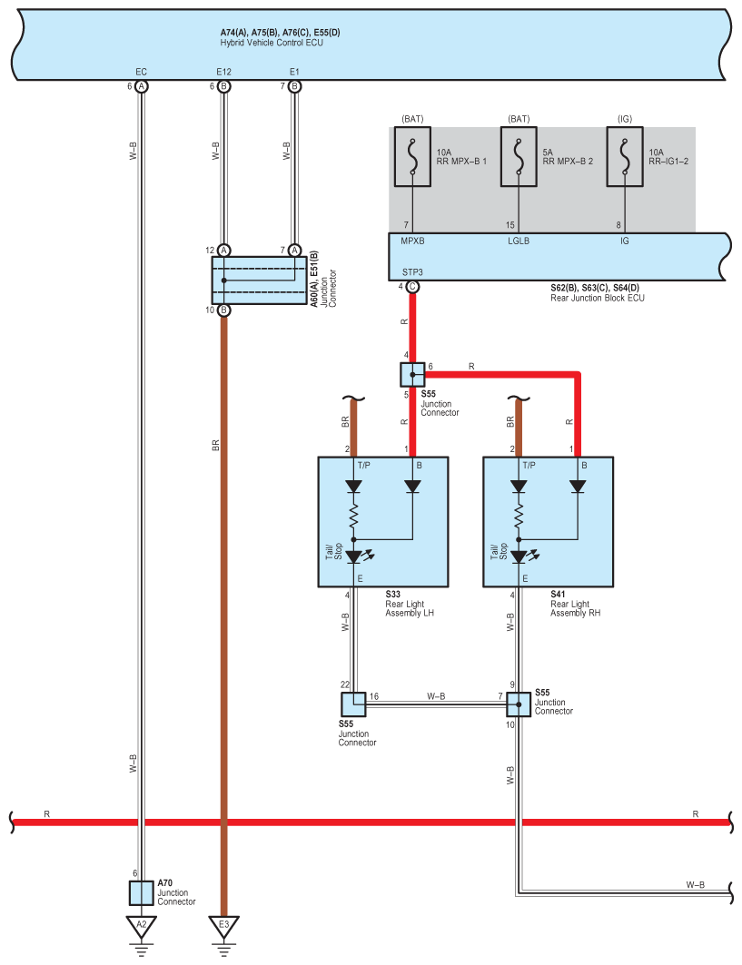
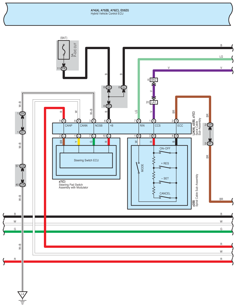
Fig 2: Dynamic Radar Cruise Control - Circuit Diagram (2 Of 22)
G07607075Courtesy of © TOYOTA, LICENSE AGREEMENT TMS1002
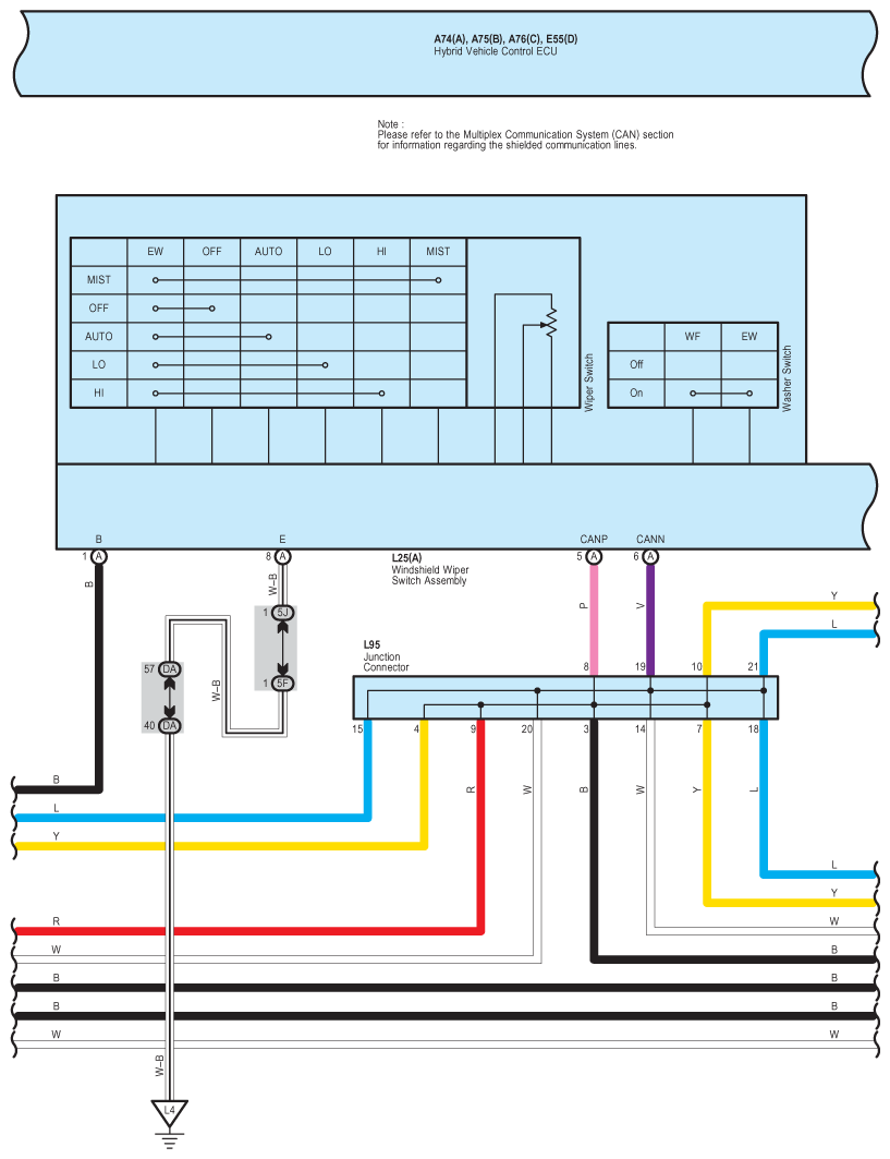
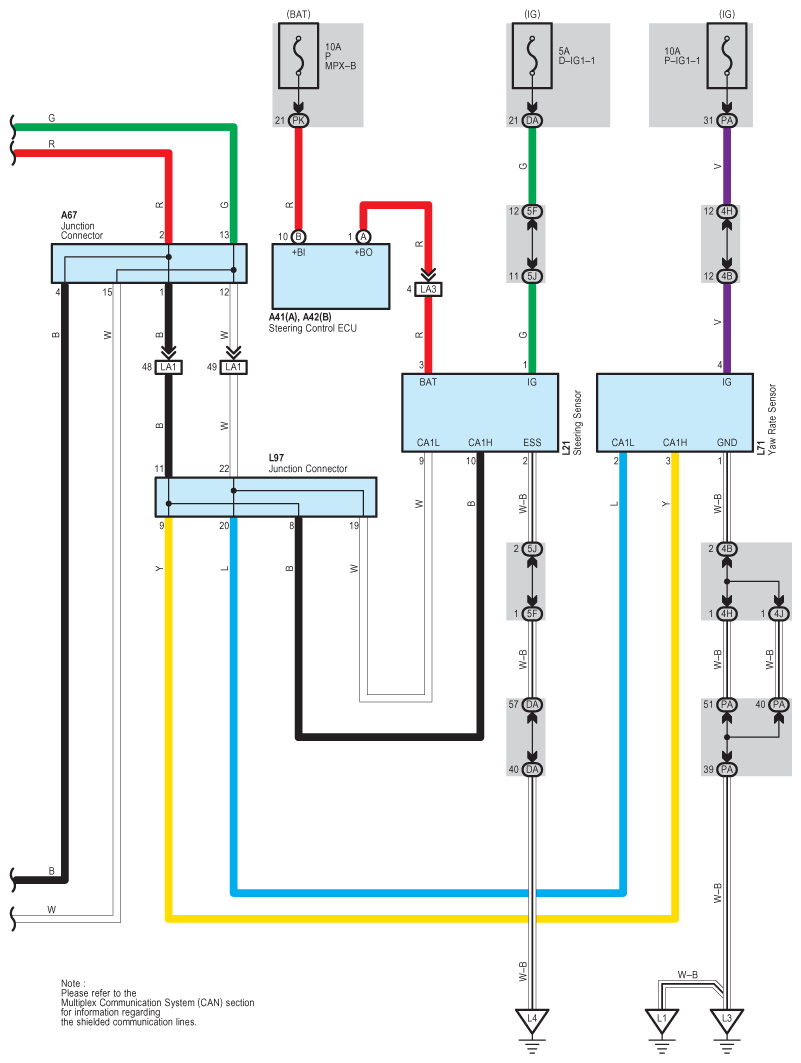
Fig 3: Dynamic Radar Cruise Control - Circuit Diagram (3 Of 22)
G07607076Courtesy of © TOYOTA, LICENSE AGREEMENT TMS1002
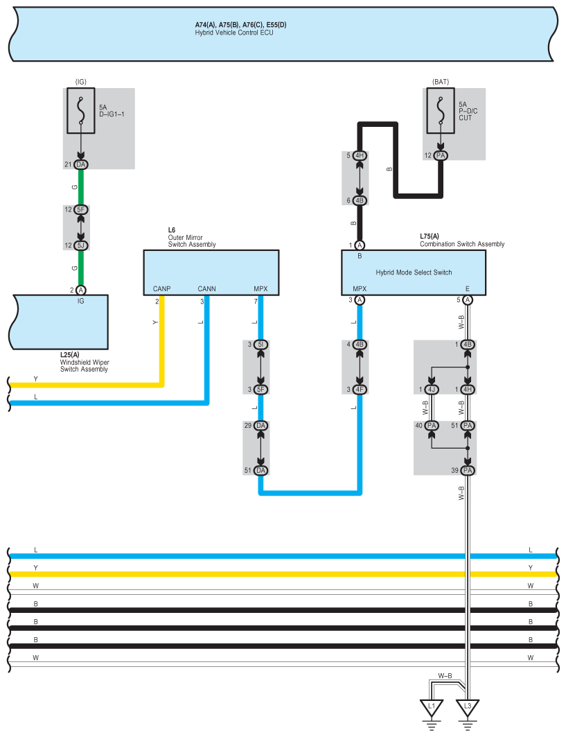
Fig 4: Dynamic Radar Cruise Control - Circuit Diagram (4 Of 22)
G07607077Courtesy of © TOYOTA, LICENSE AGREEMENT TMS1002
Fig 5: Dynamic Radar Cruise Control - Circuit Diagram (5 Of 22)
G07607078Courtesy of © TOYOTA, LICENSE AGREEMENT TMS1002
Fig 6: Dynamic Radar Cruise Control - Circuit Diagram (6 Of 22)
G07607079Courtesy of © TOYOTA, LICENSE AGREEMENT TMS1002
Fig 7: Dynamic Radar Cruise Control - Circuit Diagram (7 Of 22)
G07607080Courtesy of © TOYOTA, LICENSE AGREEMENT TMS1002
Fig 8: Dynamic Radar Cruise Control - Circuit Diagram (8 Of 22)
G07607081Courtesy of © TOYOTA, LICENSE AGREEMENT TMS1002
Fig 9: Dynamic Radar Cruise Control - Circuit Diagram (9 Of 22)
G07607082Courtesy of © TOYOTA, LICENSE AGREEMENT TMS1002
Fig 10: Dynamic Radar Cruise Control - Circuit Diagram (10 Of 22)
G07607083Courtesy of © TOYOTA, LICENSE AGREEMENT TMS1002
Fig 11: Dynamic Radar Cruise Control - Circuit Diagram (11 Of 22)
G07607084Courtesy of © TOYOTA, LICENSE AGREEMENT TMS1002
Fig 12: Dynamic Radar Cruise Control - Circuit Diagram (12 Of 22)
G07607085Courtesy of © TOYOTA, LICENSE AGREEMENT TMS1002
Fig 13: Dynamic Radar Cruise Control - Circuit Diagram (13 Of 22)
G07607086Courtesy of © TOYOTA, LICENSE AGREEMENT TMS1002
Fig 14: Dynamic Radar Cruise Control - Circuit Diagram (14 Of 22)
G07607087Courtesy of © TOYOTA, LICENSE AGREEMENT TMS1002
Fig 15: Dynamic Radar Cruise Control - Circuit Diagram (15 Of 22)
G07607088Courtesy of © TOYOTA, LICENSE AGREEMENT TMS1002
Fig 16: Dynamic Radar Cruise Control - Circuit Diagram (16 Of 22)
G07607089Courtesy of © TOYOTA, LICENSE AGREEMENT TMS1002
Fig 17: Dynamic Radar Cruise Control - Circuit Diagram (17 Of 22)
G07607090Courtesy of © TOYOTA, LICENSE AGREEMENT TMS1002
Fig 18: Dynamic Radar Cruise Control - Circuit Diagram (18 Of 22)
G07607091Courtesy of © TOYOTA, LICENSE AGREEMENT TMS1002
Fig 19: Dynamic Radar Cruise Control - Circuit Diagram (19 Of 22)
G07607092Courtesy of © TOYOTA, LICENSE AGREEMENT TMS1002
Fig 20: Dynamic Radar Cruise Control - Circuit Diagram (20 Of 22)
G07607093Courtesy of © TOYOTA, LICENSE AGREEMENT TMS1002
Fig 21: Dynamic Radar Cruise Control - Circuit Diagram (21 Of 22)
G07607094Courtesy of © TOYOTA, LICENSE AGREEMENT TMS1002
Fig 22: Dynamic Radar Cruise Control - Circuit Diagram (22 Of 22)
G07607095Courtesy of © TOYOTA, LICENSE AGREEMENT TMS1002