LEMON Manuals: Even more car manuals for everyone: 1960-2025
Home >> Lexus >> 2009 >> LS 600hL >> Repair and Diagnosis >> Electrical >> Body Electrical >> OEM System Circuits >> Pre-Collision System >> Notes
April 5, 2026: LEMON Manuals is launched! Read the announcement.

Pre-Collision System: Notes

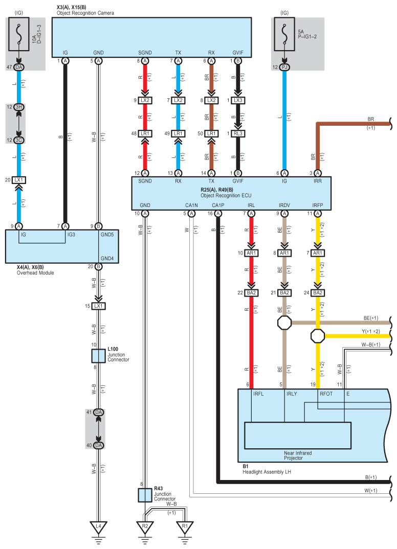
Fig 1: Pre-Collision System - Circuit Diagram (1 Of 15)
G07607163Courtesy of © TOYOTA, LICENSE AGREEMENT TMS1002
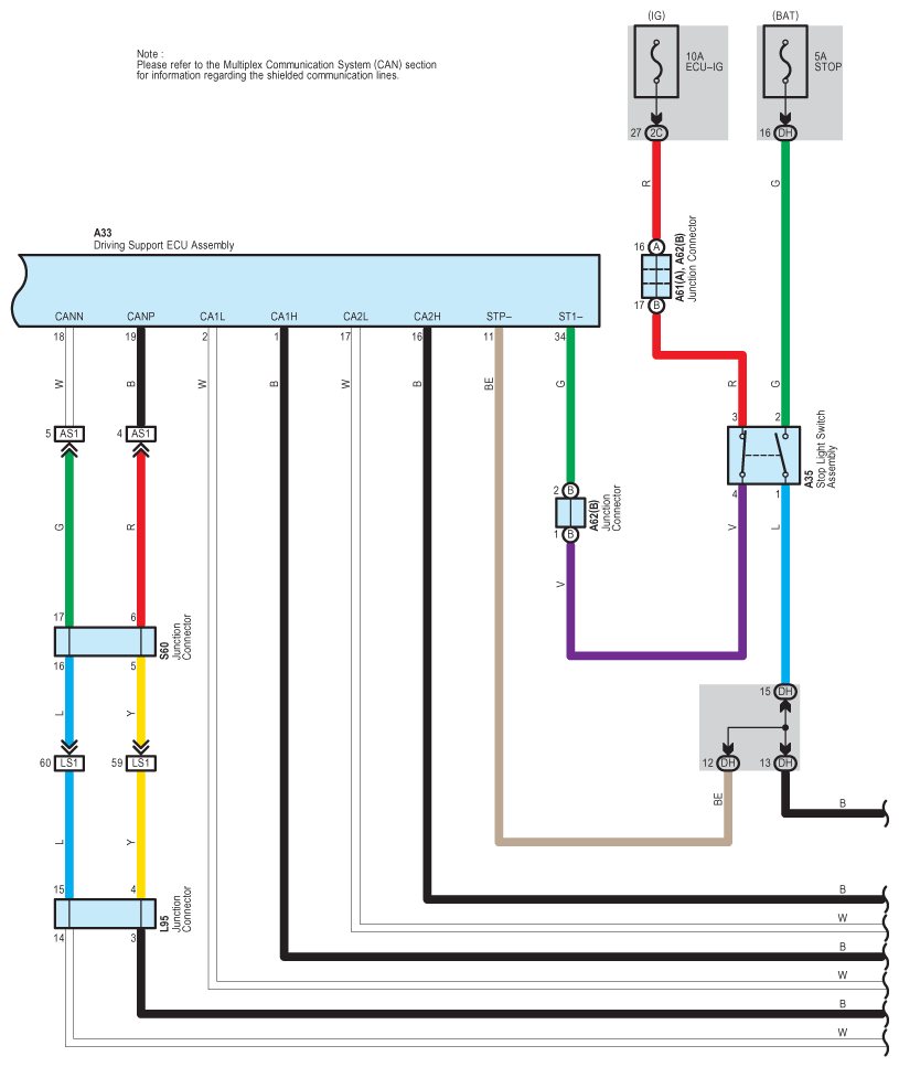
Fig 2: Pre-Collision System - Circuit Diagram (2 Of 15)
G07607164Courtesy of © TOYOTA, LICENSE AGREEMENT TMS1002
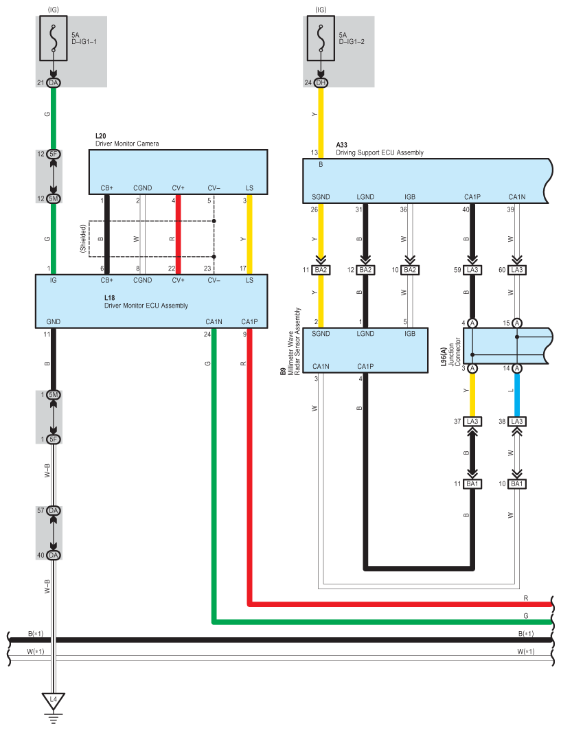
Fig 3: Pre-Collision System - Circuit Diagram (3 Of 15)
G07607165Courtesy of © TOYOTA, LICENSE AGREEMENT TMS1002
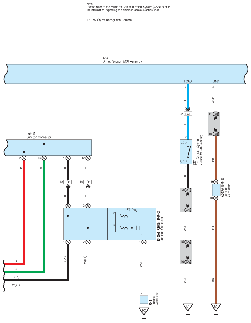
Fig 4: Pre-Collision System - Circuit Diagram (4 Of 15)
G07607166Courtesy of © TOYOTA, LICENSE AGREEMENT TMS1002
Fig 5: Pre-Collision System - Circuit Diagram (5 Of 15)
G07607167Courtesy of © TOYOTA, LICENSE AGREEMENT TMS1002
Fig 6: Pre-Collision System - Circuit Diagram (6 Of 15)
G07607168Courtesy of © TOYOTA, LICENSE AGREEMENT TMS1002
Fig 7: Pre-Collision System - Circuit Diagram (7 Of 15)
G07607169Courtesy of © TOYOTA, LICENSE AGREEMENT TMS1002
Fig 8: Pre-Collision System - Circuit Diagram (8 Of 15)
G07607170Courtesy of © TOYOTA, LICENSE AGREEMENT TMS1002
Fig 9: Pre-Collision System - Circuit Diagram (9 Of 15)
G07607171Courtesy of © TOYOTA, LICENSE AGREEMENT TMS1002
Fig 10: Pre-Collision System - Circuit Diagram (10 Of 15)
G07607172Courtesy of © TOYOTA, LICENSE AGREEMENT TMS1002
Fig 11: Pre-Collision System - Circuit Diagram (11 Of 15)
G07607173Courtesy of © TOYOTA, LICENSE AGREEMENT TMS1002
Fig 12: Pre-Collision System - Circuit Diagram (12 Of 15)
G07607174Courtesy of © TOYOTA, LICENSE AGREEMENT TMS1002
Fig 13: Pre-Collision System - Circuit Diagram (13 Of 15)
G07607175Courtesy of © TOYOTA, LICENSE AGREEMENT TMS1002
Fig 14: Pre-Collision System - Circuit Diagram (14 Of 15)
G07607176Courtesy of © TOYOTA, LICENSE AGREEMENT TMS1002
Fig 15: Pre-Collision System - Circuit Diagram (15 Of 15)
G07607177Courtesy of © TOYOTA, LICENSE AGREEMENT TMS1002