LEMON Manuals: Even more car manuals for everyone: 1960-2025
Home >> Lexus >> 2009 >> LS 600hL >> Repair and Diagnosis >> Electrical >> Body Electrical >> OEM System Circuits >> SRS >> Notes
April 5, 2026: LEMON Manuals is launched! Read the announcement.

OEM System Circuits: SRS: Notes

NOTE: When inspecting or repairing the SRS, perform service in accordance with the following precautionary instructions and the procedure, and precautions in the servijce information applicable for the model year.
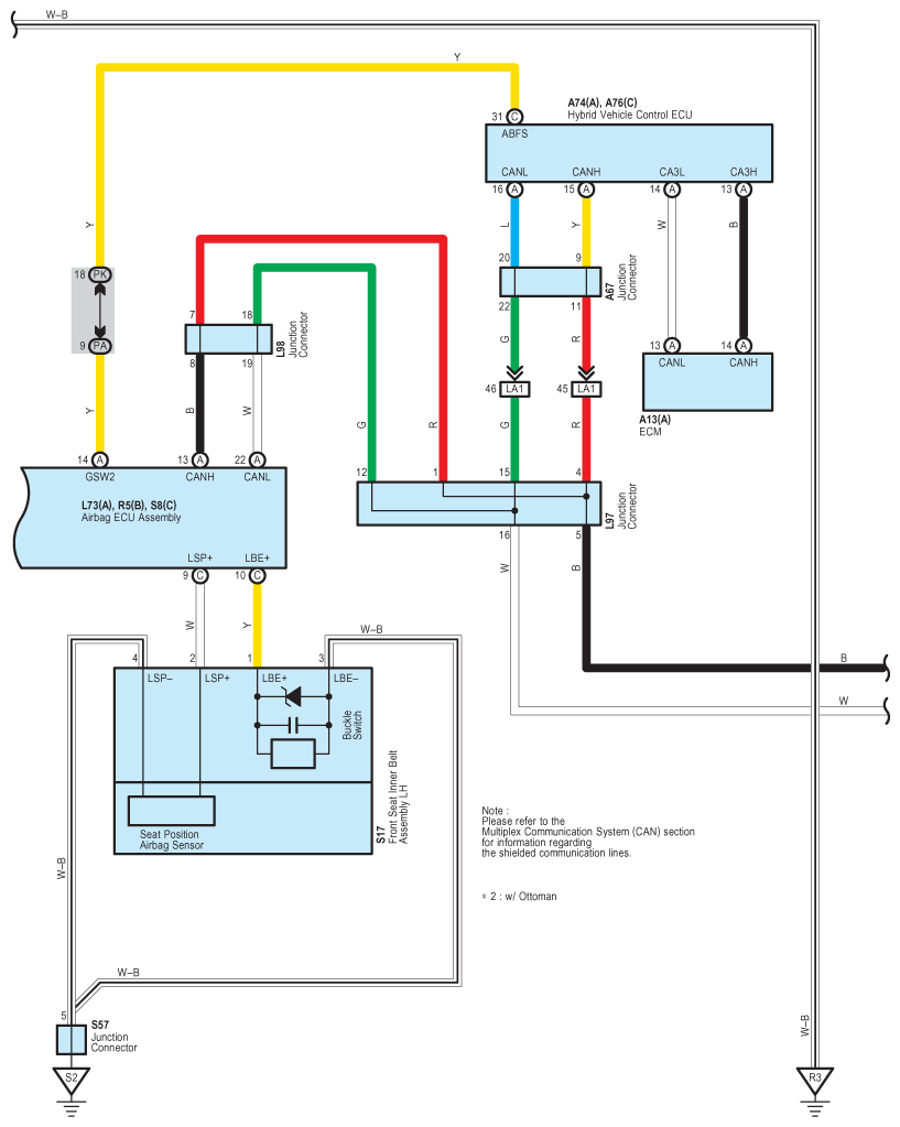
Fig 2: SRS - Circuit Diagram (1 Of 5)
G07607158Courtesy of © TOYOTA, LICENSE AGREEMENT TMS1002
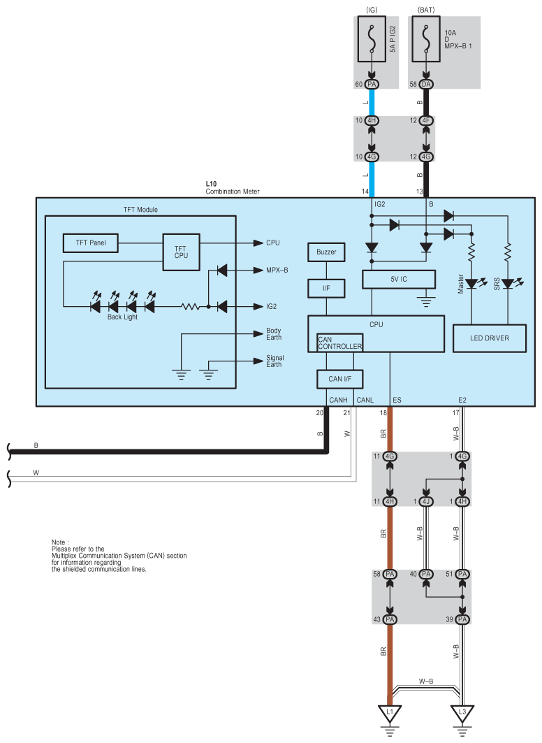
Fig 3: SRS - Circuit Diagram (2 Of 5)
G07607159Courtesy of © TOYOTA, LICENSE AGREEMENT TMS1002
Fig 4: SRS - Circuit Diagram (3 Of 5)
G07607160Courtesy of © TOYOTA, LICENSE AGREEMENT TMS1002
Fig 5: SRS - Circuit Diagram (4 Of 5)
G07607161Courtesy of © TOYOTA, LICENSE AGREEMENT TMS1002
Fig 6: SRS - Circuit Diagram (5 Of 5)
G07607162Courtesy of © TOYOTA, LICENSE AGREEMENT TMS1002