LEMON Manuals: Even more car manuals for everyone: 1960-2025
Home >> Lexus >> 2009 >> LS 600hL >> Repair and Diagnosis >> Electrical >> Body Electrical >> OEM System Circuits >> Smart Access System with Push-Button Start >> Notes
April 5, 2026: LEMON Manuals is launched! Read the announcement.

Smart Access System with Push-Button Start: Notes

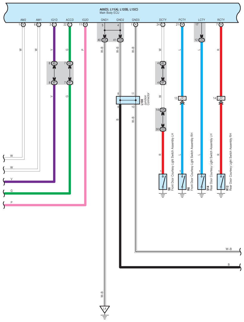
Fig 1: Smart Access System With Push-Button Start - Circuit Diagram (1 Of 24)
G07606881Courtesy of © TOYOTA, LICENSE AGREEMENT TMS1002
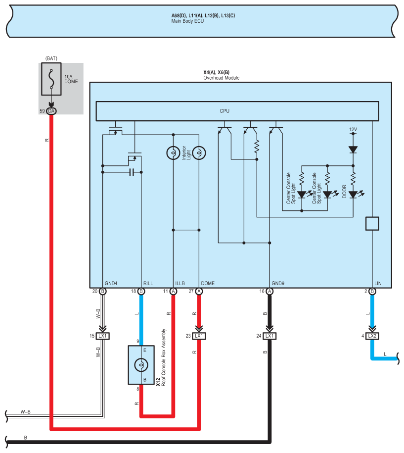
Fig 2: Smart Access System With Push-Button Start - Circuit Diagram (2 Of 24)
G07606882Courtesy of © TOYOTA, LICENSE AGREEMENT TMS1002
Fig 3: Smart Access System With Push-Button Start - Circuit Diagram (3 Of 24)
G07606883Courtesy of © TOYOTA, LICENSE AGREEMENT TMS1002
Fig 4: Smart Access System With Push-Button Start - Circuit Diagram (4 Of 24)
G07606884Courtesy of © TOYOTA, LICENSE AGREEMENT TMS1002
Fig 5: Smart Access System With Push-Button Start - Circuit Diagram (5 Of 24)
G07606885Courtesy of © TOYOTA, LICENSE AGREEMENT TMS1002
Fig 6: Smart Access System With Push-Button Start - Circuit Diagram (6 Of 24)
G07606886Courtesy of © TOYOTA, LICENSE AGREEMENT TMS1002
Fig 7: Smart Access System With Push-Button Start - Circuit Diagram (7 Of 24)
G07606887Courtesy of © TOYOTA, LICENSE AGREEMENT TMS1002
Fig 8: Smart Access System With Push-Button Start - Circuit Diagram (8 Of 24)
G07606888Courtesy of © TOYOTA, LICENSE AGREEMENT TMS1002
Fig 9: Smart Access System With Push-Button Start - Circuit Diagram (9 Of 24)
G07606889Courtesy of © TOYOTA, LICENSE AGREEMENT TMS1002
Fig 10: Smart Access System With Push-Button Start - Circuit Diagram (10 Of 24)
G07606890Courtesy of © TOYOTA, LICENSE AGREEMENT TMS1002
Fig 11: Smart Access System With Push-Button Start - Circuit Diagram (11 Of 24)
G07606891Courtesy of © TOYOTA, LICENSE AGREEMENT TMS1002
Fig 12: Smart Access System With Push-Button Start - Circuit Diagram (12 Of 24)
G07606892Courtesy of © TOYOTA, LICENSE AGREEMENT TMS1002
Fig 13: Smart Access System With Push-Button Start - Circuit Diagram (13 Of 24)
G07606893Courtesy of © TOYOTA, LICENSE AGREEMENT TMS1002
Fig 14: Smart Access System With Push-Button Start - Circuit Diagram (14 Of 24)
G07606894Courtesy of © TOYOTA, LICENSE AGREEMENT TMS1002
Fig 15: Smart Access System With Push-Button Start - Circuit Diagram (15 Of 24)
G07606895Courtesy of © TOYOTA, LICENSE AGREEMENT TMS1002
Fig 16: Smart Access System With Push-Button Start - Circuit Diagram (16 Of 24)
G07606896Courtesy of © TOYOTA, LICENSE AGREEMENT TMS1002
Fig 17: Smart Access System With Push-Button Start - Circuit Diagram (17 Of 24)
G07606897Courtesy of © TOYOTA, LICENSE AGREEMENT TMS1002
Fig 18: Smart Access System With Push-Button Start - Circuit Diagram (18 Of 24)
G07606898Courtesy of © TOYOTA, LICENSE AGREEMENT TMS1002
Fig 19: Smart Access System With Push-Button Start - Circuit Diagram (19 Of 24)
G07606899Courtesy of © TOYOTA, LICENSE AGREEMENT TMS1002
Fig 20: Smart Access System With Push-Button Start - Circuit Diagram (20 Of 24)
G07606900Courtesy of © TOYOTA, LICENSE AGREEMENT TMS1002
Fig 21: Smart Access System With Push-Button Start - Circuit Diagram (21 Of 24)
G07606901Courtesy of © TOYOTA, LICENSE AGREEMENT TMS1002
Fig 22: Smart Access System With Push-Button Start - Circuit Diagram (22 Of 24)
G07606902Courtesy of © TOYOTA, LICENSE AGREEMENT TMS1002
Fig 23: Smart Access System With Push-Button Start - Circuit Diagram (23 Of 24)
G07606903Courtesy of © TOYOTA, LICENSE AGREEMENT TMS1002
Fig 24: Smart Access System With Push-Button Start - Circuit Diagram (24 Of 24)
G07606904Courtesy of © TOYOTA, LICENSE AGREEMENT TMS1002