LEMON Manuals: Even more car manuals for everyone: 1960-2025
Home >> Lexus >> 2010 >> ES 350 >> Repair and Diagnosis (Single Page) >> Electrical >> Body Electrical >> OEM System Circuits >> Audio System (w/ LEXUS Navigation System), LEXUS Navigation System and Parking Assist (Rear View Monitor) >> Notes
April 5, 2026: LEMON Manuals is launched! Read the announcement.

Audio System (w/ LEXUS Navigation System), LEXUS Navigation System and Parking Assist (Rear View Monitor): Notes

Fig 1: Audio System (w/ Lexus Navigation System), Lexus Navigation System And Parking Assist (Rear View Monitor) - Circuit Diagram (1 Of 10)
G07550591Courtesy of © TOYOTA, LICENSE AGREEMENT TMS1002
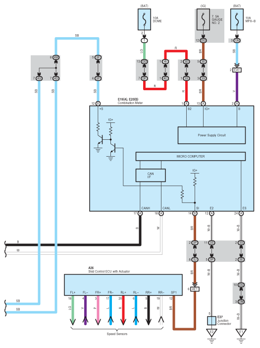
Fig 2: Audio System (w/ Lexus Navigation System), Lexus Navigation System And Parking Assist (Rear View Monitor) - Circuit Diagram (2 Of 10)
G07550592Courtesy of © TOYOTA, LICENSE AGREEMENT TMS1002
Fig 3: Audio System (w/ Lexus Navigation System), Lexus Navigation System And Parking Assist (Rear View Monitor) - Circuit Diagram (3 Of 10)
G07550593Courtesy of © TOYOTA, LICENSE AGREEMENT TMS1002
Fig 4: Audio System (w/ Lexus Navigation System), Lexus Navigation System And Parking Assist (Rear View Monitor) - Circuit Diagram (4 Of 10)
G07550594Courtesy of © TOYOTA, LICENSE AGREEMENT TMS1002
Fig 5: Audio System (w/ Lexus Navigation System), Lexus Navigation System And Parking Assist (Rear View Monitor) - Circuit Diagram (5 Of 10)
G07550595Courtesy of © TOYOTA, LICENSE AGREEMENT TMS1002
Fig 6: Audio System (w/ Lexus Navigation System), Lexus Navigation System And Parking Assist (Rear View Monitor) - Circuit Diagram (6 Of 10)
G07550596Courtesy of © TOYOTA, LICENSE AGREEMENT TMS1002
Fig 7: Audio System (w/ Lexus Navigation System), Lexus Navigation System And Parking Assist (Rear View Monitor) - Circuit Diagram (7 Of 10)
G07550597Courtesy of © TOYOTA, LICENSE AGREEMENT TMS1002
Fig 8: Audio System (w/ Lexus Navigation System), Lexus Navigation System And Parking Assist (Rear View Monitor) - Circuit Diagram (8 Of 10)
G07550598Courtesy of © TOYOTA, LICENSE AGREEMENT TMS1002
Fig 9: Audio System (w/ Lexus Navigation System), Lexus Navigation System And Parking Assist (Rear View Monitor) - Circuit Diagram (9 Of 10)
G07550599Courtesy of © TOYOTA, LICENSE AGREEMENT TMS1002
Fig 10: Audio System (w/ Lexus Navigation System), Lexus Navigation System And Parking Assist (Rear View Monitor) - Circuit Diagram (10 Of 10)
G07550600Courtesy of © TOYOTA, LICENSE AGREEMENT TMS1002