LEMON Manuals: Even more car manuals for everyone: 1960-2025
Home >> Lexus >> 2010 >> ES 350 >> Repair and Diagnosis >> Electrical >> Body Electrical >> OEM System Circuits >> Sliding Roof >> Notes
April 5, 2026: LEMON Manuals is launched! Read the announcement.

Sliding Roof: Notes

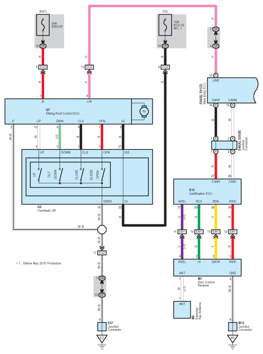
Fig 1: Sliding Roof - Circuit Diagram (1 Of 2)
G07550543Courtesy of © TOYOTA, LICENSE AGREEMENT TMS1002
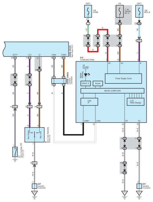
Fig 2: Sliding Roof - Circuit Diagram (2 Of 2)
G07550544Courtesy of © TOYOTA, LICENSE AGREEMENT TMS1002