LEMON Manuals: Even more car manuals for everyone: 1960-2025
Home >> Lexus >> 2010 >> GX 460 >> Repair and Diagnosis >> Electrical >> Body Electrical >> OEM System Circuits >> Audio System (17 Speaker w/ LEXUS Navigation System), LEXUS Navigation System (17 Speaker), Multi-Terrain Monitor (17 Speaker w/ LEXUS Navigation System) and Parking Assist (Rear View Monitor and Wide-View Front & Side Monitor) (17 Speaker w/ LEXUS Navigation System) >> Notes
April 5, 2026: LEMON Manuals is launched! Read the announcement.

Audio System (17 Speaker w/ LEXUS Navigation System), LEXUS Navigation System (17 Speaker), Multi-Terrain Monitor (17 Speaker w/ LEXUS Navigation System) and Parking Assist (Rear View Monitor and Wide-View Front & Side Monitor) (17 Speaker w/ LEXUS Navigation System): Notes

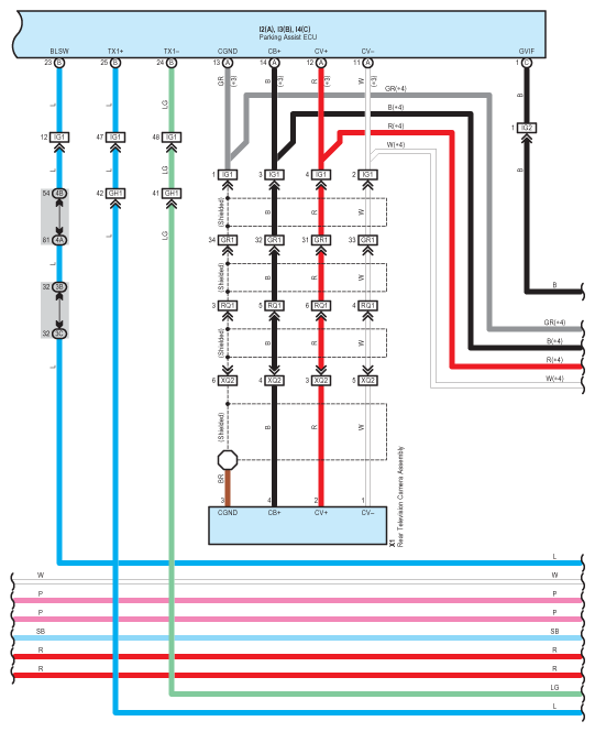
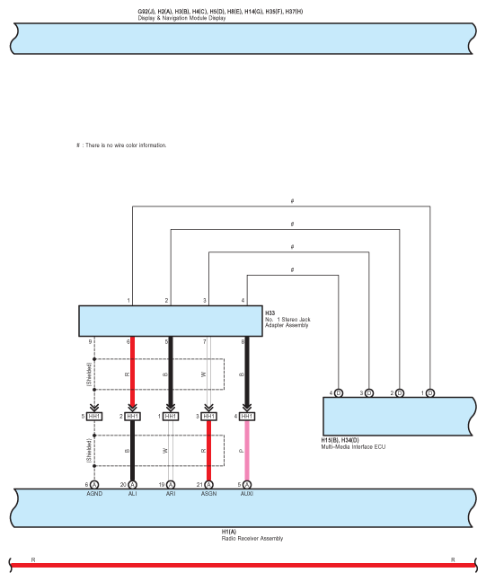
Fig 1: Audio System, Lexus Navigation System, Multi-Terrain Monitor And Parking Assist (Rear View Monitor And Wide-View Front & Side Monitor) - Circuit Diagram (1 Of 29)
G07579569Courtesy of © TOYOTA, LICENSE AGREEMENT TMS1002
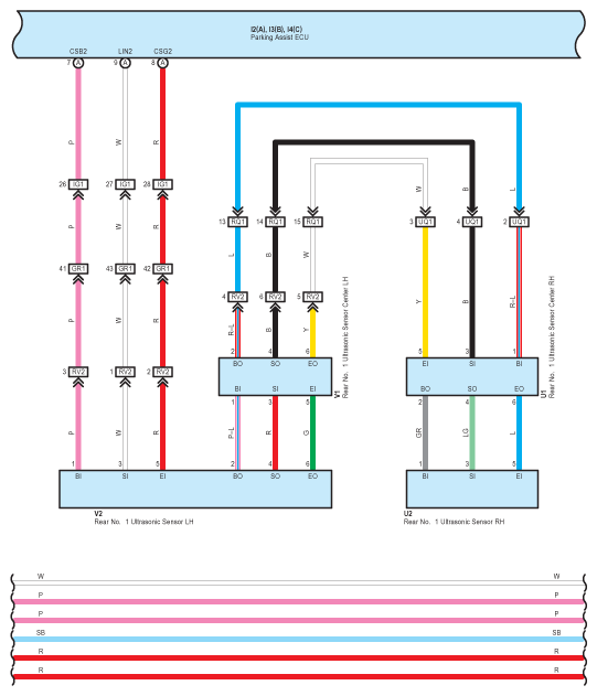
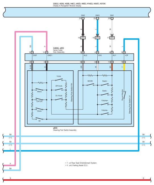
Fig 2: Audio System, Lexus Navigation System, Multi-Terrain Monitor And Parking Assist (Rear View Monitor And Wide-View Front & Side Monitor) - Circuit Diagram (2 Of 29)
G07579570Courtesy of © TOYOTA, LICENSE AGREEMENT TMS1002
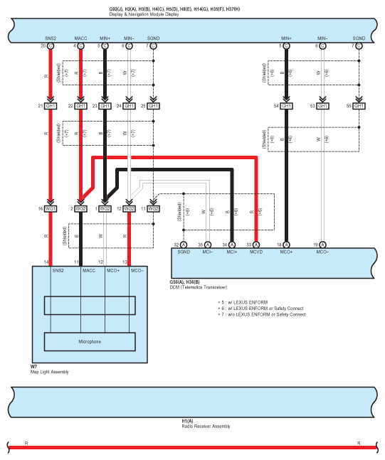
Fig 3: Audio System, Lexus Navigation System, Multi-Terrain Monitor And Parking Assist (Rear View Monitor And Wide-View Front & Side Monitor) - Circuit Diagram (3 Of 29)
G07579571Courtesy of © TOYOTA, LICENSE AGREEMENT TMS1002
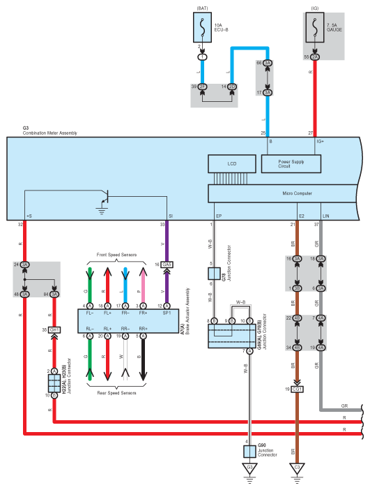
Fig 4: Audio System, Lexus Navigation System, Multi-Terrain Monitor And Parking Assist (Rear View Monitor And Wide-View Front & Side Monitor) - Circuit Diagram (4 Of 29)
G07579572Courtesy of © TOYOTA, LICENSE AGREEMENT TMS1002
Fig 5: Audio System, Lexus Navigation System, Multi-Terrain Monitor And Parking Assist (Rear View Monitor And Wide-View Front & Side Monitor) - Circuit Diagram (5 Of 29)
G07579573Courtesy of © TOYOTA, LICENSE AGREEMENT TMS1002
Fig 6: Audio System, Lexus Navigation System, Multi-Terrain Monitor And Parking Assist (Rear View Monitor And Wide-View Front & Side Monitor) - Circuit Diagram (6 Of 29)
G07579574Courtesy of © TOYOTA, LICENSE AGREEMENT TMS1002
Fig 7: Audio System, Lexus Navigation System, Multi-Terrain Monitor And Parking Assist (Rear View Monitor And Wide-View Front & Side Monitor) - Circuit Diagram (7 Of 29)
G07579575Courtesy of © TOYOTA, LICENSE AGREEMENT TMS1002
Fig 8: Audio System, Lexus Navigation System, Multi-Terrain Monitor And Parking Assist (Rear View Monitor And Wide-View Front & Side Monitor) - Circuit Diagram (8 Of 29)
G07579576Courtesy of © TOYOTA, LICENSE AGREEMENT TMS1002
Fig 9: Audio System, Lexus Navigation System, Multi-Terrain Monitor And Parking Assist (Rear View Monitor And Wide-View Front & Side Monitor) - Circuit Diagram (9 Of 29)
G07579577Courtesy of © TOYOTA, LICENSE AGREEMENT TMS1002
Fig 10: Audio System, Lexus Navigation System, Multi-Terrain Monitor And Parking Assist (Rear View Monitor And Wide-View Front & Side Monitor) - Circuit Diagram (10 Of 29)
G07579578Courtesy of © TOYOTA, LICENSE AGREEMENT TMS1002
Fig 11: Audio System, Lexus Navigation System, Multi-Terrain Monitor And Parking Assist (Rear View Monitor And Wide-View Front & Side Monitor) - Circuit Diagram (11 Of 29)
G07579579Courtesy of © TOYOTA, LICENSE AGREEMENT TMS1002
Fig 12: Audio System, Lexus Navigation System, Multi-Terrain Monitor And Parking Assist (Rear View Monitor And Wide-View Front & Side Monitor) - Circuit Diagram (12 Of 29)
G07579580Courtesy of © TOYOTA, LICENSE AGREEMENT TMS1002
Fig 13: Audio System, Lexus Navigation System, Multi-Terrain Monitor And Parking Assist (Rear View Monitor And Wide-View Front & Side Monitor) - Circuit Diagram (13 Of 29)
G07579581Courtesy of © TOYOTA, LICENSE AGREEMENT TMS1002
Fig 14: Audio System, Lexus Navigation System, Multi-Terrain Monitor And Parking Assist (Rear View Monitor And Wide-View Front & Side Monitor) - Circuit Diagram (14 Of 29)
G07579582Courtesy of © TOYOTA, LICENSE AGREEMENT TMS1002
Fig 15: Audio System, Lexus Navigation System, Multi-Terrain Monitor And Parking Assist (Rear View Monitor And Wide-View Front & Side Monitor) - Circuit Diagram (15 Of 29)
G07579583Courtesy of © TOYOTA, LICENSE AGREEMENT TMS1002
Fig 16: Audio System, Lexus Navigation System, Multi-Terrain Monitor And Parking Assist (Rear View Monitor And Wide-View Front & Side Monitor) - Circuit Diagram (16 Of 29)
G07579584Courtesy of © TOYOTA, LICENSE AGREEMENT TMS1002
Fig 17: Audio System, Lexus Navigation System, Multi-Terrain Monitor And Parking Assist (Rear View Monitor And Wide-View Front & Side Monitor) - Circuit Diagram (17 Of 29)
G07579585Courtesy of © TOYOTA, LICENSE AGREEMENT TMS1002
Fig 18: Audio System, Lexus Navigation System, Multi-Terrain Monitor And Parking Assist (Rear View Monitor And Wide-View Front & Side Monitor) - Circuit Diagram (18 Of 29)
G07579586Courtesy of © TOYOTA, LICENSE AGREEMENT TMS1002
Fig 19: Audio System, Lexus Navigation System, Multi-Terrain Monitor And Parking Assist (Rear View Monitor And Wide-View Front & Side Monitor) - Circuit Diagram (19 Of 29)
G07579587Courtesy of © TOYOTA, LICENSE AGREEMENT TMS1002
Fig 20: Audio System, Lexus Navigation System, Multi-Terrain Monitor And Parking Assist (Rear View Monitor And Wide-View Front & Side Monitor) - Circuit Diagram (20 Of 29)
G07579588Courtesy of © TOYOTA, LICENSE AGREEMENT TMS1002
Fig 21: Audio System, Lexus Navigation System, Multi-Terrain Monitor And Parking Assist (Rear View Monitor And Wide-View Front & Side Monitor) - Circuit Diagram (21 Of 29)
G07579589Courtesy of © TOYOTA, LICENSE AGREEMENT TMS1002
Fig 22: Audio System, Lexus Navigation System, Multi-Terrain Monitor And Parking Assist (Rear View Monitor And Wide-View Front & Side Monitor) - Circuit Diagram (22 Of 29)
G07579590Courtesy of © TOYOTA, LICENSE AGREEMENT TMS1002
Fig 23: Audio System, Lexus Navigation System, Multi-Terrain Monitor And Parking Assist (Rear View Monitor And Wide-View Front & Side Monitor) - Circuit Diagram (23 Of 29)
G07579591Courtesy of © TOYOTA, LICENSE AGREEMENT TMS1002
Fig 24: Audio System, Lexus Navigation System, Multi-Terrain Monitor And Parking Assist (Rear View Monitor And Wide-View Front & Side Monitor) - Circuit Diagram (24 Of 29)
G07579592Courtesy of © TOYOTA, LICENSE AGREEMENT TMS1002
Fig 25: Audio System, Lexus Navigation System, Multi-Terrain Monitor And Parking Assist (Rear View Monitor And Wide-View Front & Side Monitor) - Circuit Diagram (25 Of 29)
G07579593Courtesy of © TOYOTA, LICENSE AGREEMENT TMS1002
Fig 26: Audio System, Lexus Navigation System, Multi-Terrain Monitor And Parking Assist (Rear View Monitor And Wide-View Front & Side Monitor) - Circuit Diagram (26 Of 29)
G07579594Courtesy of © TOYOTA, LICENSE AGREEMENT TMS1002
Fig 27: Audio System, Lexus Navigation System, Multi-Terrain Monitor And Parking Assist (Rear View Monitor And Wide-View Front & Side Monitor) - Circuit Diagram (27 Of 29)
G07579595Courtesy of © TOYOTA, LICENSE AGREEMENT TMS1002
Fig 28: Audio System, Lexus Navigation System, Multi-Terrain Monitor And Parking Assist (Rear View Monitor And Wide-View Front & Side Monitor) - Circuit Diagram (28 Of 29)
G07579596Courtesy of © TOYOTA, LICENSE AGREEMENT TMS1002
Fig 29: Audio System, Lexus Navigation System, Multi-Terrain Monitor And Parking Assist (Rear View Monitor And Wide-View Front & Side Monitor) - Circuit Diagram (29 Of 29)
G07579597Courtesy of © TOYOTA, LICENSE AGREEMENT TMS1002