LEMON Manuals: Even more car manuals for everyone: 1960-2025
Home >> Lexus >> 2010 >> GX 460 >> Repair and Diagnosis >> Electrical >> Body Electrical >> OEM System Circuits >> Audio System (9 Speaker w/ LEXUS Navigation System), LEXUS Navigation System (9 Speaker), Multi-Terrain Monitor (9 Speaker w/ LEXUS Navigation System) and Parking Assist (Rear View Monitor and Wide-View Front & Side Monitor) (9 Speaker w/ LEXUS Navigation System) >> Notes
April 5, 2026: LEMON Manuals is launched! Read the announcement.

Audio System (9 Speaker w/ LEXUS Navigation System), LEXUS Navigation System (9 Speaker), Multi-Terrain Monitor (9 Speaker w/ LEXUS Navigation System) and Parking Assist (Rear View Monitor and Wide-View Front & Side Monitor) (9 Speaker w/ LEXUS Navigation System): Notes

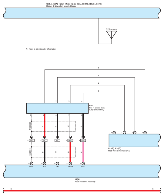
Fig 1: Audio System, Lexus Navigation System, Multi-Terrain Monitor And Parking Assist (Rear View Monitor And Wide-View Front & Side Monitor) - Circuit Diagram (1 Of 23)
G07579598Courtesy of © TOYOTA, LICENSE AGREEMENT TMS1002
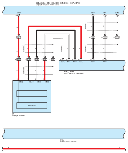
Fig 2: Audio System, Lexus Navigation System, Multi-Terrain Monitor And Parking Assist (Rear View Monitor And Wide-View Front & Side Monitor) - Circuit Diagram (2 Of 23)
G07579599Courtesy of © TOYOTA, LICENSE AGREEMENT TMS1002
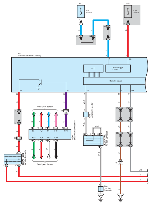
Fig 3: Audio System, Lexus Navigation System, Multi-Terrain Monitor And Parking Assist (Rear View Monitor And Wide-View Front & Side Monitor) - Circuit Diagram (3 Of 23)
G07579600Courtesy of © TOYOTA, LICENSE AGREEMENT TMS1002
Fig 4: Audio System, Lexus Navigation System, Multi-Terrain Monitor And Parking Assist (Rear View Monitor And Wide-View Front & Side Monitor) - Circuit Diagram (4 Of 23)
G07579601Courtesy of © TOYOTA, LICENSE AGREEMENT TMS1002
Fig 5: Audio System, Lexus Navigation System, Multi-Terrain Monitor And Parking Assist (Rear View Monitor And Wide-View Front & Side Monitor) - Circuit Diagram (5 Of 23)
G07579602Courtesy of © TOYOTA, LICENSE AGREEMENT TMS1002
Fig 6: Audio System, Lexus Navigation System, Multi-Terrain Monitor And Parking Assist (Rear View Monitor And Wide-View Front & Side Monitor) - Circuit Diagram (6 Of 23)
G07579603Courtesy of © TOYOTA, LICENSE AGREEMENT TMS1002
Fig 7: Audio System, Lexus Navigation System, Multi-Terrain Monitor And Parking Assist (Rear View Monitor And Wide-View Front & Side Monitor) - Circuit Diagram (7 Of 23)
G07579604Courtesy of © TOYOTA, LICENSE AGREEMENT TMS1002
Fig 8: Audio System, Lexus Navigation System, Multi-Terrain Monitor And Parking Assist (Rear View Monitor And Wide-View Front & Side Monitor) - Circuit Diagram (8 Of 23)
G07579605Courtesy of © TOYOTA, LICENSE AGREEMENT TMS1002
Fig 9: Audio System, Lexus Navigation System, Multi-Terrain Monitor And Parking Assist (Rear View Monitor And Wide-View Front & Side Monitor) - Circuit Diagram (9 Of 23)
G07579606Courtesy of © TOYOTA, LICENSE AGREEMENT TMS1002
Fig 10: Audio System, Lexus Navigation System, Multi-Terrain Monitor And Parking Assist (Rear View Monitor And Wide-View Front & Side Monitor) - Circuit Diagram (10 Of 23)
G07579607Courtesy of © TOYOTA, LICENSE AGREEMENT TMS1002
Fig 11: Audio System, Lexus Navigation System, Multi-Terrain Monitor And Parking Assist (Rear View Monitor And Wide-View Front & Side Monitor) - Circuit Diagram (11 Of 23)
G07579608Courtesy of © TOYOTA, LICENSE AGREEMENT TMS1002
Fig 12: Audio System, Lexus Navigation System, Multi-Terrain Monitor And Parking Assist (Rear View Monitor And Wide-View Front & Side Monitor) - Circuit Diagram (12 Of 23)
G07579609Courtesy of © TOYOTA, LICENSE AGREEMENT TMS1002
Fig 13: Audio System, Lexus Navigation System, Multi-Terrain Monitor And Parking Assist (Rear View Monitor And Wide-View Front & Side Monitor) - Circuit Diagram (13 Of 23)
G07579610Courtesy of © TOYOTA, LICENSE AGREEMENT TMS1002
Fig 14: Audio System, Lexus Navigation System, Multi-Terrain Monitor And Parking Assist (Rear View Monitor And Wide-View Front & Side Monitor) - Circuit Diagram (14 Of 23)
G07579611Courtesy of © TOYOTA, LICENSE AGREEMENT TMS1002
Fig 15: Audio System, Lexus Navigation System, Multi-Terrain Monitor And Parking Assist (Rear View Monitor And Wide-View Front & Side Monitor) - Circuit Diagram (15 Of 23)
G07579612Courtesy of © TOYOTA, LICENSE AGREEMENT TMS1002
Fig 16: Audio System, Lexus Navigation System, Multi-Terrain Monitor And Parking Assist (Rear View Monitor And Wide-View Front & Side Monitor) - Circuit Diagram (16 Of 23)
G07579613Courtesy of © TOYOTA, LICENSE AGREEMENT TMS1002
Fig 17: Audio System, Lexus Navigation System, Multi-Terrain Monitor And Parking Assist (Rear View Monitor And Wide-View Front & Side Monitor) - Circuit Diagram (17 Of 23)
G07579614Courtesy of © TOYOTA, LICENSE AGREEMENT TMS1002
Fig 18: Audio System, Lexus Navigation System, Multi-Terrain Monitor And Parking Assist (Rear View Monitor And Wide-View Front & Side Monitor) - Circuit Diagram (18 Of 23)
G07579615Courtesy of © TOYOTA, LICENSE AGREEMENT TMS1002
Fig 19: Audio System, Lexus Navigation System, Multi-Terrain Monitor And Parking Assist (Rear View Monitor And Wide-View Front & Side Monitor) - Circuit Diagram (19 Of 23)
G07579616Courtesy of © TOYOTA, LICENSE AGREEMENT TMS1002
Fig 20: Audio System, Lexus Navigation System, Multi-Terrain Monitor And Parking Assist (Rear View Monitor And Wide-View Front & Side Monitor) - Circuit Diagram (20 Of 23)
G07579617Courtesy of © TOYOTA, LICENSE AGREEMENT TMS1002
Fig 21: Audio System, Lexus Navigation System, Multi-Terrain Monitor And Parking Assist (Rear View Monitor And Wide-View Front & Side Monitor) - Circuit Diagram (21 Of 23)
G07579618Courtesy of © TOYOTA, LICENSE AGREEMENT TMS1002
Fig 22: Audio System, Lexus Navigation System, Multi-Terrain Monitor And Parking Assist (Rear View Monitor And Wide-View Front & Side Monitor) - Circuit Diagram (22 Of 23)
G07579619Courtesy of © TOYOTA, LICENSE AGREEMENT TMS1002
Fig 23: Audio System, Lexus Navigation System, Multi-Terrain Monitor And Parking Assist (Rear View Monitor And Wide-View Front & Side Monitor) - Circuit Diagram (23 Of 23)
G07579620Courtesy of © TOYOTA, LICENSE AGREEMENT TMS1002