LEMON Manuals: Even more car manuals for everyone: 1960-2025
Home >> Lexus >> 2010 >> HS 250h >> Repair and Diagnosis >> External Pages >> Different car >> Section 33 (Engine Control System (Diagnostics - Introduction)) >> SFI System >> System Diagram >> System Diagram
April 5, 2026: LEMON Manuals is launched! Read the announcement.

System Diagram

WARNING: This page is about a different car, the 2010 Lexus GS 450h. However, it is still accessible from the selected car via links, so may be relevant.
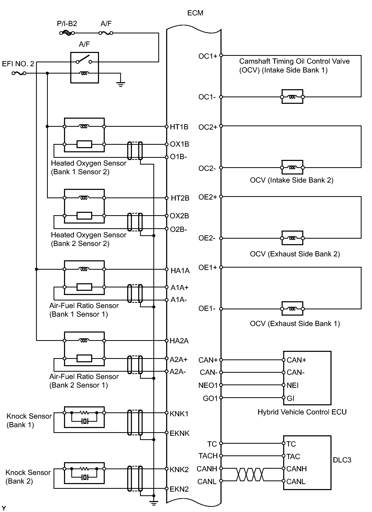
Fig 1: Engine Control (SFI) System Diagram (1 Of 5)
GTY128335Courtesy of © TOYOTA, LICENSE AGREEMENT TMS1002
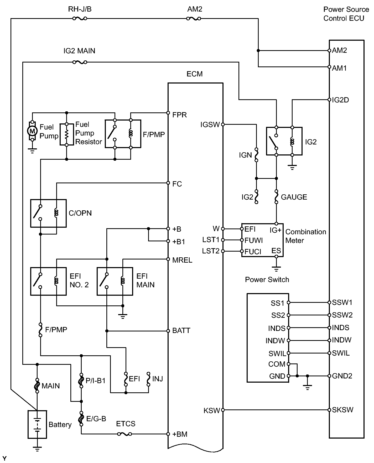
Fig 2: Engine Control (SFI) System Diagram (2 Of 5)
GTY283427Courtesy of © TOYOTA, LICENSE AGREEMENT TMS1002
Fig 3: Engine Control (SFI) System Diagram (3 Of 5)
GTY137965Courtesy of © TOYOTA, LICENSE AGREEMENT TMS1002
Fig 4: Engine Control (SFI) System Diagram (4 Of 5)
GTY133290Courtesy of © TOYOTA, LICENSE AGREEMENT TMS1002
Fig 5: Engine Control (SFI) System Diagram (5 Of 5)
GTY139230Courtesy of © TOYOTA, LICENSE AGREEMENT TMS1002