LEMON Manuals: Even more car manuals for everyone: 1960-2025
Home >> Lexus >> 2010 >> IS 250 AWD >> Repair and Diagnosis (Single Page) >> Engine Performance >> System >> Engine Control System (Diagnostics - Introduction) >> SFI System >> System Diagram >> System Diagram
April 5, 2026: LEMON Manuals is launched! Read the announcement.

System Diagram

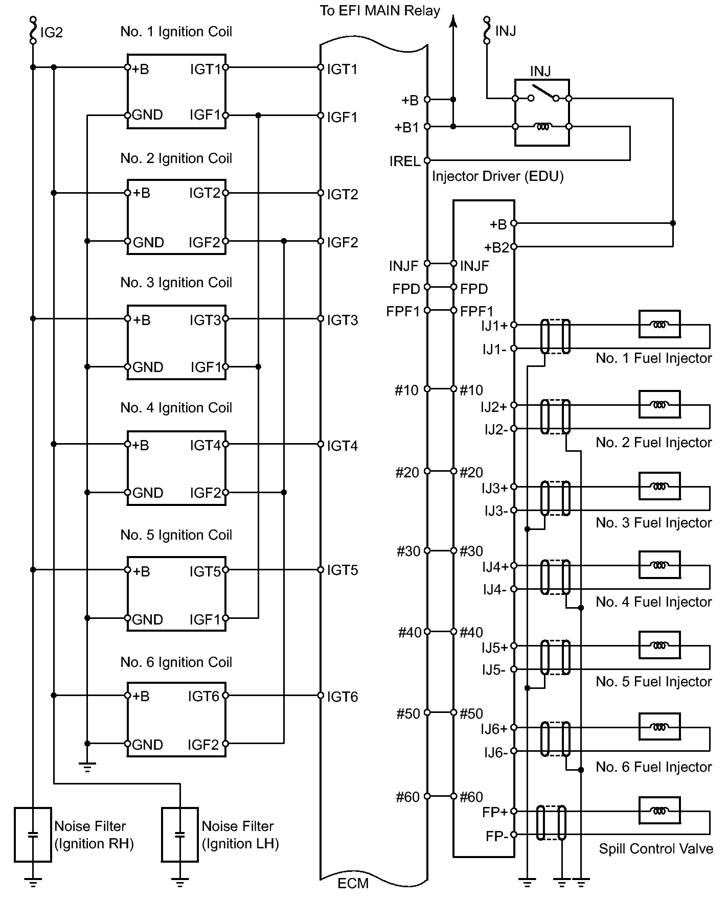
Fig 1: Identifying Engine Control (SFI) System Diagram (1 Of 5)
GTY272865Courtesy of © TOYOTA, LICENSE AGREEMENT TMS1002
Fig 2: Identifying Engine Control (SFI) System Diagram (2 Of 5)
GTY275979Courtesy of © TOYOTA, LICENSE AGREEMENT TMS1002
Fig 3: Identifying Engine Control (SFI) System Diagram (3 Of 5)
GTY256620Courtesy of © TOYOTA, LICENSE AGREEMENT TMS1002
Fig 4: Identifying Engine Control (SFI) System Diagram (4 Of 5)
GTY137511Courtesy of © TOYOTA, LICENSE AGREEMENT TMS1002
Fig 5: Identifying Engine Control (SFI) System Diagram (4 Of 5)
GTY281137Courtesy of © TOYOTA, LICENSE AGREEMENT TMS1002