LEMON Manuals: Even more car manuals for everyone: 1960-2025
Home >> Lexus >> 2010 >> IS 250 AWD >> Repair and Diagnosis >> Electrical >> Body Electrical >> OEM System Circuits >> Audio System (w/ LEXUS Navigation System), LEXUS Navigation System and Parking Assist (Rear View Monitor) >> Notes
April 5, 2026: LEMON Manuals is launched! Read the announcement.

Audio System (w/ LEXUS Navigation System), LEXUS Navigation System and Parking Assist (Rear View Monitor): Notes

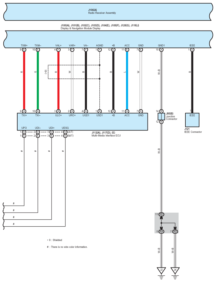
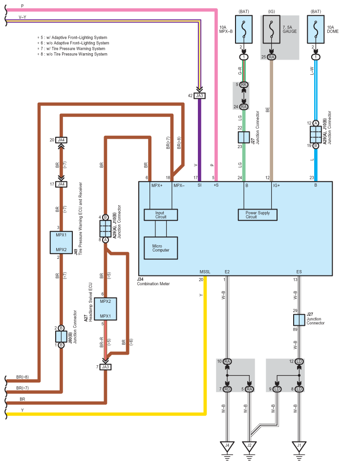
Fig 1: Audio System (W/ Lexus Navigation System), Lexus Navigation System And Parking Assist (Rear View Monitor) - Circuit Diagram (1 Of 17)
G07559260Courtesy of © TOYOTA, LICENSE AGREEMENT TMS1002
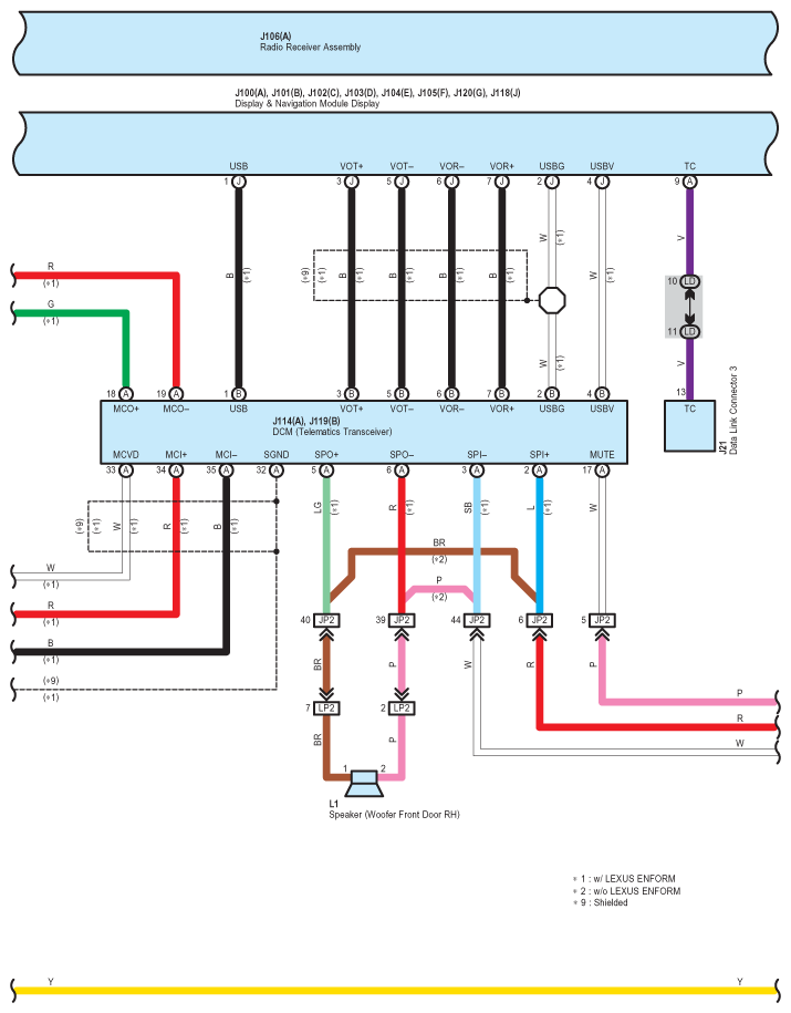
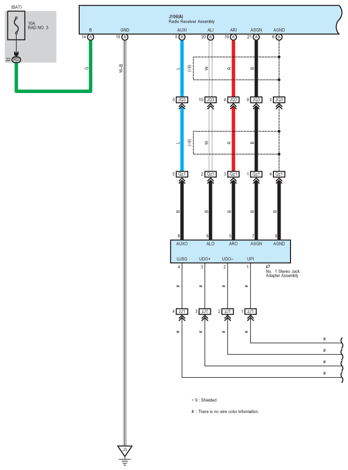
Fig 2: Audio System (W/ Lexus Navigation System), Lexus Navigation System And Parking Assist (Rear View Monitor) - Circuit Diagram (2 Of 17)
G07559261Courtesy of © TOYOTA, LICENSE AGREEMENT TMS1002
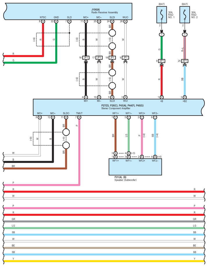
Fig 3: Audio System (W/ Lexus Navigation System), Lexus Navigation System And Parking Assist (Rear View Monitor) - Circuit Diagram (3 Of 17)
G07559262Courtesy of © TOYOTA, LICENSE AGREEMENT TMS1002
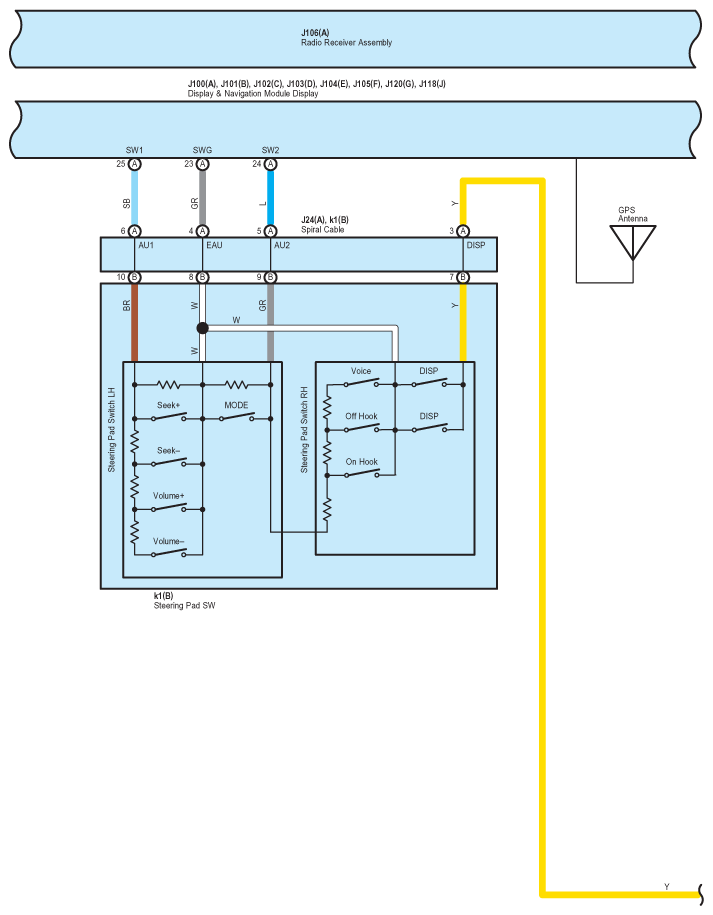
Fig 4: Audio System (W/ Lexus Navigation System), Lexus Navigation System And Parking Assist (Rear View Monitor) - Circuit Diagram (4 Of 17)
G07559263Courtesy of © TOYOTA, LICENSE AGREEMENT TMS1002
Fig 5: Audio System (W/ Lexus Navigation System), Lexus Navigation System And Parking Assist (Rear View Monitor) - Circuit Diagram (5 Of 17)
G07559264Courtesy of © TOYOTA, LICENSE AGREEMENT TMS1002
Fig 6: Audio System (W/ Lexus Navigation System), Lexus Navigation System And Parking Assist (Rear View Monitor) - Circuit Diagram (6 Of 17)
G07559265Courtesy of © TOYOTA, LICENSE AGREEMENT TMS1002
Fig 7: Audio System (W/ Lexus Navigation System), Lexus Navigation System And Parking Assist (Rear View Monitor) - Circuit Diagram (7 Of 17)
G07559266Courtesy of © TOYOTA, LICENSE AGREEMENT TMS1002
Fig 8: Audio System (W/ Lexus Navigation System), Lexus Navigation System And Parking Assist (Rear View Monitor) - Circuit Diagram (8 Of 17)
G07559267Courtesy of © TOYOTA, LICENSE AGREEMENT TMS1002
Fig 9: Audio System (W/ Lexus Navigation System), Lexus Navigation System And Parking Assist (Rear View Monitor) - Circuit Diagram (9 Of 17)
G07559268Courtesy of © TOYOTA, LICENSE AGREEMENT TMS1002
Fig 10: Audio System (W/ Lexus Navigation System), Lexus Navigation System And Parking Assist (Rear View Monitor) - Circuit Diagram (10 Of 17)
G07559269Courtesy of © TOYOTA, LICENSE AGREEMENT TMS1002
Fig 11: Audio System (W/ Lexus Navigation System), Lexus Navigation System And Parking Assist (Rear View Monitor) - Circuit Diagram (11 Of 17)
G07559270Courtesy of © TOYOTA, LICENSE AGREEMENT TMS1002
Fig 12: Audio System (W/ Lexus Navigation System), Lexus Navigation System And Parking Assist (Rear View Monitor) - Circuit Diagram (12 Of 17)
G07559271Courtesy of © TOYOTA, LICENSE AGREEMENT TMS1002
Fig 13: Audio System (W/ Lexus Navigation System), Lexus Navigation System And Parking Assist (Rear View Monitor) - Circuit Diagram (13 Of 17)
G07559272Courtesy of © TOYOTA, LICENSE AGREEMENT TMS1002
Fig 14: Audio System (W/ Lexus Navigation System), Lexus Navigation System And Parking Assist (Rear View Monitor) - Circuit Diagram (14 Of 17)
G07559273Courtesy of © TOYOTA, LICENSE AGREEMENT TMS1002
Fig 15: Audio System (W/ Lexus Navigation System), Lexus Navigation System And Parking Assist (Rear View Monitor) - Circuit Diagram (15 Of 17)
G07559274Courtesy of © TOYOTA, LICENSE AGREEMENT TMS1002
Fig 16: Audio System (W/ Lexus Navigation System), Lexus Navigation System And Parking Assist (Rear View Monitor) - Circuit Diagram (16 Of 17)
G07559275Courtesy of © TOYOTA, LICENSE AGREEMENT TMS1002
Fig 17: Audio System (W/ Lexus Navigation System), Lexus Navigation System And Parking Assist (Rear View Monitor) - Circuit Diagram (17 Of 17)
G07559276Courtesy of © TOYOTA, LICENSE AGREEMENT TMS1002