LEMON Manuals: Even more car manuals for everyone: 1960-2025
Home >> Lexus >> 2010 >> IS 250C Automatic >> Repair and Diagnosis (Single Page) >> Body & Frame >> Seats >> Front Power Seat Control (W/ Memory) (Diagnostics) >> FRONT POWER SEAT CONTROL SYSTEM (w/ Memory) >> Power Seat Power Easy Access System Function does not Operate >> Wiring Diagram
April 5, 2026: LEMON Manuals is launched! Read the announcement.

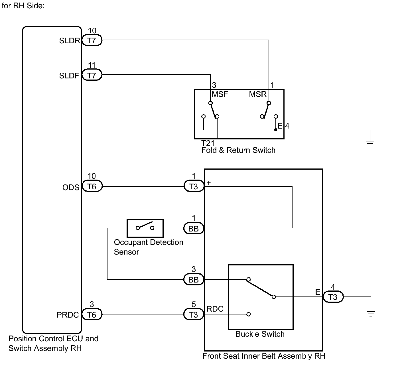
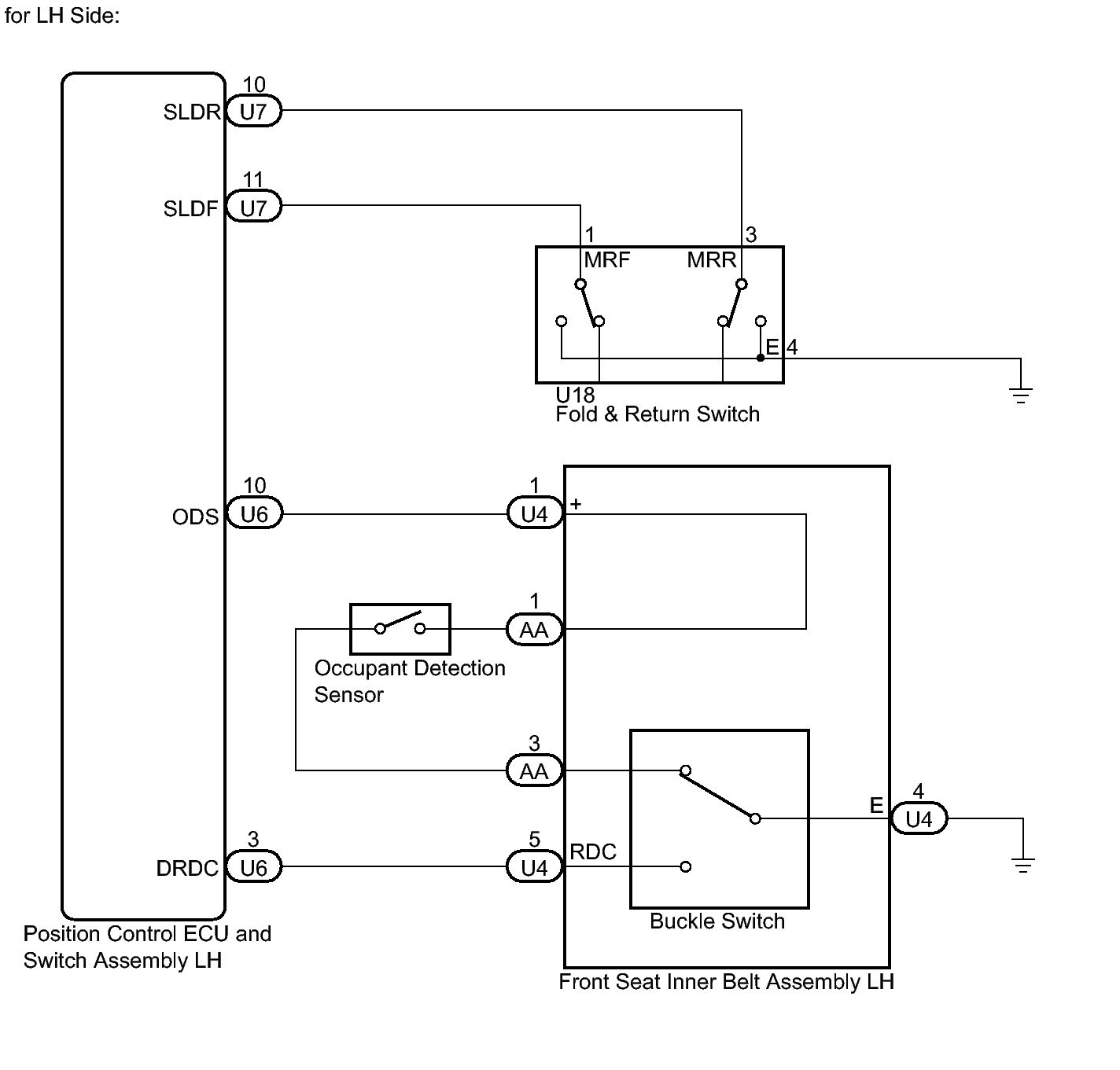
Power Seat Power Easy Access System Function does not Operate: Wiring Diagram

Fig 1: Power Seat Power Easy Access System (LH Side) - Wiring Diagram
GTY263382Courtesy of © TOYOTA, LICENSE AGREEMENT TMS1002
Fig 2: Power Seat Power Easy Access System (RH Side) - Wiring Diagram
GTY263383Courtesy of © TOYOTA, LICENSE AGREEMENT TMS1002