LEMON Manuals: Even more car manuals for everyone: 1960-2025
Home >> Lexus >> 2010 >> IS 250C Automatic >> Repair and Diagnosis (Single Page) >> Electrical >> Fuses & Circuit Breakers >> OEM Junction Block, Ecu & Fuse/Relay Locations >> Relay Block Identification >> Engine Room Relay Block No. 2 Assembly And Engine Room Junction Block No. 2 Assembly Inner Circuit
April 5, 2026: LEMON Manuals is launched! Read the announcement.

Engine Room Relay Block No. 2 Assembly And Engine Room Junction Block No. 2 Assembly Inner Circuit

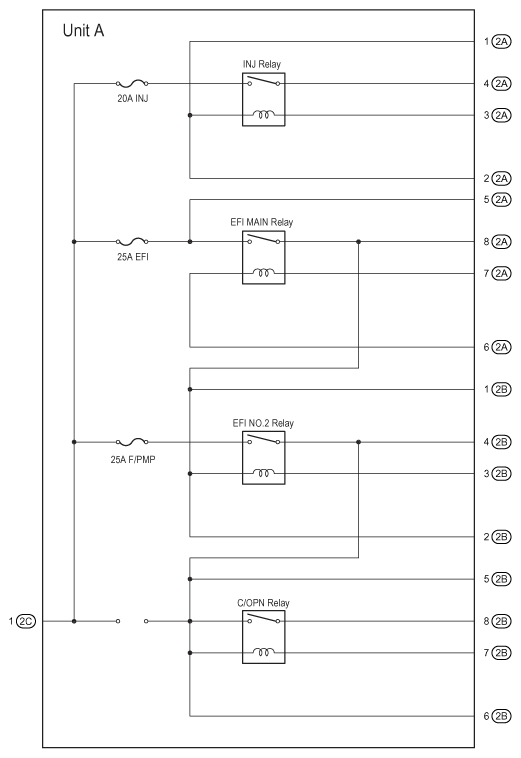
Fig 1: Engine Room Relay Block No. 2 Assembly And Engine Room J/B No. 2 Assembly Inner Circuit Diagram (Unit A)
G07566981Courtesy of © TOYOTA, LICENSE AGREEMENT TMS1002
ENGINE ROOM R/B NO. 2 AND J/B NO. 2 INNER CIRCUIT RELAY IDENTIFICATION (UNIT A)

RELAY DESCRIPTION
INJ Relay
EFI Main Relay
EFI No. 2 Relay
C/OPN Relay
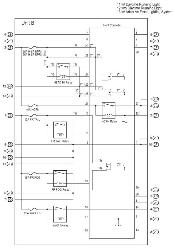
Fig 2: Engine Room Relay Bblock No. 2 Assembly And Engine Room J/B No. 2 Assembly Inner Circuit Diagram (Unit B)
G07566982Courtesy of © TOYOTA, LICENSE AGREEMENT TMS1002
ENGINE ROOM R/B NO. 2 AND J/B NO. 2 INNER CIRCUIT RELAY IDENTIFICATION (UNIT B)

RELAY DESCRIPTION
Head HI Relay
FR Tail Relay
FR Fog Relay
Horn Relay
Wash Relay


Fig 1: Engine Room R/B No. 2 Assembly And Engine Room J/B No. 2 Assembly Inner Circuit Diagram (Unit C)
G07566983Courtesy of © TOYOTA, LICENSE AGREEMENT TMS1002