LEMON Manuals: Even more car manuals for everyone: 1960-2025
Home >> Lexus >> 2010 >> IS 350C >> Repair and Diagnosis (Single Page) >> Accessories & Equipment >> Anti-Theft Systems >> Smart Access System (Keyless Entry) (Diagnostics & Symptom Tests) >> Smart Access System With Push-Button Start (For Entry Function) >> Driver Side Door Entry Lock and Unlock Functions do not Operate >> Wiring Diagram
April 5, 2026: LEMON Manuals is launched! Read the announcement.

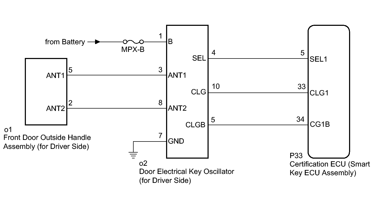
Driver Side Door Entry Lock and Unlock Functions do not Operate: Wiring Diagram

Fig 1: Identifying Driver Side Door Entry Lock And Unlock Functions - Wiring Diagram
GTY268844Courtesy of © TOYOTA, LICENSE AGREEMENT TMS1002