LEMON Manuals: Even more car manuals for everyone: 1960-2025
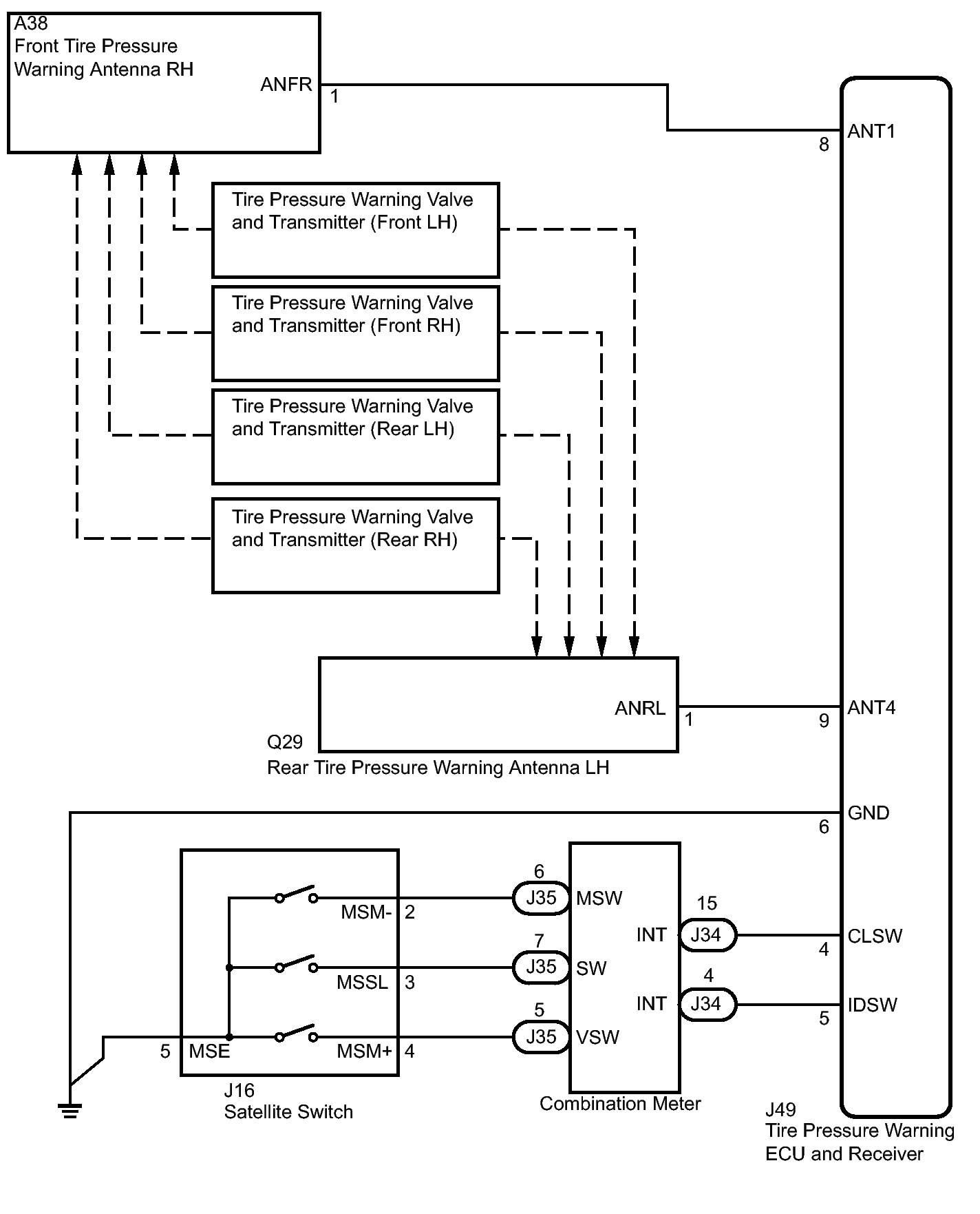
Home >> Lexus >> 2010 >> IS 350C >> Repair and Diagnosis (Single Page) >> Suspension >> Wheels & Tire System >> Tire Pressure Warning (Diagnostic Codes & Circuit Tests) >> Tire Pressure Warning System >> DTC C2121/21: No Signal from Transmitter ID1 in Main Mode; DTC C2122/22: No Signal from Transmitter ID2 in Main Mode; DTC C2123/23: No Signal from Transmitter ID3 in Main Mode; DTC C2124/24: No Signal from Transmitter ID4 in Main Mode; DTC C2131/31: No Signal from Transmitter ID1 in 2nd Mode; DTC C2132/32: No Signal from Transmitter ID2 in 2nd Mode; DTC C2133/33: No Signal from Transmitter ID3 in 2nd Mode; DTC C2134/34: No Signal from Transmitter ID4 in 2nd Mode; DTC C2181/81: Transmitter ID1 not Received (Test Mode DTC); DTC C2182/82: Transmitter ID2 not Received (Test Mode DTC); DTC C2183/83: Transmitter ID3 not Received (Test Mode DTC); DTC C2184/84: Transmitter ID4 not Received (Test Mode DTC) >> Wiring Diagram
April 5, 2026: LEMON Manuals is launched! Read the announcement.

DTC C2121/21: No Signal from Transmitter ID1 in Main Mode; DTC C2122/22: No Signal from Transmitter ID2 in Main Mode; DTC C2123/23: No Signal from Transmitter ID3 in Main Mode; DTC C2124/24: No Signal from Transmitter ID4 in Main Mode; DTC C2131/31: No Signal from Transmitter ID1 in 2nd Mode; DTC C2132/32: No Signal from Transmitter ID2 in 2nd Mode; DTC C2133/33: No Signal from Transmitter ID3 in 2nd Mode; DTC C2134/34: No Signal from Transmitter ID4 in 2nd Mode; DTC C2181/81: Transmitter ID1 not Received (Test Mode DTC); DTC C2182/82: Transmitter ID2 not Received (Test Mode DTC); DTC C2183/83: Transmitter ID3 not Received (Test Mode DTC); DTC C2184/84: Transmitter ID4 not Received (Test Mode DTC): Wiring Diagram

Fig 1: Transmitter Signal - Wiring Diagram
GTY270440Courtesy of © TOYOTA, LICENSE AGREEMENT TMS1002